.jpg)
Sul sito Winston
ne hanno uno da 20 A, che mi basterebbe.In risposta al messaggio di Ikigai del 19/05/2020 alle 22:42:36Sbaglio io o pannelli e regolatore con collegamento serie non vanno molto d'accordo ?
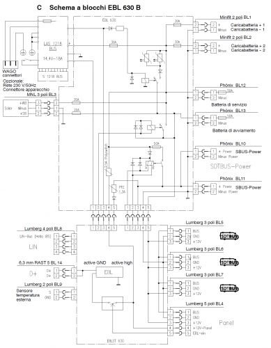
Ciao a tutti, Ringrazio in anticipo chi avrà voglia di perdere un po’ del proprio tempo aiutandomi a fare le scelte corrette. Scusate il post lungo… Ecco la configurazione che vorrei realizzare per l’impiantofotovoltaico del mio camper Burstner Ixeo I 744, per la quale chiedo il vostro parere:Nr. 2 pannelli Panasonic N250 (VBHN250SJ25) da 250W/cad, collegati in serie (ordinati oggi… quindi non si scampa...) Max. PV Voltage (@ -25°C): 118,9 V Min. PV Voltage: (@ 70°C): 77,1 V Regolatore di carica Victron SmartSolar MPPT 150/60 La verifica fatta con l’Excel scaricato dal sito Victron mi da ok a tutti i parametri. Corrente erogata a 12V: 36,7-45,2 A (@ max. o min. temp.) Batteria Winston 12V, 2.4kWh LiFeYPO4 set with 200Ah cells, BMS mobile monitoring Ora alcune domande:Cavo collegamento pannelli-regolatore: Considerate le tensioni ed i W, avrei una corrente max teorica di 6,5 A alla tensione minima dei pannelli. Un cavo da 2x2,5 mm2 in rame puro è ok o meglio 2x4 mm2, tenuto conto della lunghezza importante? È il caso di mettere un fusibile? Se sì, da quanto? Cavo collegamento regolatore batteria: con 45 A max teorici (che non avrò mai, i pannelli dovrebbero darmi 500 W a -25°C…) pensavo a cavi da 2x25 mm2, lunghezza < 1 m. È il caso di mettere un fusibile o ci sono già protezioni nel regolatore MPPT? Se sì, da quanto? La centralina del camper è una Schaudt EBL 630 B, che ha l’ingresso per il regolatore solare, ma ha un fusibile da 20 A, sarebbe ok giusto per il pannellino da 100 W che mi hanno montato “per sbaglio” e che probabilmente farò togliere. Burstner non ha collegato il regolatore Schaudt Solar 1218 a questo ingresso dedicato, ma a quello del caricabatterie supplementare. Collegherei quindi il regolatore Victron diretto alla batteria. Ci sono precauzioni da prendere? Carica a 220 V: La centralina non ha, purtroppo, l’impostazione di carica per le LiFePo4. Il concessionario dice che quelli della NDS che lui vende, dicono che col caricabatterie che c’è su non occorre montarne uno specifico… a parte che non monterò le NDS, io non mi fido e voglio verificare.Dallo schema della centralina si vede che si possono collegare due caricabatterie esterni (BL1 e BL2), protetti da un fusibile da 30A. Benché abbia in programma di attaccarmi alla 220 solo in rare occasioni, vorrei avere un carica batterie anche per questi casi. Sul sito Winston ne hanno uno da 20 A, che mi basterebbe. Non conoscendone altri, chiedo a voi se avete altri suggerimenti al riguardo per la scelta del modello. Perché mettere due ingressi per 2 carica batterie sulla centralina? Collegherei quindi + e – in uscita dal caricabatterie al BL1, pos. 10 della figura. Alla posizione 6, BL 12, resta attaccata la batteria servizi (al litio ovviamente). Carica in viaggio: Avendo (suppongo) l’alternatore “diversamente” intelligente, dovrebbe essere necessario avere un booster per caricare correttamente le batterie LiFePo4, che non credo ci sia sul Ducato.Ho visto che Tommaso (IZ4DJI) ha montato il Votronic VCC 1212 – 30, che da 30 A in marcia, mi pare un prodotto valido. Ce ne sono altri consigliati? Dovrei avere l’alternatore da 190 A sul camper, potrei anche prevedere un booster che dia più Ampere, ma non credo che ne valga la pena, visto che comunque tutti questi oggetti costano non poco. Questa è una parte su cui devo ancora studiare, leggerò con cura il relativo manuale e il post di Tommaso. Dovrebbe esserci tutto, credo… Ci sarà da lavorare dato che per il passaggio cavi pannelli potrei usare il foro sul tetto che la Burstner ha fatto montando il pannello che non ho chiesto, e che sbuca nell’armadio centrale, mentre la batteria andrà dalla parte esattamente opposta… io avrei forato in un altro posto, ora devo decidere se usare il foro esistente o farne uno nuovo tappando l’altro. La batteria AGM attuale è posta sotto il sedile passeggero. La litio non ci sta, quindi dovrò allungare i cavi per metterla sotto la seduta a fianco della porta, isolandola dai radiatori Alde (ce ne sono due lì sotto). Accetto consigli se usare cavi intestati collegati ai morsetti della batteria che rimuovo (userei cavi da 36mm2 dalla batteria litio ai morsetti della AGM rimossa), o se crimpare i cavi nuovi ai vecchi, isolando le connessioni con termoretraibile. Nello stesso locale sotto panca pensavo di mettere anche il Victron e poi l’inverter... Grazie a chi ha letto sin qui e a chi mi darà il suo parere. Ciao Camper for Life
In risposta al messaggio di Semi del 19/05/2020 alle 22:51:58Ciao Semi, grazie per il tuo suggerimento che mi ha fatto riflettere ed approfondire la cosa sul manuale. In effetti, collegando il caricabatterie esterno alla centralina che ha il suo caricabatterie interno, mi sono chiesto, essendo entrambi attivi col collegamento alla 220, cosa avrebbe fatto la centralina. Da quel che leggo sul manuale lei usa le curve di carica in funzione della selezione fatta del tipo di batteria, e da un max di 18 A.
Ciao, ti scrivo come farei io la cosa ma prendi le mie affermazioni con le pinze perché ancora non ci ho studiato bene. Io separerei completamente batterie servizi e batterie motore. Il regolatore dei pannelli solari direttamentein batteria servizi, lascerei se hai spazio il pannello solare esistente e lo collegherei solo a quella motore. Quando collegato alla 220 farei in modo di far caricare la BS al litio con un CB apposito e con quello originale del camper la sola BM. Per caricare in viaggio invece metterei un votronic impostando con la curva apposita. Io farei così
In risposta al messaggio di enzov1100 del 19/05/2020 alle 23:31:50Ciao Enzo, non mi è chiara la tua configurazione. Hai mantenuto la batteria servizi di serie AGM? Le utenze del camper a 12 V le alimenti con la AGM o le litio?
Ciao, io ho fatto così: due batterie LifePo4 da 120 AH, collegate in parallelo all'inverter 220 AC da 1500 W, caricate da due Triron da 40 A con 1260 Watt di pannelli; ho messo un rele di scambio che mi sposta il 220 ACesterno, quando non è collegata, all'inverter. Gli alimentatori 220 AC forniti con le batterie caricano solo con il 220 AC esterno, tutto il resto con i collegamenti orginali, ma deviati sull'inverter 220 AC, Quando prelevo da esterno, resta tutto standard, altrimenti il 220 AC dell'inverter mi alimenta tutto il camper, compreso carica batteria BM e BS AGM di serie da 100 Ah. Per evitare lo spunto del Telair E-VAN 7400, (deve ancora arrivare causa virus) metterò il boost paralleo al condensatore del compressore che dovrebbe limitare i 18 A 220 AC di spunto a 7/8. Sicuramente tanti storceranno il naso essendo un progetto abbastanza border line.
In risposta al messaggio di Stefino del 20/05/2020 alle 08:04:08Ciao Stefino, i pannelli in serie danno i valori di tensione e corrente che ho riportato.
Sbaglio io o pannelli e regolatore con collegamento serie non vanno molto d'accordo ?
In risposta al messaggio di Armando del 20/05/2020 alle 14:02:53Ciao Armando, grazie per la tua osservazione, ne terrò sicuramente conto qualora dovessi decidere di fare un altro foro per il passaggio cavi dei pannelli, anziché usare quello già fatto dalla Burstner coi cavi già messi da loro. Il mio cruccio è quello di tener bassa la corrente nei cavi dal pannello al regolatore, e col collegamento da serie a parallelo, passerei da una teorica max di 6,5 A ad una max di 13 A.
In un camper può capitare un'ombra casuale su uno dei pannelli, che cala di rendimento (supponiamo che vada al 40% di quando è interamente al sole). Se sono in serie calano di rendimento entrambi (cioè il tutto va al40%) se in parallelo uno cala e l'altro no (cioè il tutto va al 70%). Inoltre il rendimento di trasformazione nell'mppt in genere è minore di qualche unità %le al crescere del salto di tensione da realizzare. Questi come criteri generali, poi certo con 500W installati probabilmente te ne avanza sempre.
In risposta al messaggio di Ikigai del 20/05/2020 alle 13:00:48Mi quoto da solo...
Ciao Semi, grazie per il tuo suggerimento che mi ha fatto riflettere ed approfondire la cosa sul manuale. In effetti, collegando il caricabatterie esterno alla centralina che ha il suo caricabatterie interno, mi sono chiesto,essendo entrambi attivi col collegamento alla 220, cosa avrebbe fatto la centralina. Da quel che leggo sul manuale lei usa le curve di carica in funzione della selezione fatta del tipo di batteria, e da un max di 18 A. Onestamente non conosco (ancora) la curva di carica richiesta dalla batteria che vorrei montare, ma mi vien da dire che la centralina userebbe il proprio CB e non quello esterno, leggendo l'allaccio alla 220. Come posso fare però per far sì che la centralina non carichi la batteria se sono attaccato alla 220? Se collego il CB esterno diretto alla batteria, lui parte con la carica quando la 220 è allacciata, ma idem la centralina, che non ha due cavi separati di carica, né interruttori per azzerare la carica della batteria. Mentre il regolatore di carica solare so che va diretto alla batteria e non va in conflitto con la carica a 220 (almeno mi pare... se si è allacciati alla 220 sotto al sole, chi carica la batteria?), cosa succede se ho due CB da 220 collegati?
https://www.amazon.it/DOKIO-Fot...
https://www.amazon.it/gp/produc...
https://www.aliexpress.com/item...
https://www.aliexpress.com/item...
https://www.amazon.it/VOTRONIC-...
In risposta al messaggio di cinquantuno del 20/05/2020 alle 15:18:57Ciao, interessanti i pannelli. Io non ho grossi problemi di peso, al base del mio camper è Ducato heavy 4,25 ton, e mi sono fissato coi Panasonic
Io sul camper nuovo che ho acquistato e deve ancora arrivare ho acquistato ed intendo montare: 4 pannelli solari da 100 watt l'uno, 5.56 A l'uno max, flessibili del peso totale di 4.4 kg. che metterò in parallelo incollatia 4 pannelli di policarbonato alveolare spessi 5 o 10 mm. ( devo ancora comprarli ) a loro volta incollati al tetto. Ho scelto pannelli fessibili per il loro peso bassissimo. Questi i pannelli: sr_1_11?mk_it_IT=%C3%85M%C3%85%C5%BD%C3%95%C3%91&dchild=1&keywords=4+pannelli+solari+flessibili&qid=1586848167&sr=8-11 Un regolatore di tensione epever® MPPT Tracer (30A+MT50+RTS) in grado di caricare batterie LIFEP04 ppx_yo_dt_b_asin_image_o01_s01?ie=UTF8&th=1 Una batteria servizi LIFEP04 da 200 Ah stagna, già comprensiva di BMS e delle dimensioni giuste per stare sotto il sedile passeggero Un caricabatterie da rete da 20 Ah solo per la batteria servizi LIFEP04 Un caricabatterie-Booster Votronic da 30 Ah che in viaggio mi caricherà la batteria servizi e quella motore ed inoltre eliminerà i problemi dell'alternatore intelligente sr_1_1?dchild=1&keywords=Votronic&qid=1589978438&sr=8-1 E' mia intenzione eliminare il caricabatterie di serie montato sul camper se vedo che riesco a caricare da rete anche la batteria motore magari usando il diodo + resistenza.
In risposta al messaggio di Ikigai del 20/05/2020 alle 16:56:28Nemmeno io avevo visto tale novità
Ciao, interessanti i pannelli. Io non ho grossi problemi di peso, al base del mio camper è Ducato heavy 4,25 ton, e mi sono fissato coi Panasonic Cavolo, non avevo mai visto la batteria nella valigetta. Così bassa, cista sotto il sedile! Quello che non capisco, è come facciano batterie che nominalmente hanno la stessa capacità, ad avere pesi così differenti. Quella Winston quasi 34 kg, quella di AliExpress 17,7 kg. Immagino ci saranno le tasse doganali, sai a quanto ammontano? Come fai ad eliminare il caricabatterie originale? Che centralina hai, ha il caricabatterie separato? Se è integrato e come mi ha scritto la Schaudt la curva è quella del caricabatterie esterno, il problema non si pone. Se poi vedo che la curva delle GEL va bene, meglio ancora!
.png)
In risposta al messaggio di Ikigai del 20/05/2020 alle 13:07:21Ciao,
Ciao Enzo, non mi è chiara la tua configurazione. Hai mantenuto la batteria servizi di serie AGM? Le utenze del camper a 12 V le alimenti con la AGM o le litio? Quando non sei collegato alla 220, l'inverter ti alimenta tutte le prese 220 del camper, escluso caricabatterie e frigo?
In risposta al messaggio di Ikigai del 20/05/2020 alle 13:08:54Io ho letto pannello max 118 V (×2=236 V)
Ciao Stefino, i pannelli in serie danno i valori di tensione e corrente che ho riportato. Il regolatore sopporta 150 V e 60Ah, che coprono con margine di sicurezza i due pannelli in serie.
In risposta al messaggio di Ikigai del 20/05/2020 alle 13:08:54Io ho letto pannello max 118 V (×2=236 V)
Ciao Stefino, i pannelli in serie danno i valori di tensione e corrente che ho riportato. Il regolatore sopporta 150 V e 60Ah, che coprono con margine di sicurezza i due pannelli in serie.
In risposta al messaggio di Ikigai del 20/05/2020 alle 13:08:54Io ho letto pannello max 118 V (×2=236 V)
Ciao Stefino, i pannelli in serie danno i valori di tensione e corrente che ho riportato. Il regolatore sopporta 150 V e 60Ah, che coprono con margine di sicurezza i due pannelli in serie.
In risposta al messaggio di Stefino del 20/05/2020 alle 20:37:51Mi è venuto un dubbio ma lo sai che in serie le correnti restano le stesse ma le tensioni si sommano ?
Io ho letto pannello max 118 V (×2=236 V) il regolatore (regola 150-60 A) (60 A e non Ah) (150 invece é la V max.)
In risposta al messaggio di Ikigai del 20/05/2020 alle 16:56:28Nel tuo primo intervento hai messo lo schema della centralina, è una EBL 630, diversa dalla mia, ma anche questa ha la presa per un caricabatteria supplementare, blocco 2, 12.
Ciao, interessanti i pannelli. Io non ho grossi problemi di peso, al base del mio camper è Ducato heavy 4,25 ton, e mi sono fissato coi Panasonic Cavolo, non avevo mai visto la batteria nella valigetta. Così bassa, cista sotto il sedile! Quello che non capisco, è come facciano batterie che nominalmente hanno la stessa capacità, ad avere pesi così differenti. Quella Winston quasi 34 kg, quella di AliExpress 17,7 kg. Immagino ci saranno le tasse doganali, sai a quanto ammontano? Come fai ad eliminare il caricabatterie originale? Che centralina hai, ha il caricabatterie separato? Se è integrato e come mi ha scritto la Schaudt la curva è quella del caricabatterie esterno, il problema non si pone. Se poi vedo che la curva delle GEL va bene, meglio ancora!
In risposta al messaggio di cinquantuno del 20/05/2020 alle 15:18:57Ciao, se il Tracer viene consegnato come il Triron, entrampi Epsolar e molto simili, dovrai anche acquistare il cavo RS485/USB per modificare i parametri batteria user (per le LiPeFo4) da PC, perchè da tastierino non sono accessibili, poi c'è da porconare un po' ad inserire i parametri e ad averli, perchè loro dubito te li forniranno
Io sul camper nuovo che ho acquistato e deve ancora arrivare ho acquistato ed intendo montare: 4 pannelli solari da 100 watt l'uno, 5.56 A l'uno max, flessibili del peso totale di 4.4 kg. che metterò in parallelo incollatia 4 pannelli di policarbonato alveolare spessi 5 o 10 mm. ( devo ancora comprarli ) a loro volta incollati al tetto. Ho scelto pannelli fessibili per il loro peso bassissimo. Questi i pannelli: sr_1_11?mk_it_IT=%C3%85M%C3%85%C5%BD%C3%95%C3%91&dchild=1&keywords=4+pannelli+solari+flessibili&qid=1586848167&sr=8-11 Un regolatore di tensione epever® MPPT Tracer (30A+MT50+RTS) in grado di caricare batterie LIFEP04 ppx_yo_dt_b_asin_image_o01_s01?ie=UTF8&th=1 Una batteria servizi LIFEP04 da 200 Ah stagna, già comprensiva di BMS e delle dimensioni giuste per stare sotto il sedile passeggero Un caricabatterie da rete da 20 Ah solo per la batteria servizi LIFEP04 Un caricabatterie-Booster Votronic da 30 Ah che in viaggio mi caricherà la batteria servizi e quella motore ed inoltre eliminerà i problemi dell'alternatore intelligente sr_1_1?dchild=1&keywords=Votronic&qid=1589978438&sr=8-1 E' mia intenzione eliminare il caricabatterie di serie montato sul camper se vedo che riesco a caricare da rete anche la batteria motore magari usando il diodo + resistenza.
https://www.aliexpress.com/item...