CamperOnLine
  • Camper
    • Camper usati
    • Camper nuovi
    • Produttori
    • Listino
    • Cataloghi
    • Concessionari e rete vendita
    • Noleggio
    • Van
    • Caravan
    • Fiere
    • Rimessaggi
    • Le prove di CamperOnLine
    • Provati da voi
    • Primo acquisto
    • Area professionisti
  • Accessori
    • Accessori e Prodotti
    • Camping Sport Magenta accessori
    • Produttori
    • Antenne TV
    • Ammortizzatori
    • GPS
    • Pneumatici
    • Rimorchi
    • Provati da Voi
    • Fai da te
  • Viaggi
    • Diari di viaggi in camper
    • Eventi
    • Foto
    • Check list
    • Traghetti
    • Trasporti
  • Sosta
    • Cerca Strutture
    • Sosta
    • Aree sosta camper
    • Campeggi
    • Agriturismi con sosta camper
    • App Camperonline App
    • 10 Consigli utili per la sosta
    • Area strutture
  • Forum
    • Tutti i Forum
    • Sosta
    • Gruppi
    • Compagni
    • Italia
    • Estero
    • Marchi
    • Meccanica
    • Cellula
    • Accessori
    • Eventi
    • Leggi
    • Comportamenti
    • Disabili
    • In camper per
    • Altro Camper
    • Altro
    • Extra
    • FAQ
    • Regolamento
    • Attivi
    • Preferiti
    • Cerca
  • Community
    • COL
    • CamperOnFest
    • Convenzioni Convenzioni
    • Amici
    • Furti
    • Informativa Privacy
    • Lavoro
  • COL
    • News
    • Newsletter
    • Pubblicità
    • Contatto
    • Ora
    • RSS RSS
    • Video
    • Facebook
    • Instagram
  • Magazine
  • Italiano
    • Bienvenue
    • Welcome
    • Willkommen
  • Accedi
CamperOnLine
Camping Sport Magenta
  1. Forum
  2. Tecnica
  3. Accessori
Galleria

Incompatibilità inverter?

Rispondi
Cerca
Berger Camping
SostaGruppiCompagniItaliaEsteroMarchiMeccanicaCellulaAccessoriEventiLeggiComportamentiDisabiliIn camper perAltro CamperAltroExtra
11 20 248
14
banoyo
banoyo
23/12/2011 2512
Rispondi Abuso
Inserito il 22/01/2026 alle: 16:22:39
In risposta al messaggio di Emme48 del 22/01/2026 alle 08:33:30

Io non collegherei mai un regolatore PWM su una litio, se ti va in corto il MOS del regolatore hai una ricarica incontrollata e quando il BMS staccherà avrai oltre 18 Volt sull'impianto a 12 Volt. Puoi installare un regolatore MPPT Western Vmarine 10. ... ma a volte dici pannello, altre dici pannelli... sul tetto cosa c'è?
Si, è un problema che c'è sempre stato, capita di PWM guasti che fanno gonfiare e mandano in ebollizione la BS, ma è un problema che non riguarda le litio.
Ho riparato anche un DC-DC con un problema simile, guasti del genere non possono essere esclusi nemmeno con un CB e nemmeno sul regolatore dell'alternatore.
Per proteggersi da ogni evenienza basterebbe uno zener da 15/16V, che controlla un relè di potenza il quale stacca tutti i dispositivi di ricarica.
Bastano 2 componenti, costo irrisorio e funziona sempre....è una cosa che volevo fare ma non ho mai fatto.
 
Tiziano

Modificato da banoyo il 22/01/2026 alle 16:58:50
8
campier65
campier65
04/05/2017 164
Rispondi Abuso
Inserito il 22/01/2026 alle: 16:57:24
In risposta al messaggio di banoyo del 22/01/2026 alle 16:22:39

Si, è un problema che c'è sempre stato, capita di PWM guasti che fanno gonfiare e mandano in ebollizione la BS, ma è un problema che non riguarda le litio. Ho riparato anche un DC-DC con un problema simile, guasti del
genere non possono essere esclusi nemmeno con un CB e nemmeno sul regolatore dell'alternatore. Per proteggersi da ogni evenienza basterebbe uno zener da 15/16V, che controlla un relè di potenza il quale stacca tutti i dispositivi di ricarica. Bastano 2 componenti, costo irrisorio e funziona sempre....è una cosa che volevo fare ma non ho mai fatto.  
...
In effetti mi sembrerebbe strano che un problema del genere possa riguardare solo i pwm. Come scrivevo in aggiunta nel post (modificato), la protezione (punto 6 del manuale) contro i cortocircuiti del Moscatelli non interverrebbe? I vari fusibili lungo su (quasi ) tutti i cavi non interomperebbero prima del danno? Ogni accessorio evidenzia le proprie protezioni e sembra che a nulla servano:-).
Burstner City Car 600 130cv......
14
banoyo
banoyo
23/12/2011 2512
Rispondi Abuso
Inserito il 22/01/2026 alle: 17:04:17
In risposta al messaggio di campier65 del 22/01/2026 alle 16:57:24

In effetti mi sembrerebbe strano che un problema del genere possa riguardare solo i pwm. Come scrivevo in aggiunta nel post (modificato), la protezione (punto 6 del manuale) contro i cortocircuiti del Moscatelli non interverrebbe?
I vari fusibili lungo su (quasi ) tutti i cavi non interomperebbero prima del danno? Ogni accessorio evidenzia le proprie protezioni e sembra che a nulla servano:-).
...
Purtroppo in quei casi i fusibili non riescono garantire nulla, è dovuto al sintema a switching di molti dispositivi...se si guasta non c'è più controllo.
Non tutti i dispositivi hanno quel problema. dipende da come sono stati progettati.
Tiziano

Modificato da banoyo il 22/01/2026 alle 17:06:14
8
campier65
campier65
04/05/2017 164
Rispondi Abuso
Inserito il 22/01/2026 alle: 17:09:01
In risposta al messaggio di banoyo del 22/01/2026 alle 17:04:17

Purtroppo in quei casi i fusibili non riescono garantire nulla, è dovuto al sintema a switching di molti dispositivi...se si guasta non c'è più controllo. Non tutti i dispositivi hanno quel problema. dipende da come sono stati progettati.
Quindi la protezione scritta nel manuale lascia il tempo che trova?
Burstner City Car 600 130cv......
Asturia, Cantabria e Paesi Baschi in cam
Asturia, Cantabria e Paesi Baschi in cam
Sala Silvergruva, la miniera d'argento
Sala Silvergruva, la miniera d'argento
Folgaria d’inverno in camper
Folgaria d’inverno in camper
Francia 2025
Francia 2025
Eksjo, la città di legno
Eksjo, la città di legno
Previous Next
16
mimmo69
mimmo69
21/09/2009 4971
Rispondi Abuso
Inserito il 22/01/2026 alle: 17:14:21
Quindi se si ha un PWM e BS Litio, c'è o non c'è pericolo per le batterie in caso di guasto al pwm? 
Viaggio su Mobilvetta Admiral K6.3 2025 Fiat Ducato 2.2/180 aut. Heavy
14
banoyo
banoyo
23/12/2011 2512
Rispondi Abuso
Inserito il 22/01/2026 alle: 17:14:37
In risposta al messaggio di campier65 del 22/01/2026 alle 17:09:01

Quindi la protezione scritta nel manuale lascia il tempo che trova?
Non ho letto il manuale, ma penso che sia riferita alla protezione di un corto circuito sull'uscita, non ad un guasto interno.
Comunque non tutti i regolatori PWM hanno quel problema, difficile sapere con certezza quali si e quali no.
Tiziano

Modificato da banoyo il 22/01/2026 alle 17:19:18
8
campier65
campier65
04/05/2017 164
Rispondi Abuso
Inserito il 22/01/2026 alle: 17:27:49
In risposta al messaggio di banoyo del 22/01/2026 alle 17:14:37

Non ho letto il manuale, ma penso che sia riferita alla protezione di un corto circuito sull'uscita, non ad un guasto interno. Comunque non tutti i regolatori PWM hanno quel problema, difficile sapere con certezza quali si e quali no.
Beh...se è andato avanti 5/6 anni credo non lo abbia il mio (spero) :-). 
Se quello che mi ha consigliato m48 posso sostituirlo facilmente magari lo prendo e sto più tranquillo. Ma vorrei sapere se carico entrambe le batterie. Sul moscatelli c'è batteria 1 e batteria 2, su quello (come molti mttp ) c'è batteria 1 FV e load. La bm la carica? Se si devo modificare il cablaggio?
 
Burstner City Car 600 130cv......
14
banoyo
banoyo
23/12/2011 2512
Rispondi Abuso
Inserito il 22/01/2026 alle: 17:27:58
In risposta al messaggio di mimmo69 del 22/01/2026 alle 17:14:21

Quindi se si ha un PWM e BS Litio, c'è o non c'è pericolo per le batterie in caso di guasto al pwm? 
La batteria litio non ha problemi, anzi ne ha meno di una AGM, la litio stacca...è il resto dell'impianto che ha problemi, soprattutto centraline e dispositivi elettronici collegati all'impianto.
Tiziano

Modificato da banoyo il 22/01/2026 alle 17:29:38
14
banoyo
banoyo
23/12/2011 2512
Rispondi Abuso
Inserito il 22/01/2026 alle: 17:33:18
In risposta al messaggio di campier65 del 22/01/2026 alle 17:27:49

Beh...se è andato avanti 5/6 anni credo non lo abbia il mio (spero) :-).  Se quello che mi ha consigliato m48 posso sostituirlo facilmente magari lo prendo e sto più tranquillo. Ma vorrei sapere se carico entrambe le batterie.
Sul moscatelli c'è batteria 1 e batteria 2, su quello (come molti mttp ) c'è batteria 1 FV e load. La bm la carica? Se si devo modificare il cablaggio?  
...
Non conosco quel modello, ma se ha le  caratteristiche descritte da M48 dovrebbe andare bene anche con il tuo pannello.
Se usi quel modello, di 10A,  la sostituzione è semplicissima, basta spostare i fili da uno all'altro.
 
Tiziano

Modificato da banoyo il 22/01/2026 alle 17:45:09
20
Emme48
Emme48
rating

13/01/2006 24529
Rispondi Abuso
Inserito il 22/01/2026 alle: 17:58:32
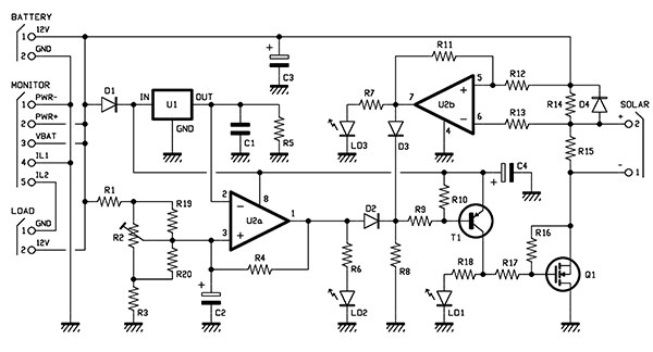
Cerchiamo di capire una cosa, il BMS protegge la batteria, non l'impianto.

Ecco lo schema di un regolatore fotovoltaico PWM
7100-FK011-schema(1).jpg
Chi conosce l'elettronica vede benissimo cosa succede col MOS di potenza Q1 in corto, il pannello solare è collegato direttamente alla batteria, quando il BMS interrompe l'assorbimento la tensione dell'impianto schizza su fino a quella del pannello, a parte la caduta su D4.

Quando di fa un progetto, un buon progetto, si immagina come questo impianto dovrà funzionare.
Non basta...
Si deve immaginare anche il non-funzionamento, cioè per ogni singolo componente bisogna identificare tutti (TUTTI) i possibili guasti che ci possono essere e per ciascuno di essi prendere le contromusure necessarie.

Zener di protezione "veloce" da 15 Volt? Perchè no...
...ma fatelo voi che avete un BMS che può togliere la batteria lasciandola in balìa di un PWM guasto, io ho due AGM che non hanno il "problema" del BMS, se la tensione mi sale oltre 15,2 Volt lo fa lentamente e un sistema automatico sconnette tutto, compreso i meccanismi di ricarica, idem per il superamento dei 60 gradi in 5 punti critici o per correnti eccessive musurate in 3 posti diversi.

Gli MPPT (seri...) hanno un circuito complesso che con qualsiasi guasto smette di funzionare, ma non erogano mai energia incontrollata, cosa che alcuni (rari) caricabatterie a 230 Volt possono fare, quindi bene lo Zener da 15 Volt ma deve essere abbinato ad un sistema elettromeccanico di disconnessione NON autoripristinante, se scatta qualcuno deve andare a verificare, riparare e solo dopo ricollegare.

Che sono pignolo già si sapeva...
Marco

http://www.m48.it


Modificato da Emme48 il 22/01/2026 alle 18:14:15
8
campier65
campier65
04/05/2017 164
Rispondi Abuso
Inserito il 22/01/2026 alle: 18:49:46
In risposta al messaggio di Emme48 del 22/01/2026 alle 17:58:32

Cerchiamo di capire una cosa, il BMS protegge la batteria, non l'impianto. Ecco lo schema di un regolatore fotovoltaico PWM Chi conosce l'elettronica vede benissimo cosa succede col MOS di potenza Q1 in corto, il pannello
solare è collegato direttamente alla batteria, quando il BMS interrompe l'assorbimento la tensione dell'impianto schizza su fino a quella del pannello, a parte la caduta su D4. Quando di fa un progetto, un buon progetto, si immagina come questo impianto dovrà funzionare. Non basta... Si deve immaginare anche il non-funzionamento, cioè per ogni singolo componente bisogna identificare tutti (TUTTI) i possibili guasti che ci possono essere e per ciascuno di essi prendere le contromusure necessarie. Zener di protezione veloce da 15 Volt? Perchè no... ...ma fatelo voi che avete un BMS che può togliere la batteria lasciandola in balìa di un PWM guasto, io ho due AGM che non hanno il problema del BMS, se la tensione mi sale oltre 15,2 Volt lo fa lentamente e un sistema automatico sconnette tutto, compreso i meccanismi di ricarica, idem per il superamento dei 60 gradi in 5 punti critici o per correnti eccessive musurate in 3 posti diversi. Gli MPPT (seri...) hanno un circuito complesso che con qualsiasi guasto smette di funzionare, ma non erogano mai energia incontrollata, cosa che alcuni (rari) caricabatterie a 230 Volt possono fare, quindi bene lo Zener da 15 Volt ma deve essere abbinato ad un sistema elettromeccanico di disconnessione NON autoripristinante, se scatta qualcuno deve andare a verificare, riparare e solo dopo ricollegare. Che sono pignolo già si sapeva...
...
Scusami, tanto di cappello alla tua competenza:-), ma se leggo "non metterei mai un pwm con una litio" e poi mi dici che il problema non è tanto sul bms che stacca ma su tutto il resto dell' impianto mi porti di nuovo fuori strada. :-). 
Questo potenziale problema quindi c'è lho (io e chissà quanti) da quando ho fatto questo impianto ( molto pubblicizzato nelle varie fiere del settore dell' epoca)?
 
Burstner City Car 600 130cv......
Argomenti recenti dal forum
Cellula abitativa
Comando Cp plus su Combi 6002
Buongiorno a tutti,volevo sapere se si può montare il comando cp plu...
Rickyge
Oggi alle 16:00
Viaggi all'estero
Vignette/telepass oltre 35q in Cechia e Polonia
Buongiorno a tutti, stavo programmando un viaggio per vedere la Polo...
biomax
Oggi alle 14:09
Cellula abitativa
Sportello presa cee
Lo sportello della presa del mio veicolo è mal ridotta, un paio di c...
gianninotopo
Oggi alle 11:10
Altro sui camper
camper puro, furgonato x usarlo anche per lavori
buongiorno, mi frulla in testa la voglia anche se non per quest'anno...
vespucci
Oggi alle 09:04
Altro sui camper
Cerco rimessaggio Arenzano,Genova,Savona,masone ec
Aiutoooo cerco rimessaggio nel raggio di 50km da Arenzano… grazie an...
Lelle007
Oggi alle 01:19
Accessori
domanda secca su lifepo4
buonaser a tutti, prossimamente vorrei acquistare un box batteria d...
AlbertoPD
Ieri alle: 23:08
Cellula abitativa
Caricabatterie e colonnina 220v
Buonasera, non mi era mai capitato oppure non ci avevo fatto caso. S...
323232
Ieri alle: 20:17
Compagni di viaggio
Compagni viaggio Lombardia
Ciao, siamo una coppia di Milano, Matteo (34) e Angelica (40), con u...
Mario Dalgalla
Ieri alle: 17:16
Accessori
Striscia a led "d'atmosfera"
Salve vorrei mettere questa striscia (5mt. COB 45w) alla base dei ...
gianninotopo
Ieri alle: 16:43
Meccanica
Problema elettrico Fiat ducato X250 2.3 mjt 2012
Salve a tutti. Ho un grosso problema sul mio mezzo per quanto riguar...
Pizza77
Ieri alle: 10:30
Accessori
Impianto con lifepo4
Buongiorno a tutti, sono un novellino di questo fantastico mondo, ho...
The Box
Ieri alle: 09:16
Meccanica
Quantità olio circuito freni
Secondo voi, su un mezzo di 7 metri su telaio ALKO con interasse di ...
norbidic
Ieri alle: 06:57
Meccanica
luce fari ducato
Buonasera ragazzi, cruccio di Marzo. Volevo capire secondo le vostre...
fjordland
17/03/26 - 23:00
Aree di sosta e campeggi
Consigli soste
Buonasera, ad agosto partiremo da Napoli direzione Francia, vorremmo...
Mcar
17/03/26 - 22:42
Accessori
Scheda ne 185 .3
Buonasera sul pannello ne 268 non ho comunicazione con l' ne 185 , h...
mmazza
17/03/26 - 20:53
7
Steu851
Steu851
27/08/2018 3079
Rispondi Abuso
Inserito il 22/01/2026 alle: 19:07:50
In risposta al messaggio di campier65 del 22/01/2026 alle 18:49:46

Scusami, tanto di cappello alla tua competenza:-), ma se leggo non metterei mai un pwm con una litio e poi mi dici che il problema non è tanto sul bms che stacca ma su tutto il resto dell' impianto mi porti di nuovo fuori
strada. :-).  Questo potenziale problema quindi c'è lho (io e chissà quanti) da quando ho fatto questo impianto ( molto pubblicizzato nelle varie fiere del settore dell' epoca)?  
...
La batteria al piombo assorbe la corrente generata dal pwm guasto e ne 'controlla' la tensione, il bms della litio isola la batteria quindi la tensione in eccesso finisce direttamente sugli utilizzatori 
Adria Coral Compact, il camper coupè
20
Emme48
Emme48
rating

13/01/2006 24529
Rispondi Abuso
Inserito il 22/01/2026 alle: 19:08:46
In risposta al messaggio di campier65 del 22/01/2026 alle 18:49:46

Scusami, tanto di cappello alla tua competenza:-), ma se leggo non metterei mai un pwm con una litio e poi mi dici che il problema non è tanto sul bms che stacca ma su tutto il resto dell' impianto mi porti di nuovo fuori
strada. :-).  Questo potenziale problema quindi c'è lho (io e chissà quanti) da quando ho fatto questo impianto ( molto pubblicizzato nelle varie fiere del settore dell' epoca)?  
...
La spiegazione elettronica non può essere sempre banale...

Esiste un particolare scenario con certi componenti che, abbinati ad uno specifico guasto, possono far arrivare sull'impianto una tensione elevata.
Questo tipo di (raro) guasto faceva bollire le BS al piombo, ma essendo cosa rara la consuetudine non prevedeva contomisure impiantistiche, quando succedeva era colpa del destino...
Con le litio abbinate a un PWM io credo che ci sia un possibile rischio, la batteria non bolle perchè il BMS la protegge, nesun problema per le utenze collegate sotto centralina, ma inverter e riscaldatori a gasolio sono esposti.

C'è qualcosa che non ti torna in quello schema?
Marco

http://www.m48.it

16
mimmo69
mimmo69
21/09/2009 4971
Rispondi Abuso
Inserito il 22/01/2026 alle: 19:18:35
Chiedo scusa se faccio fatica a seguire, ma non ho formazione in questo campo.
Capisco anche che facendo domande in un thread dove c'è già qualcuno che fa domande, poi queste diventino troppe sad

Dunque, io ho un PWM e batterie Litio. Quindi se ho capito bene, in caso di guasto del PWM le mie batterie sono salve grazie al BMS che stacca, ma l'impianto no.

E sempre se ho capito bene, montando un MPPT non avrei problemi nè sulle baterie (per lo stesso motivo di cui sopra) nè all'impianto perchè è l'MPPT che si occupa di proteggere l'impianto.

A questo punto, la LOGICA mi porta a chiedere: allora TUTTI dovrebbero avere un MPPT?
Oppure ci sono PWM che proteggono? E nel caso come faccio a sapere se il mio lo è?
Oppure i PWM andrebbero montati su impianti che prevedono delle protezioni di cui non si occupa il PWM?

In ogni caso mi sono accodato in un'altra discussione che riguarda la "scelta del regolatore" per cui se preferite non inquinare questa possiamo continuare di là per tenere il filo logico anche della discussione stessa a vantaggio della fruizione.

Grazie se vorrete chiarirmi.
Viaggio su Mobilvetta Admiral K6.3 2025 Fiat Ducato 2.2/180 aut. Heavy

Modificato da mimmo69 il 22/01/2026 alle 19:20:00
7
Steu851
Steu851
27/08/2018 3079
Rispondi Abuso
Inserito il 22/01/2026 alle: 19:38:19
In risposta al messaggio di mimmo69 del 22/01/2026 alle 19:18:35

Chiedo scusa se faccio fatica a seguire, ma non ho formazione in questo campo. Capisco anche che facendo domande in un thread dove c'è già qualcuno che fa domande, poi queste diventino troppe  Dunque, io ho un PWM e batterie
Litio. Quindi se ho capito bene, in caso di guasto del PWM le mie batterie sono salve grazie al BMS che stacca, ma l'impianto no. E sempre se ho capito bene, montando un MPPT non avrei problemi nè sulle baterie (per lo stesso motivo di cui sopra) nè all'impianto perchè è l'MPPT che si occupa di proteggere l'impianto. A questo punto, la LOGICA mi porta a chiedere: allora TUTTI dovrebbero avere un MPPT? Oppure ci sono PWM che proteggono? E nel caso come faccio a sapere se il mio lo è? Oppure i PWM andrebbero montati su impianti che prevedono delle protezioni di cui non si occupa il PWM? In ogni caso mi sono accodato in un'altra discussione che riguarda la scelta del regolatore per cui se preferite non inquinare questa possiamo continuare di là per tenere il filo logico anche della discussione stessa a vantaggio della fruizione. Grazie se vorrete chiarirmi.
...
Semplicemente I pwm sono nati prima, quando fai montato quel pannello l'mppt o non esisteva o costava molto.
Quel pannello e quel regolatore hanno un rendimento molto basso, un buon pannello da 120 W moderno con regolatore mpptt è un buon 20% più piccolo e produce più corrente. 
​​​​​​
Adria Coral Compact, il camper coupè
16
mimmo69
mimmo69
21/09/2009 4971
Rispondi Abuso
Inserito il 22/01/2026 alle: 20:00:51
In risposta al messaggio di Steu851 del 22/01/2026 alle 19:38:19

Semplicemente I pwm sono nati prima, quando fai montato quel pannello l'mppt o non esisteva o costava molto. Quel pannello e quel regolatore hanno un rendimento molto basso, un buon pannello da 120 W moderno con regolatore mpptt è un buon 20% più piccolo e produce più corrente.  ​​​​​​
Avevo immaginato, ma sarà solo una questione di costi in quanto è l'impianto di serie del mio mezzo che è un 2025.

Restano in piedi le mie domande wink

P.S.: il pannello non si cambia. alla peggio lo smonto devil
Viaggio su Mobilvetta Admiral K6.3 2025 Fiat Ducato 2.2/180 aut. Heavy
7
Steu851
Steu851
27/08/2018 3079
Rispondi Abuso
Inserito il 22/01/2026 alle: 20:45:47
In risposta al messaggio di mimmo69 del 22/01/2026 alle 20:00:51

Avevo immaginato, ma sarà solo una questione di costi in quanto è l'impianto di serie del mio mezzo che è un 2025. Restano in piedi le mie domande  P.S.: il pannello non si cambia. alla peggio lo smonto 
Scusa, chissà perché mi ero messo in testa che fosse vecchio, visto che il mio aveva lo stesso pannello e regolatore (come marchio) ed è del 2009 (ma l'ho acquistato nel 2018 e non so quando effettivamente è stato montato). 
Togliere il pannello? È una eresia, ti garantiscono autonomia energetica, solo che per la batteria che hai messo è troppo piccolo. 
Fino ad ora hai avuto poche esigenze, ma scommetto che se hai una compagna nell'equipaggio sarebbe ben contenta di poter usare l'asciugacapelli, o magari ti può far piacere portarti la macchinetta del caffè espresso, la tua batteria non ha problemi a gestire un buon inverter,  supponendo di stare fermo qualche giorno dove non hai la possibilità di allacciarti ad una colonnina, col tuo pannello riusciresti a caricare se va bene 8A, 20 ore di insolazione ideale per ricaricare se sceso al 50%.
Per me il fotovoltaico è la fonte primaria di energia, segue l'alternatore ma preferisco disabilitare il dc-dc se non indispensabile, per ultima la 230V che utilizzo solo come ultima chance, anche se sono in campeggio. 
​​​​​​
​​​​
Adria Coral Compact, il camper coupè
8
campier65
campier65
04/05/2017 164
Rispondi Abuso
Inserito il 22/01/2026 alle: 20:58:06
In risposta al messaggio di Emme48 del 22/01/2026 alle 19:08:46

La spiegazione elettronica non può essere sempre banale... Esiste un particolare scenario con certi componenti che, abbinati ad uno specifico guasto, possono far arrivare sull'impianto una tensione elevata. Questo tipo
di (raro) guasto faceva bollire le BS al piombo, ma essendo cosa rara la consuetudine non prevedeva contomisure impiantistiche, quando succedeva era colpa del destino... Con le litio abbinate a un PWM io credo che ci sia un possibile rischio, la batteria non bolle perchè il BMS la protegge, nesun problema per le utenze collegate sotto centralina, ma inverter e riscaldatori a gasolio sono esposti. C'è qualcosa che non ti torna in quello schema?
...
 No figurati:-) non ho le competenze tecniche per interpretare uno schema elettronico. Ero un po' fuori strada tra le due esposizioni. Il pwm con il possibile guasto che danneggerebbe molte componenti a prescindere e l'accoppiata pwm litio, sono andato un po' in confusione.
Credo pure che se queste problematiche avessero assunto una percentuale degna di nota avrebbero aggiustato il tiro aumentando la sicurezza (spero) :-).
Se il guasto (raro come da te detto) dovesse accadere avrei danni all' inverter (che magari ha una protezione da sovraccarichi. Il riscaldatore non è a gasolio il mio). Conti in tasca (se non prende fuoco tutto il van) e un costo minore...
Rileggo il tuo post e mi vengono altri incomprensioni, hai scritto nessun problema per le utenze sotto centralina ma inverter & posso subire danni in pratica. La il connettore del pwm entra direttamente nella centralina, non sarebbe la prima a subire?
Burstner City Car 600 130cv......

Modificato da campier65 il 22/01/2026 alle 22:43:23
16
mimmo69
mimmo69
21/09/2009 4971
Rispondi Abuso
Inserito il 22/01/2026 alle: 21:06:01
In risposta al messaggio di Steu851 del 22/01/2026 alle 20:45:47

Scusa, chissà perché mi ero messo in testa che fosse vecchio, visto che il mio aveva lo stesso pannello e regolatore (come marchio) ed è del 2009 (ma l'ho acquistato nel 2018 e non so quando effettivamente è stato montato). 
Togliere il pannello? È una eresia, ti garantiscono autonomia energetica, solo che per la batteria che hai messo è troppo piccolo.  Fino ad ora hai avuto poche esigenze, ma scommetto che se hai una compagna nell'equipaggio sarebbe ben contenta di poter usare l'asciugacapelli, o magari ti può far piacere portarti la macchinetta del caffè espresso, la tua batteria non ha problemi a gestire un buon inverter,  supponendo di stare fermo qualche giorno dove non hai la possibilità di allacciarti ad una colonnina, col tuo pannello riusciresti a caricare se va bene 8A, 20 ore di insolazione ideale per ricaricare se sceso al 50%. Per me il fotovoltaico è la fonte primaria di energia, segue l'alternatore ma preferisco disabilitare il dc-dc se non indispensabile, per ultima la 230V che utilizzo solo come ultima chance, anche se sono in campeggio.  ​​​​​​ ​​​​
...
Come sempre le abitudini e le esigenze devono fare le dotazioni.
Al momento, oltre a quel pannellino, ho 2 DCDC da 40A cadauno (col D+ intercettato per avere 0 - 40A - 40B - 80AB), truma D, frigo compressore, nespresso e phon per la signora (e me per la mia lunga barba), TV e carica aspirapolvere, cellulari, PC.... con inverter da 2kw con circuito di priorità, 230v in tutte le prese e differenziale dedicato.

Non sto mai 4gg fermo nello stesso posto e come ho già raccontato, sono stato dal 2 al 6/1 in giro, arrivato a destinazione col SOC 100%, senza attaccarmi alla rete e con i DCDC spenti, caffè, tv, frigo, truma e sono tornato al casa con 50% di 300Ah di litio ancora disponibili. Tutto in giorni di pioggia (ahimè!), Ho acceso un solo DCDC per un'oretta al ritorno per lasciare il mezzo in rimessaggio col 65-70% di SOC

Credo che tutto quadri alla perfezione NEL MIO CASO.

Ecco perchè l'eventuale cambio del regolatore lo farei solo per una questione di sicurezza dell'impianto (che voglio capire bene se serve o no) e non per una miglior carica.

Il giorno che diventerò stanziale, lo farò in camping se non AA, collegato alla rete. Ma forse non avrò più il VAN.

Ecco perchè dico: se devo diventare ***** per un pannellino, piuttosto lo tolgo, non perchè aprioristicamente non ne valuto l'utilità. Tutto è utile, ma solo se serve.

Quindi torniamo all'inizio. La mia configurazione è sicura o no? Serve o no spendere 130 euro per un Wmarine 10 che, con l'occasione, mi garantirebbe forse qualche A in più al giorno?
Viaggio su Mobilvetta Admiral K6.3 2025 Fiat Ducato 2.2/180 aut. Heavy
8
campier65
campier65
04/05/2017 164
Rispondi Abuso
Inserito il 22/01/2026 alle: 21:06:43
In risposta al messaggio di Steu851 del 22/01/2026 alle 19:38:19

Semplicemente I pwm sono nati prima, quando fai montato quel pannello l'mppt o non esisteva o costava molto. Quel pannello e quel regolatore hanno un rendimento molto basso, un buon pannello da 120 W moderno con regolatore mpptt è un buon 20% più piccolo e produce più corrente.  ​​​​​​
Non sono d'accordo. Anche all'epoca gli mttp c'erano eccome da anni. Erano scelte basate sui costi e sulla potenza del pannello niente di più. Se fosse come dici te non vedresti un pwm in commercio invece ce ne sono...pochi ma ci sono:-) e alcuni sono compatibili con le litio. Alla fine basta scrivere dei codici nei loro firmware e modificare le curve di carico, mantenimento etc.
Burstner City Car 600 130cv......
SostaGruppiCompagniItaliaEsteroMarchiMeccanicaCellulaAccessoriEventiLeggiComportamentiDisabiliIn camper perAltro CamperAltroExtra
167k Facebook
343k Instagram
42,6k TikTok
73,3k Youtube
CamperOnLine - Copyright © 1998-2026 - P.Iva 06953990014
Informativa privacy
Loading...

Accedi

Recupera Password
Nuovo utente

Vuoi eliminare il messaggio?

Sottoscrizione

Anteprima

PREFERENZA

Il messaggio è in fase di inserimento.

loading

CamperOnLine

Buongiorno gentile utente,

da oltre 20 anni Camperonline offre gratuitamente tutti i suoi servizi
grazie agli inserzionisti che ci hanno dato la loro fiducia, permettici di continuare il nostro lavoro disattivando il blocco delle pubblicità.

Grazie della collaborazione.

Azione eseguita con successo

Azione Fallita

Condividi

Condividi questa pagina con:

O copia il link