CamperOnLine
  • Camper
    • Camper usati
    • Camper nuovi
    • Produttori
    • Listino
    • Cataloghi
    • Concessionari e rete vendita
    • Noleggio
    • Van
    • Caravan
    • Fiere
    • Rimessaggi
    • Le prove di CamperOnLine
    • Provati da voi
    • Primo acquisto
    • Area professionisti
  • Accessori
    • Accessori e Prodotti
    • Camping Sport Magenta accessori
    • Produttori
    • Antenne TV
    • Ammortizzatori
    • GPS
    • Pneumatici
    • Rimorchi
    • Provati da Voi
    • Fai da te
  • Viaggi
    • Diari di viaggi in camper
    • Eventi
    • Foto
    • Check list
    • Traghetti
    • Trasporti
  • Sosta
    • Cerca Strutture
    • Sosta
    • Aree sosta camper
    • Campeggi
    • Agriturismi con sosta camper
    • App Camperonline App
    • 10 Consigli utili per la sosta
    • Area strutture
  • Forum
    • Tutti i Forum
    • Sosta
    • Gruppi
    • Compagni
    • Italia
    • Estero
    • Marchi
    • Meccanica
    • Cellula
    • Accessori
    • Eventi
    • Leggi
    • Comportamenti
    • Disabili
    • In camper per
    • Altro Camper
    • Altro
    • Extra
    • FAQ
    • Regolamento
    • Attivi
    • Preferiti
    • Cerca
  • Community
    • COL
    • CamperOnFest
    • Convenzioni Convenzioni
    • Amici
    • Furti
    • Informativa Privacy
    • Lavoro
  • COL
    • News
    • Newsletter
    • Pubblicità
    • Contatto
    • Ora
    • RSS RSS
    • Video
    • Facebook
    • Instagram
  • Magazine
  • Italiano
    • Bienvenue
    • Welcome
    • Willkommen
  • Accedi
CamperOnLine
Camping Sport Magenta
  1. Forum
  2. Tecnica
  3. Accessori
Galleria

Per il mio amico Marcucciolo

Rispondi
Cerca
Berger Camping
SostaGruppiCompagniItaliaEsteroMarchiMeccanicaCellulaAccessoriEventiLeggiComportamentiDisabiliIn camper perAltro CamperAltroExtra
1 20 15
19
Topolone
Topolone
rating

19/12/2006 12096
Rispondi Abuso
Inserito il 01/02/2018 alle: 23:18:14
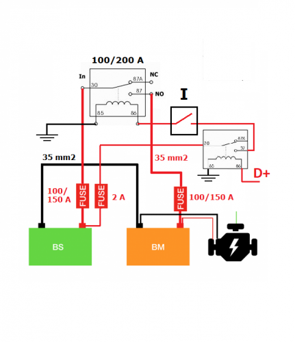
Pensaci bene ...favoloso...quasi gratis ...testato yes

Parallelatore%20con%2035%20mm2%202%20rel%C3%A8.png
18
marcucciolo
marcucciolo
rating

18/12/2007 9053
Rispondi Abuso
Inserito il 01/02/2018 alle: 23:23:29
In risposta al messaggio di Topolone del 01/02/2018 alle 23:18:14

Pensaci bene ...favoloso...quasi gratis ...testato
Eiiii ...ovvio eri senza lavoro e ti annoiavi cheeky

Ecco a cosa ti serviva il D+ laugh



Mar..cucciolowink
19
Topolone
Topolone
rating

19/12/2006 12096
Rispondi Abuso
Inserito il 01/02/2018 alle: 23:37:14
In risposta al messaggio di marcucciolo del 01/02/2018 alle 23:23:29

Eiiii ...ovvio eri senza lavoro e ti annoiavi  Ecco a cosa ti serviva il D+  Mar..cucciolo
Corrente assorbita dalla  BS passata istantaneamente da 20 A a 40 A solo pigiando l'interruttore con motore al minimo e BS carica.

Screenshot_20171130-210155(1).png

Un Lucano ? wink
20
Grinza
Grinza
rating

16/02/2006 63895
Rispondi Abuso
Inserito il 01/02/2018 alle: 23:44:03
In risposta al messaggio di Topolone del 01/02/2018 alle 23:18:14

Pensaci bene ...favoloso...quasi gratis ...testato
Credo che poteva essere fatto con un relé solo...Peró va benissimo anche cosí.
Poi un giorno mi spiegherai tutta questa necessità di corrente....laugh
Il problema non è la gente che non comprende ma la gente che giudica quello che nemmeno comprende
19
Topolone
Topolone
rating

19/12/2006 12096
Rispondi Abuso
Inserito il 02/02/2018 alle: 00:33:36
In risposta al messaggio di Grinza del 01/02/2018 alle 23:44:03

Credo che poteva essere fatto con un relé solo...Peró va benissimo anche cosí. Poi un giorno mi spiegherai tutta questa necessità di corrente....
Si, Antonio, hai ragione ...
1 relè solo può bastare anche se devi tenere presente che la bobina del relè da 200 A consuma circa 600 mA che non sono pochi per cui un altro piccolo relè non è malaccio ed evita di prelevare i 600 mA sulla linea del D+.
Necessità di corrente ? tutti litigano per questo... ci sono apparecchiature che costano migliaia di € , bruciano litri e litri di gasolio e/o metanolo per  produrre pochi amperora.

,a mio avviso tecnicamente interessanti, obiettivi  e istruttivi,  quando esistono "alternative" valide  ( con determinati impianti ... ho scritto in specifico per Marco che ha BS al litio ) realizzabili con costo quasi nullo ...
 
Asturia, Cantabria e Paesi Baschi in cam
Asturia, Cantabria e Paesi Baschi in cam
Sala Silvergruva, la miniera d'argento
Sala Silvergruva, la miniera d'argento
Folgaria d’inverno in camper
Folgaria d’inverno in camper
Francia 2025
Francia 2025
Eksjo, la città di legno
Eksjo, la città di legno
Previous Next
18
marcucciolo
marcucciolo
rating

18/12/2007 9053
Rispondi Abuso
Inserito il 02/02/2018 alle: 00:51:37
In risposta al messaggio di Topolone del 02/02/2018 alle 00:33:36

Si, Antonio, hai ragione ... 1 relè solo può bastare anche se devi tenere presente che la bobina del relè da 200 A consuma circa 600 mA che non sono pochi per cui un altro piccolo relè non è malaccio ed evita di prelevare
i 600 mA sulla linea del D+. Necessità di corrente ? tutti litigano per questo... ci sono apparecchiature che costano migliaia di € , bruciano litri e litri di gasolio e/o metanolo per  produrre pochi amperora. ,a mio avviso tecnicamente interessanti, obiettivi  e istruttivi,  quando esistono alternative valide  ( con determinati impianti ... ho scritto in specifico per Marco che ha BS al litio ) realizzabili con costo quasi nullo ...  
...
Gabriel ,

adesso grazie anche a noi ci prendono per il XXXX anche con le batterie al litio 

Hai visto che prezzi ?

Poi non possono fare questo , non possono fare quell altro ...non possono fare le batterie surpriselaugh

Comunque io sono sempre più furbo di tutti voi , ho ripristinato l impianto originale del concessionario

..ricarico con caricabatterie alimentato a batterie e inverter cheekycheekycheekylaughlaughlaughlaughlaughlaughlaugh


Mar..cucciolowink

Modificato da marcucciolo il 02/02/2018 alle 00:59:31
19
Topolone
Topolone
rating

19/12/2006 12096
Rispondi Abuso
Inserito il 04/02/2018 alle: 16:46:42
In risposta al messaggio di marcucciolo del 02/02/2018 alle 00:51:37

Gabriel , adesso grazie anche a noi ci prendono per il XXXX anche con le batterie al litio  Hai visto che prezzi ? Poi non possono fare questo , non possono fare quell altro ...non possono fare le batterie  Comunque
io sono sempre più furbo di tutti voi , ho ripristinato l impianto originale del concessionario ..ricarico con caricabatterie alimentato a batterie e inverter  Mar..cucciolo
...
Io ricarico con il mostriciattolo cheeky

 

Cosi faccio contento Tommaso che ha chiesto un video wink

Se vogliamo dirla tutta ho comprato il generatore prima di fare la modifica al mio impianto elettrico simile a quella suggerita qui sopra.
Visti i risultati potevo risparmiarmi il generatore .
Il motore al minimo rompe meno e carica di più.
Diciamo che con il mostriciattolo posso sparare 22 ampere in più dei 40 che arrivano dall'alternatore.
66 ampere diventano una carica quasi veloce.
Mancherebbero diciamo una 30 di ampere ... giusti giusti quelli di un bel Victron Blue Smart Charger da 30 A.

ip22_10.jpg

Prima o poi lo faccio mio.... tanto ho già il camper pieno di cose inutili  cheeky

 

Modificato da Topolone il 04/02/2018 alle 17:05:10
16
calasci
calasci
29/08/2009 10409
Rispondi Abuso
Inserito il 04/02/2018 alle: 16:49:37
In risposta al messaggio di Topolone del 04/02/2018 alle 16:46:42

Io ricarico con il mostriciattolo   Cosi faccio contento Tommaso che ha chiesto un video Se vogliamo dirla tutta ho comprato il generatore prima di fare la modifica al mio impianto elettrico simile a quella suggerita
qui sopra. Visti i risultati potevo risparmiarmi il generatore . Il motore al minimo rompe meno e carica di più. Diciamo che con il mostriciattolo posso sparare 22 ampere in più dei 40 che arrivano dall'alternatore. 66 ampere diventano una carica quasi veloce. Mancherebbero diciamo una 30 di ampere ... giusti giusti quelli di un bel Victron Blue Smart Charger da 30 A. Prima o poi lo faccio mio.... tanto ho già il camper pieno di cose inutili    
...
Cos'è ?
18
marcucciolo
marcucciolo
rating

18/12/2007 9053
Rispondi Abuso
Inserito il 04/02/2018 alle: 17:33:24
In risposta al messaggio di Topolone del 04/02/2018 alle 16:46:42

Io ricarico con il mostriciattolo   Cosi faccio contento Tommaso che ha chiesto un video Se vogliamo dirla tutta ho comprato il generatore prima di fare la modifica al mio impianto elettrico simile a quella suggerita
qui sopra. Visti i risultati potevo risparmiarmi il generatore . Il motore al minimo rompe meno e carica di più. Diciamo che con il mostriciattolo posso sparare 22 ampere in più dei 40 che arrivano dall'alternatore. 66 ampere diventano una carica quasi veloce. Mancherebbero diciamo una 30 di ampere ... giusti giusti quelli di un bel Victron Blue Smart Charger da 30 A. Prima o poi lo faccio mio.... tanto ho già il camper pieno di cose inutili    
...
E poi ...non fa neanche tanto rumore se piazzato dentro al camper del vicino laughlaughlaugh



Mar..cucciolowink
19
Topolone
Topolone
rating

19/12/2006 12096
Rispondi Abuso
Inserito il 04/02/2018 alle: 17:47:47
In risposta al messaggio di marcucciolo del 04/02/2018 alle 17:33:24

E poi ...non fa neanche tanto rumore se piazzato dentro al camper del vicino  Mar..cucciolo
Idea geniale yes smiley
19
Topolone
Topolone
rating

19/12/2006 12096
Rispondi Abuso
Inserito il 04/02/2018 alle: 17:48:50
In risposta al messaggio di calasci del 04/02/2018 alle 16:49:37

Cos'è ?

http://www.ebay.it/itm/Generato...

17
ciaospenk
ciaospenk
29/10/2008 443
Rispondi Abuso
Inserito il 04/02/2018 alle: 18:02:43
Scusa la mia ignoranza bello il disegno ma a cosa serve?e se si può sapere come lo hai costruito laugh
Stefano
Argomenti recenti dal forum
Accessori
Dcdc victron Shunt victron
Buona sera a tutti, volevo chiedervi una curiosità, A motore acceso ...
fabriroma69
Oggi alle 19:43
Marchi
UN Parere su Fleurette Migratour 73LJ
Ragazzi gentilmente mi date un vostro parere su questo marchio poco ...
icaro2002
Oggi alle 18:15
Accessori
Porta bici per Rimor Europeo 72
Salve mi sapete consigliare un porta bici per il Rimor Europeo 72 de...
alex01
Oggi alle 14:02
Meccanica
Manuale riparazione sofim 35.8
buon giorno a tutti.. sn in procinto di rifare motore sofim 8140.07 ...
luciohd
Oggi alle 12:50
Aree di sosta e campeggi
Lago di Resia
Buongiorno sapete indicarmi dove sostare per visitare lago Di Resia ...
Arcasuper640
Oggi alle 10:34
Cellula abitativa
Camper nuovi con serbatoio nere nautico
Un saluto a tutti, sul mio attuale arca è installato un sistema spee...
riccardo23
Ieri alle: 17:42
Accessori
Trasferire molti ah da BS a BM
Una volta sono rimasto senza alternatore a circa due ore da casa era...
gianninotopo
Ieri alle: 13:22
Cellula abitativa
pulizia oblo bagno impossibile
Buongiorno a tutti, ho un Hymer Camp GT544 mansardato del 2005. Il b...
Ceschi1984
Ieri alle: 11:53
Cellula abitativa
Comando Cp plus su Combi 6002
Buongiorno a tutti,volevo sapere se si può montare il comando cp plu...
Rickyge
19/03/26 - 16:00
Viaggi all'estero
Vignette/telepass oltre 35q in Cechia e Polonia
Buongiorno a tutti, stavo programmando un viaggio per vedere la Polo...
biomax
19/03/26 - 14:09
Cellula abitativa
Sportello presa cee
Lo sportello della presa del mio veicolo è mal ridotta, un paio di c...
gianninotopo
19/03/26 - 11:10
Altro sui camper
camper puro, furgonato x usarlo anche per lavori
buongiorno, mi frulla in testa la voglia anche se non per quest'anno...
vespucci
19/03/26 - 09:04
Altro sui camper
Cerco rimessaggio Arenzano,Genova,Savona,masone ec
Aiutoooo cerco rimessaggio nel raggio di 50km da Arenzano… grazie an...
Lelle007
19/03/26 - 01:19
Accessori
domanda secca su lifepo4
buonaser a tutti, prossimamente vorrei acquistare un box batteria d...
AlbertoPD
18/03/26 - 23:08
Cellula abitativa
Caricabatterie e colonnina 220v
Buonasera, non mi era mai capitato oppure non ci avevo fatto caso. S...
323232
18/03/26 - 20:17
18
marcucciolo
marcucciolo
rating

18/12/2007 9053
Rispondi Abuso
Inserito il 04/02/2018 alle: 19:02:05
In risposta al messaggio di ciaospenk del 04/02/2018 alle 18:02:43

Scusa la mia ignoranza bello il disegno ma a cosa serve?e se si può sapere come lo hai costruito 
Ciao , 

serve* a bypassare l impianto originale di ricarica del mezzo semplicemente spostando un interruttore  ( I )  , così facendo la ricarica aumenta vertiginosamente , nel SUO CASO addirittura del 100% , il tutto a costo irrisorio invece di tanti accrocchi messi in commercio e venduti a prezzi da gioielleria e ..dal funzionamento spesso discutibile frown

..geniale nella sua semplicità  


* Non serve a nulla a chi possiede un mezzo " normale " con un impianto energetico " normale " ( comuni batterie al piombo ) , e che comunque funziona 

Ps. Il " circuitino " permette alla corrente di fluire molto più facilmente e se in possesso di un generatore performante ( gli alternatori odierni arrivano a 200A ) , possono anche diventare pericolosi , insomma per chi non sa cosa fa e come funzionano le cose frown


Mar..cucciolowink
17
ciaospenk
ciaospenk
29/10/2008 443
Rispondi Abuso
Inserito il 04/02/2018 alle: 20:13:57
Io non mi cimento di sicuro in una impresa così laugh  Mi accontento se riesco a far funzionare bene il mio impianto normale,però mi piace conoscere cose nuove e ingegnoseyeslaugh
Stefano
20
Grinza
Grinza
rating

16/02/2006 63895
Rispondi Abuso
Inserito il 06/02/2018 alle: 07:13:10
In risposta al messaggio di ciaospenk del 04/02/2018 alle 18:02:43

Scusa la mia ignoranza bello il disegno ma a cosa serve?e se si può sapere come lo hai costruito 
A far diventare matto Gabriel...laugh
La sera per spegnere il camper deve spuntare la check list, tipo Airbus 380
Un giorno gli nascondo tutti i fusibili...

Certo é che 3 cavi da 35 mm2 sono difficili da far passare da BM a BS altriment mettevo 4 fusibili in piú e facevo un prova...
Il problema non è la gente che non comprende ma la gente che giudica quello che nemmeno comprende

Modificato da Grinza il 06/02/2018 alle 07:27:42
20
Grinza
Grinza
rating

16/02/2006 63895
Rispondi Abuso
Inserito il 11/02/2018 alle: 14:14:26
Ma visto che porto sempre con me lo scooter, invece che portarmi dietro il generatore da 980 VA non potrei far caricare le batterie dallo scooter?
L’SH ha l’alternatore, prendo la scossa direttamente dal B+ e con qualche accrocchio elettronico lo porto a 12 volt.
È fattibile? Quanti amper da l’alternatore, non riesco a trovarlo..
Il problema non è la gente che non comprende ma la gente che giudica quello che nemmeno comprende
SostaGruppiCompagniItaliaEsteroMarchiMeccanicaCellulaAccessoriEventiLeggiComportamentiDisabiliIn camper perAltro CamperAltroExtra
167k Facebook
343k Instagram
42,6k TikTok
73,3k Youtube
CamperOnLine - Copyright © 1998-2026 - P.Iva 06953990014
Informativa privacy
Loading...

Accedi

Recupera Password
Nuovo utente

Vuoi eliminare il messaggio?

Sottoscrizione

Anteprima

PREFERENZA

Il messaggio è in fase di inserimento.

loading

CamperOnLine

Buongiorno gentile utente,

da oltre 20 anni Camperonline offre gratuitamente tutti i suoi servizi
grazie agli inserzionisti che ci hanno dato la loro fiducia, permettici di continuare il nostro lavoro disattivando il blocco delle pubblicità.

Grazie della collaborazione.

Azione eseguita con successo

Azione Fallita

Condividi

Condividi questa pagina con:

O copia il link