In risposta al messaggio di qwertyz del 15/02/2022 alle 13:01:54Certo che può incidere, se il costruttore dà delle specifiche vanno rispettate.
Ripeto pero' impianto originale della casa...in realta' scorrendo il manuale 121525 ci sono delle installazioni che nn prevedono questo collegamento...il problem ach eil concessionario e' a 1500km ma il problema che funziona tutto ma arriva poca tensione...tu dici che questo negativo possa incidere?
In risposta al messaggio di MisterX1 del 15/02/2022 alle 14:11:01Nessuno ha detto che il frigo è alimentato dalla BS.
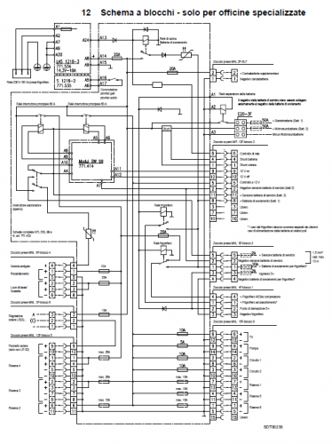
Ripeto per la centralina EBL 99 il frigo non viene alimentato dalla BS, evidenziato in Giallo il percorso della BM in viola il d+ che attiva il relè, non sono un esperto però mi pare sia cosi agli esperti la parola.
In risposta al messaggio di MisterX1 del 15/02/2022 alle 14:41:07Non si tratta dei pochi mA per alimentare la scheda ma del fatto che tutta la corrente che arriva alla centralina è 25A.
Avevo inteso male. Non penso che quel poco di elettronica possa influire sull'abbattimento di 20A alla BS passando da 25A nominali del DC DC a sole 5A.
In risposta al messaggio di Szopen del 15/02/2022 alle 14:53:12No per me non è cosi, la corrente per il frigo arrivo dal cavo nel blocco 2 limitato a 20A dal fusibile più che sufficienti per alimentare il frigo.
Non si tratta dei pochi mA per alimentare la scheda ma del fatto che tutta la corrente che arriva alla centralina è 25A. Ora la centralina queste 25A che gli pervengono dall'alternatore ma a mezzo del DC-DC WA 121525, ledeve disporre a mò di torta e durante il viaggio, chiamare intorno a sé i suoi bambini e dividere la torta, i bambini sono il frigo 15A che essendo il più grande prende la fetta più grossa (ingordo!), la pompa acqua, le luci e le prese12V 5A, la BS 5A. Con tre fette è finita la torta . Ciro.
.png)
In risposta al messaggio di MisterX1 del 15/02/2022 alle 16:29:31Mi spieghi il blocco 2 dove prende la corrente per alimentare il frigo?
No per me non è cosi, la corrente per il frigo arrivo dal cavo nel blocco 2 limitato a 20A dal fusibile più che sufficienti per alimentare il frigo. Quello del DC DC arriva doce si trova il fusibile da 50 A, pèer questodico hanno due percorsi separati evuidenziato in giallo il collegamento ingresso BM per Frigo e poi il DC DC passa per i collegamenti sul retro della centralina. Secondo me però ripeto non sono un esperto.
Dalla batteria motore:
In risposta al messaggio di Szopen del 15/02/2022 alle 14:27:18SI CAPISCO...EFFETTIVAMENTE CHE UN TERZO SCHEMA PERO' previsto x chi non ha centralina ebl che prevede il montaggio del4 e 5 filo...cmq provero anche quello che mi hai detto ma ripeto e' anomalo che sbaglino su un mezzo nuovo...la cosa strana che oggi a motore spento avevo in ingresso alla centralina 12,2v che e' piu' o meno quello che ho realmente ai capi della bm e dove ieri invece a motore acceso avevo 12v!! pero' se fosse l'aternatore dovrei avere sul display del ducato una spia di errore...stasera controllero meglio faccio un po' di misure...
Certo che può incidere, se il costruttore dà delle specifiche vanno rispettate. Nel manuale del WA121525 sono riportati gli schemi con gli opportuni collegamenti da fare, i primi 2 schemi, mostrano proprio i collegamentialla centralina EBL, il primo schema, riporta i collegamenti dei cavi, a loro sezione ed fusibili da adottare, avendo BM e BS molto distanti tra loro ad esempio, è presumibile che le masse siano separate e non connesse al telaio, allora adotterò detto schema. Il secondo schema, prevede un collegamento con batterie BM-BS tra loro vicine e con massa in comune e/o al telaio ed è dunque possibile in questo caso, portare un'unico cavo da 16 mm2, al terzo morsetto da sinistra (il primo dei 3 sotto le voci AUSGANG WB / EBL). Ora col tester impostato su continuità o diodo, stacca quel cavo dal quarto morsetto, metti un puntale sullo stesso, metti l'altro puntale sui poli negativi delle batteria, prima sulla BM poi sulla BS, se in entrambi casi rilevi la continuità, collegalo al terzo morsetto del DC-DC. Il collegamento delle masse nei dispositivi non sempre è uguali, c'è un'elettronica che deve funzionare, ma questo, accade solo se vengono rispettate le indicazioni date dal costruttore, anche se il terzo ed il quarto morsetto hanno indicato il segno negativo ( - ) non è detto che funzionino allo stesso modo. Ciro.
In risposta al messaggio di qwertyz del 15/02/2022 alle 17:33:16Ok ma, tieni in forte considerazione quanto suggerito da Guidor, il tuo camper è di una grossa azienda, ci dev'essere un'officina dove rivolgersi nelle tue vicinanze, prova a contattare la casa madre vedrai che sapranno indirizzarti loro.
SI CAPISCO...EFFETTIVAMENTE CHE UN TERZO SCHEMA PERO' previsto x chi non ha centralina ebl che prevede il montaggio del4 e 5 filo...cmq provero anche quello che mi hai detto ma ripeto e' anomalo che sbaglino su un mezzo nuovo...lacosa strana che oggi a motore spento avevo in ingresso alla centralina 12,2v che e' piu' o meno quello che ho realmente ai capi della bm e dove ieri invece a motore acceso avevo 12v!! pero' se fosse l'aternatore dovrei avere sul display del ducato una spia di errore...stasera controllero meglio faccio un po' di misure...
In risposta al messaggio di qwertyz del 15/02/2022 alle 17:44:19In Sicilia??
purtroppo no io sto in sicilia il primo rif e' a 700km e poi francamente non penso le officine medie siano cosi' preparate ...
In risposta al messaggio di guidor del 15/02/2022 alle 15:37:49guidor e' vero ma non puo' fare miracoli: con motore acceso devo avere almeno 13 v ed elevo a 14,4 se ne ho 12v secondo me e' normale che il dc dc lavori fuori dalle specifiche e quindi non ce la faccia...
Tu hai detto che in uscita dal dcdc non ci sono 14,4 V. Il dcdc è fatto apposta per prendere i12v ed elevarli ad oltre 14. Recupera l'energia necessaria aumentando la corrente richiesta in ingresso e diminuendolain uscita. Se non riesce a farlo non sta lavorando correttamente, qualunque sia il motivo. capisco che sia un grosso problema ma devi valutare tu se avere problemi quasi certi di riconoscimento della garanzia oppure affrontare i 1500km e il disagio di avere il veicolo fermo per lungo tempo (raramente i problemi vengono affrontati in giornata, più facile che servano settimane o mesi anche per cose banali). potresti provare rivolgerti ad altro concessionario del marchio più vicino a te o ancora sentire la casa madre. Se infine decidi di procedere da solo fai attenzione perchi guasti elettrici possono essere difficili da trovare e molto insidiosi... (ad esempio una massa ballerina nascosta chissà dove) e comunque non escludere il malfunzionamento dell'alternatore o del dcdc solo perché nuovi. Se ne sei in grado potresti analizzare il buon funzionamento del dcdc a banco, o analizzare il segnale in uscita dal regolatore dell'alternatore O come fanno alcune officine provarencon circa 200 eur a cambiarlo e vedere se risolvi, a volte costa meno che la ricerca del guasto
In risposta al messaggio di Szopen del 15/02/2022 alle 17:22:36Secondo me si e lo schema che ho postato lo conferma chiaramente.
Per cui secondo te, c'è un cavo che parte dalla batteria motore e và al blocco 2 della centralina ed alimenta un frigo a mezzo di una resistenza da quasi 200 watt? Te lo chiedo perché la batteria motore non è collegata direttamente alla centralina, guarda bene lo schema da me postato. Ciro.
In risposta al messaggio di qwertyz del 15/02/2022 alle 17:48:32Assolutamente si il problema potrebbe essere nel cavo che collega BM e DC DC.
guidor e' vero ma non puo' fare miracoli: con motore acceso devo avere almeno 13 v ed elevo a 14,4 se ne ho 12v secondo me e' normale che il dc dc lavori fuori dalle specifiche e quindi non ce la faccia...
In risposta al messaggio di MisterX1 del 15/02/2022 alle 17:59:14Pensavo che i cavi da te indicati al Blocco 2 fossero quelli che vanno al frigo per alimentarlo anche perché non ne vedo altri.
Secondo me si e lo schema che ho postato lo conferma chiaramente. Il blocco 2 esattamente il numero 1 è collegato alla BM. Lo schema cui ti riferisci collega la batteria al retro della centralina è un altro cavo non socome spiegarmi meglio. La Bm arriva nella parte evidenziata con il d+ che apre un altro relè e parallela BM e BS Lo schema parla chiaro ci sono tutti i collegamento, basta seguire la linea non è difficle il d+ chiude il relè e ...