In risposta al messaggio di gduca del 18/01/2017 alle 08:46:10
Gentile Cinquantuno, ti ricordi per caso come si smonta il pannellino senza fare danni così giro il suggerimento?
Vado a memoria, è semplicemente messo ad incastro, tanto è vero che non si vedono viti.
In risposta al messaggio di gduca del 17/01/2017 alle 20:18:30
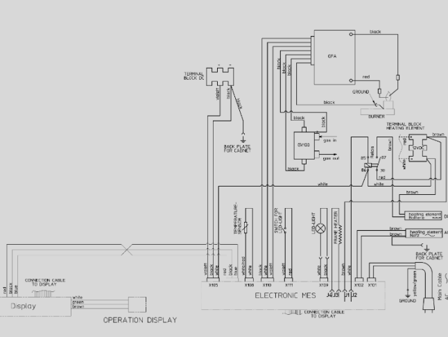
Sto scrivendo per aiutare un amico che è fuori dall'Italia ed al quale il frigorifero Dometic RDM 8505 AES (ultimo modello) si è spento totalmente ed all'improvviso. Da quello che mi dice non si accende nulla del pannelloe non si riesce a farlo funzionare con nessuna fonte di alimentazione. Secondo me, per un difetto così, l'unica cosa che può essere successa è un fusibile generale. Quelli del quadro di distribuzione della centralina del camper sono tutti integri, quindi presumo che vi debba essere qualche fusibile all'interno del frigorifero. Nel modello precedente era dietro il pannellino di controllo ma questo è molto diverso e non si capisce neppure come arrivare nella zona dove c'è il pannello di comando. Cercando su internet i cavi dell'alimentazione generale 12V dovrebbero arrivare nel retro, in prossimità della griglia di aerazione, zona bruciatore ecc... Qualcuno conosce bene questo modello di frigorifero (non le versioni precedenti grazie) e può aiutare a cercare il benedetto fusibile così lo sventurato può proseguire il viaggio?
Ciao, all'interno del frigorifero non ci sono fusibili, c'e' solo una scheda con i display e i pulsanti, da qui parte un cavo flat che arriva alla centralina vera e propria (vedi la foto postata da scubidu) accessibile dalla griglia esterna. Troverai un fusibile rapido da 1A.
http://www.rvsupplies.co.nz/fil...
