CamperOnLine
  • Camper
    • Camper usati
    • Camper nuovi
    • Produttori
    • Listino
    • Cataloghi
    • Concessionari e rete vendita
    • Noleggio
    • Van
    • Caravan
    • Fiere
    • Rimessaggi
    • Le prove di CamperOnLine
    • Provati da voi
    • Primo acquisto
    • Area professionisti
  • Accessori
    • Accessori e Prodotti
    • Camping Sport Magenta accessori
    • Produttori
    • Antenne TV
    • Ammortizzatori
    • GPS
    • Pneumatici
    • Rimorchi
    • Provati da Voi
    • Fai da te
  • Viaggi
    • Diari di viaggi in camper
    • Eventi
    • Foto
    • Check list
    • Traghetti
    • Trasporti
  • Sosta
    • Cerca Strutture
    • Sosta
    • Aree sosta camper
    • Campeggi
    • Agriturismi con sosta camper
    • App Camperonline App
    • 10 Consigli utili per la sosta
    • Area strutture
  • Forum
    • Tutti i Forum
    • Sosta
    • Gruppi
    • Compagni
    • Italia
    • Estero
    • Marchi
    • Meccanica
    • Cellula
    • Accessori
    • Eventi
    • Leggi
    • Comportamenti
    • Disabili
    • In camper per
    • Altro Camper
    • Altro
    • Extra
    • FAQ
    • Regolamento
    • Attivi
    • Preferiti
    • Cerca
  • Community
    • COL
    • CamperOnFest
    • Convenzioni Convenzioni
    • Amici
    • Furti
    • Informativa Privacy
    • Lavoro
  • COL
    • News
    • Newsletter
    • Pubblicità
    • Contatto
    • Ora
    • RSS RSS
    • Video
    • Facebook
    • Instagram
  • Magazine
  • Italiano
    • Bienvenue
    • Welcome
    • Willkommen
  • Accedi
CamperOnLine
Camping Sport Magenta
  1. Forum
  2. Tecnica
  3. Accessori
Galleria

Temporizzazione attivazione sirena antifurto

Rispondi
Cerca
Berger Camping
SostaGruppiCompagniItaliaEsteroMarchiMeccanicaCellulaAccessoriEventiLeggiComportamentiDisabiliIn camper perAltro CamperAltroExtra Attivi
1 20 0
5
darcan
darcan
27/06/2020 81
Rispondi Abuso
Inserito il 27/03/2022 alle: 10:33:20
Buongiorno a tutti!
Vi chiedo un consiglio su come impostare il suono ritardato della sirena dell'antifurto no touch appena acquistato.
La sirena servirà quando il camper è rimessato in giardino a causa di vicini 'invadenti'! 
L'idea è di far accendere la luce della veranda/interna al primo impulso di allarme (qualcosa di avvicina ad uno dei sensori del mezzo) e di far scattare la sirena solo al terzo impulso di allarme (il segnale di pericolo continua nonostante l'accensione delle luci).
Cosa consigliate di utilizzare?
Grazie mille!

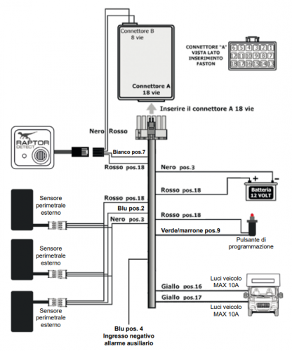
Questo lo schema dei collegamenti
image(3637).png
 
SostaGruppiCompagniItaliaEsteroMarchiMeccanicaCellulaAccessoriEventiLeggiComportamentiDisabiliIn camper perAltro CamperAltroExtra Attivi
Argomenti recenti dal forum
Aree di sosta e campeggi
Sosta libera a Roma (aggiornamento)
Trattandosi di vecchio topic chiuso nel 2016 aggiorno qui. BICICLETTA Non è vero che è pe...
Itinerante15
Oggi alle 02:19
Altro sui camper
Camperizzazione furgone o pulmino?
Buongiorno, sono uno studente e l'anno prossimo sarà il mio ultimo anno di università. Pro...
AleAbba03
Ieri alle: 23:18
In camper per
Passaggio da super sportiva a camper
Buona sera ragazzi .. stavo valutando di vendere la mia amata s1000rr del 2017 per provar...
Mic86
Ieri alle: 23:04
Cellula abitativa
Portata garage Giottilien Sunny 200
Buonasera qualcuno di voi sa quanto porta il garage del GIottiline Sunny 200 ? il garage è...
ciuccio57
Ieri alle: 21:10
Cellula abitativa
Perdita miscelatore
Buoasera, sono stato fuori alcuni giorni e ho constatato che dal miscelatore, esattamente ...
invio
Ieri alle: 19:43
Meccanica
Devioluci Ducato x244
Buonasera a tutti camperisti. So che leggendo il titolo sembra l'ennesimo post ma la mia d...
Loris984
Ieri alle: 18:14
Compagni di viaggio
Cerco compagna di viaggio.
Buongiorno, mi chiamo Ruggiero ho 59 anni freschi freschi e cerco compagna di viaggio lung...
ruggiero
Ieri alle: 17:25
Cellula abitativa
Scorrimento porta bagno Ecovip 100
Ciao, il mio Ecovip 100 ha la porta del bagno scorrevole. Lo scorrimento è diventato poco ...
asimmetrico
Ieri alle: 17:04
Cellula abitativa
Perdita serbatoio grigie
Help, Qualcuno sa come è disposto il collegamento dei tubi lavandino cucina e lavandino ba...
campier65
Ieri alle: 16:56
Meccanica
Come smontare la scatola fusibili Iveco 35C13?
Non trovo il fusibile dell'accendisigari nella scatola sotto al volante. Siccome vedo che ...
asimmetrico
Ieri alle: 16:43
Accessori
Cb cbe516 e' compatibile con Li time320ah ?
Buonasera, sul mio Vw T5 ho fatto un upgrade : batteria Li time mini 320 ah ed Orion XS 50...
audi a6
Ieri alle: 16:36
Aree di sosta e campeggi
Aiuto per scelta camping riviera Marche/Abruzzo
Buonasera a tutti, cerco aiuto per la scelta di un camping direttamente sul mare in zona M...
Ale1812
Ieri alle: 15:44
167k Facebook
343k Instagram
42,6k TikTok
73,3k Youtube
CamperOnLine - Copyright © 1998-2026 - P.Iva 06953990014
Informativa privacy
Loading...

Accedi

Recupera Password
Nuovo utente

Vuoi eliminare il messaggio?

Sottoscrizione

Anteprima

PREFERENZA

Il messaggio è in fase di inserimento.

loading

CamperOnLine

Buongiorno gentile utente,

da oltre 20 anni Camperonline offre gratuitamente tutti i suoi servizi
grazie agli inserzionisti che ci hanno dato la loro fiducia, permettici di continuare il nostro lavoro disattivando il blocco delle pubblicità.

Grazie della collaborazione.

Azione eseguita con successo

Azione Fallita

Condividi

Condividi questa pagina con:

O copia il link