In risposta al messaggio di Hunter85 del 24/10/2022 alle 11:25:13Si chiama terra dove appoggi i piedi, in questo caso il telaio.
Buongiorno a tutti vorrei riproporre un tema già affrontato per avere una risposta definitiva. Io ho un inverter sul camper che di fabbrica viene con neutro totalmente isolato e uscita CA isolata dall' ingresso CC.Ed è tutto in policarbonato isolante. Vi è la possibilità di collegare il neutro alla carcassa metallica dell' inverter con poi l obbligo di collegare il tutto a una messa a terra. Nel caso del camper al telaio che resta isolato da terra. Ora. Collegare il neutro al telaio del mezzo e mettere un differenziale AUMENTA LA SICUREZZA? NIN CAMBIA NULLA? È PIU PERICOLOSO? Premetto che l uso è esclusivamente in sosta libera con camper sulle 4 gomme e non collegato alla terra di una colonnina. A parte un improbabile e pericoloso ponte fase neutro che non si può proteggere, nelle condizioni attuali cosa succede in caso di dispersione della fase su un elettrodomestico metallico e contatto indiretto? Da quello che so io niente. L inverter è isolato dalla massa metallica del Camper e non vi è alcuna possibilità che io possa chiudere il circuito in alcun modo nemmeno toccando il telaio del camper e la fase. Mentre se faccio il collegamento opzionale del neutro inverter al.telaio , posso si mettere un differenziale in grado di intervenire...ma inserisco una possibilità di fare da ponte fase -falsa terra che invece ora non c'è. Quindi ripeto la.domanda. l opzione di collegamento di fabbrica (neutro fluttuante/isolato senza differenziale) è più o meno sicura dell' opzione falsa terra (neutro collegato al telaio del mezzo e differenziale)?? Spero che qualcuno possa chiarirmi definitivamente e a livello pratico reale la questione. Grazie In un mondo dove il male è di casa e ha vinto sempre, Dove regna il capitale, oggi più spietatamente, Riusciranno questo brocco e questo inutile scudiero Al Potere dare scacco e salvare il mondo intero?
http://www.m48.it
In risposta al messaggio di Emme48 del 24/10/2022 alle 13:57:20Scusate dopo leggo il lungo intervento di m48. Nel frattempo vi metto come è collegato il mio inverter. È di fabbrica TOTALMENTE ISOLATO DALLA CARCASSA IN POLICARBONATO E DALLA EMTRATA IN CC .
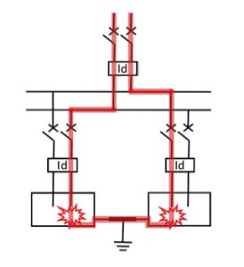
Si chiama terra dove appoggi i piedi, in questo caso il telaio. Lo schema consigliato da tutti i produttori (seri) di inverter prevede il collegamento al telaio di uno dei due fili del 230 Volt (spesso è un ponticello)e un differenziale che solo facendo in quel modo può intervenire. Serve a cautelarsi contro il doppio guasto di terra, evento poco probabile ma possibile, per questo la normativa obbliga a prevederlo. Una alternativa è quella di predisporre un impianto di distribuzione del 230 Vollt da inverter composto solo da (introvabili) prese di tipo C, quelle dove entrano solo le spine di apparecchi in doppio isolamento che non hanno il contatto di terra, i caricacellulari per esempio. Io ho una multipresa di quel tipo che non consente di inserire spine a 3 poli che pretendono il filo terra, in quel modo sono esclusi rischi per le persone anche senza differenziale, però posso alimentare solo apparecchi a 230 Volt con spina bipolare... ma ormai quasi tutti gli apparecchi non hanno più il filo terra. Oppure colleghi una utenza con terra alla Shuko dell'inverter e va bene lo stesso, ma deve essere una sola, in quel caso una dispersione verso il telaio di uno dei 2 fili del 230 Volt è innocua per le persone. Dal mio inverter esco così: Il doppio guasto di terra è escluso. Se invece vuoi alimentare più di un apparecchio dotato di filo terra, allora DEVI installare il differenziale e permettergli di intervenire facendo il ponticello telaio/230 come ti indica il costruttore dell'inverter sul manuale di installazione allegato. L'unica cosa un po' complicata da capire è proprio il doppio guasto di terra, si tratta di un apparecchio dove un filo di alimentazione a 230 Volt viene in contatto con una parte metallica toccabile da una persona. Se questo guasto succede su DUE apparecchi uno dei quali ha la terra non ben collegata, una delle due carcasse metalliche (trapano, frullatore) è a 230 Volt rispetto al telaio del mezzo, cioè dove poggi i piedi. Questo guasto è capace di uccidere, si tratta di un evento estremamente raro, però non impossibile perché il primo guasto passa completamente inosservato, tutto funziona e nessuno prende la scossa, a quel punto è il secondo guasto che crea il problema. La soluzione per collegare in sicurezza due o più apparati che hanno il filo terra (presa a 3 poli) è il differenziale e il collegamento telaio/230 come indicano sulle istruzioni. Marco.
In risposta al messaggio di Emme48 del 24/10/2022 alle 13:57:20Ok Marco quindi nella mia attuale configurazione (uscita CA TOTALMENTE ISOLATA DA TUTTO) con un normale guasto di dispersione della fase su una carcassa metallica di un elettrodomestico non rischio nulla perché ho visto col tester che non passa corrente tra fase e telaio del mezzo.(perché leggo 115v e non passa corrente?).
Si chiama terra dove appoggi i piedi, in questo caso il telaio. Lo schema consigliato da tutti i produttori (seri) di inverter prevede il collegamento al telaio di uno dei due fili del 230 Volt (spesso è un ponticello)e un differenziale che solo facendo in quel modo può intervenire. Serve a cautelarsi contro il doppio guasto di terra, evento poco probabile ma possibile, per questo la normativa obbliga a prevederlo. Una alternativa è quella di predisporre un impianto di distribuzione del 230 Vollt da inverter composto solo da (introvabili) prese di tipo C, quelle dove entrano solo le spine di apparecchi in doppio isolamento che non hanno il contatto di terra, i caricacellulari per esempio. Io ho una multipresa di quel tipo che non consente di inserire spine a 3 poli che pretendono il filo terra, in quel modo sono esclusi rischi per le persone anche senza differenziale, però posso alimentare solo apparecchi a 230 Volt con spina bipolare... ma ormai quasi tutti gli apparecchi non hanno più il filo terra. Oppure colleghi una utenza con terra alla Shuko dell'inverter e va bene lo stesso, ma deve essere una sola, in quel caso una dispersione verso il telaio di uno dei 2 fili del 230 Volt è innocua per le persone. Dal mio inverter esco così: Il doppio guasto di terra è escluso. Se invece vuoi alimentare più di un apparecchio dotato di filo terra, allora DEVI installare il differenziale e permettergli di intervenire facendo il ponticello telaio/230 come ti indica il costruttore dell'inverter sul manuale di installazione allegato. L'unica cosa un po' complicata da capire è proprio il doppio guasto di terra, si tratta di un apparecchio dove un filo di alimentazione a 230 Volt viene in contatto con una parte metallica toccabile da una persona. Se questo guasto succede su DUE apparecchi uno dei quali ha la terra non ben collegata, una delle due carcasse metalliche (trapano, frullatore) è a 230 Volt rispetto al telaio del mezzo, cioè dove poggi i piedi. Questo guasto è capace di uccidere, si tratta di un evento estremamente raro, però non impossibile perché il primo guasto passa completamente inosservato, tutto funziona e nessuno prende la scossa, a quel punto è il secondo guasto che crea il problema. La soluzione per collegare in sicurezza due o più apparati che hanno il filo terra (presa a 3 poli) è il differenziale e il collegamento telaio/230 come indicano sulle istruzioni. Marco.
In risposta al messaggio di Hunter85 del 24/10/2022 alle 18:51:37Ovviamente 115 Volt è la metà di 230 Volt ed è data dai filtri antidisturbo.
Scusate dopo leggo il lungo intervento di m48. Nel frattempo vi metto come è collegato il mio inverter. È di fabbrica TOTALMENTE ISOLATO DALLA CARCASSA IN POLICARBONATO E DALLA EMTRATA IN CC . Ho fatto delle misurazionipratiche. Trovo 115 v tra ognuna delle 2 fasi e il telaio. Così come tra ognuna delle 2nfasi en le linguette di terra delle prese . In casa sarebbe 230. Mi sono detto...ecco se tocco una fase e il telaio del mezzo mi fulmino a 115v facendo ponte tra fase e ferro. Allora ho provato a misurare la corrente in serie. Ebbene NON C'È CORRENTE TRA FASE E TELAIO NELL ATTUALE CONFIGURAZIONE DELL INVERTER VICTRON. questa è la configurazione Io se faccio la modifica e metto una fase in contatto con carcassa e telaio e quindi con cavo di terra mi ritrovo a creare una possibilità di ponte tra fase e telaio del mezzo. Ok questo permette dinfar intervenire un differenziale e una dispersione della fase preferirebbe ritornare al neutro verso il cavo di terra e non attraverso di me. Ma se lascio tutto come sta non vi è proprio alcuna possibilità di chiudere il circuito tra la fase e il telaio/neutro perché il neutro ora è flottante e isolato da tutto.! correggetemi se sto sbagliando ragionamento. Attualmente l'unica possibilità di prendere corrente è fare ponte tra le 2 fasi. Cosa che resta in ogni caso e in tutti gli impianti del mondo... Non capisco che vantaggio avrei a mettere una fase a telaio e quindi avere una falsa terra dal cavo giallo verde e un differenziale. Mi pare di creare un pericolo e la protezione a tale pericolo. Pericolo che ora non c'è proprio...
http://www.m48.it
In risposta al messaggio di Emme48 del 24/10/2022 alle 19:09:06Ma in realtà victron l inverter lo vende MON PREDISPOSTO PER FAR FUNZIONARE IL RELE DIFFERENZIALE.
Ovviamente 115 Volt è la metà di 230 Volt ed è data dai filtri antidisturbo. Victron dice questo Relè di massa (vedere l'Appendice B) Con questo relè (H), il conduttore neutro dell’uscita in CA viene messo a terrasul telaio ogni volta che il relè di protezione contro il ritorno di energia è aperto. Ciò assicura il corretto funzionamento degli interruttori differenziali dell'uscita. L'elettrotecnica non un'opinione e soprattutto non è alla portata di tutti, o fai come dicono i costruttori (seri) di inverter, o fai fare i lavoro ad uno bravo oppure fai come vuoi te, ma devi conoscere il funzionamento della corrente molto bene per poter contraddire gli ingegneri di una grande azienda come Victron. Dometic dice la stessa cosa, e anche altri...sicuramente le normative europee impongono di attuare una contromisura efficace per prevenire danni alle persone in caso di doppio guasto di terra... Poi se non si sa cos'è un doppio guasto di terra, un potenziale spurio, come funziona un differenziale ecc.. che vuoi che ti dica... Marco.
In risposta al messaggio di Hunter85 del 24/10/2022 alle 21:56:31Non è il guasto che ti frega, ma il doppio guasto di terra, ma solo se hai due apparecchi NON in doppio isolamento con collegamento elettrico con filo terra.
Ma in realtà victron l inverter lo vende MON PREDISPOSTO PER FAR FUNZIONARE IL RELE DIFFERENZIALE. Scrive che solo per certe normative locali predispone la possibilità di creare un neutro vero. Detto questo la mia domandaè: Perché non misuro alcun passaggio di corrente mettendo in corto la fase del victron col telaio del camper? Questo se la logica esiste ancora, significa automaticamente che non c'è alcun rischio in caso di elettrodomestico con fase a contatto con una carcassa metallica e contatto umano tra detta carcassa sotto fase e ferro del mezzo. Manco a piedi nudi bagnati. Non parliamo poi sul pavimento di legno letto e tutto il resto. Altrimenti avrei misurato corrente tra fase e telaio. Cosa che succede a casa mettendo in corto fase e terra. Dettp questo posso benissimo sbagliare nel ragionamento. Ma voglio che mi si spieghi come rimango fulminato e prendo corrente nella configurazione di fabbrica del victron (cioè senza terra e con neutro isolato da tutto). Cioè il perché. E se mi sbaglio. Perché a me sembra di andare a creare una possibilità di ponte fase TELAIO che ora non c'è. Se questo è più sicuro che non avere proprio la possibilità di fare ponte, vorrei capire perché. Ma qua ormai ci mettiamo a giudicare pure la legittimità di una domanda.. Del tipo...secondo me non sei abbastanza degno di una spiegazione.O fai come ti dico o cavoli tuoi. E va beh... Io ho comprato il differenziale e la scatola di protezione... quindi era mio intento farlo,ma sono abituato a ragionare e ragionando e studiando in po' mi è venuto da pensare che possa essere più pericoloso mettere il neutro a telaio. Ripeto.. perché adesso non posso vedere passaggio di corrente tra fase e telaio e questo mi rassicura. Fermo restando che victron l'inverter lo vende isolato e la modifica è solo opzionale. Quindi ci sarà un motivo anche per questo. Poi il forum è pieno di gente se non vuoi abbassarti a spiegare le cose fa niente Lo farà qualcun altro...
http://www.m48.it
In risposta al messaggio di Emme48 del 24/10/2022 alle 22:37:57Perché un differenziale scatti ci deve essere un filo sul telaio PRIMA del differenziale stesso e una persona che "prende la scossa" verso il telaio DOPO il differenziale.
Non è il guasto che ti frega, ma il doppio guasto di terra, ma solo se hai due apparecchi NON in doppio isolamento con collegamento elettrico con filo terra. Succede se due apparecchi elettrici si guastano in un certo modo;quando si guasta il primo non succede nulla, un filo del 230 è al telaio ma sei in una condizione sicura. Il problema è se la carcassa metallica di un secondo oggetto va su un filo del 230 che si ha pericolo. SOLO un differenziale può eliminare il rischio ma SOLO se uno dei due fili sul 230 è al telaio PRIMA del differenziale perché solo così può scattare. Perché un differenziale scatti ci deve essere un filo sul telaio PRIMA del differenziale stesso e una persona che prende la scossa verso il telaio DOPO il differenziale. NON PREDISPOSTO PER FAR FUNZIONARE IL RELE DIFFERENZIALE significa che il ponticello non è presente dalle impostazioni standard di fabbrica, sei te che devi saper fare un impianto protetto se hai un carico composto da più oggetti bisognosi del collegamento di terra. Non possono mettere quel ponticello perché avrebbe ragione di esistere solo in presenza di un differenziale a valle dell'inverter. - Ponticello+differenziale va bene. - Solo differenziale non funziona. - Nulla non va bene per utenze multiple che non sono in doppio isolamento. Marco.


In risposta al messaggio di Emme48 del 24/10/2022 alle 22:37:57Devo fare una correzione, ieri ho detto una sce menza...
Non è il guasto che ti frega, ma il doppio guasto di terra, ma solo se hai due apparecchi NON in doppio isolamento con collegamento elettrico con filo terra. Succede se due apparecchi elettrici si guastano in un certo modo;quando si guasta il primo non succede nulla, un filo del 230 è al telaio ma sei in una condizione sicura. Il problema è se la carcassa metallica di un secondo oggetto va su un filo del 230 che si ha pericolo. SOLO un differenziale può eliminare il rischio ma SOLO se uno dei due fili sul 230 è al telaio PRIMA del differenziale perché solo così può scattare. Perché un differenziale scatti ci deve essere un filo sul telaio PRIMA del differenziale stesso e una persona che prende la scossa verso il telaio DOPO il differenziale. NON PREDISPOSTO PER FAR FUNZIONARE IL RELE DIFFERENZIALE significa che il ponticello non è presente dalle impostazioni standard di fabbrica, sei te che devi saper fare un impianto protetto se hai un carico composto da più oggetti bisognosi del collegamento di terra. Non possono mettere quel ponticello perché avrebbe ragione di esistere solo in presenza di un differenziale a valle dell'inverter. - Ponticello+differenziale va bene. - Solo differenziale non funziona. - Nulla non va bene per utenze multiple che non sono in doppio isolamento. Marco.
In risposta al messaggio di Hunter85 del 25/10/2022 alle 11:52:42Ciao Francesco, questi argomenti sono stati trattati in maniera approfondita in
Devo fare una correzione, ieri ho detto una sce menza... Ho detto che non c'è passaggio di corrente mettendo in corto fase dell' inverter col telaio del mezzo, ma solo 115v di tensione (il che sarebbe già impossibile).Ebbene rifacendo la prova con poca luce, si vedono minuscole scintille toccando col puntale il telaio e con l.altro la fase. Non leggevo corrente perché il tester mio misura solo la corrente continua . Tuttavia non salta ne il fusibile da 10A(ovviamente) ma nemmeno quello da 200mA. 1)Qualcuno mi può spiegare come mai non salta il fusibile da 200mA? 2)E perché ci sono piccole scintille tra fase e telaio quando victron dice che il neutro è fluttuante e NON COLLEGATO AL TELAIO? 3)IL DIFFERENZIALE dovrebbe funzionare anche senza spostare il ponticello se ci fosse una corrente che passa da fase a telaio attraverso una persona giusto? Il discorso per me è così: -Se c'è possibilità per una persona di fare ponte fase telaio già come viene venduto l.inverter, allora basta solo mettere un differenziale senza bisogno di spostare il ponticello. -se invece,come viene venduto l'inverter,non c'è possibilità di fare ponte tra fase e telaio,allora non serve ne mettere il differenziale, ne tantomeno spostare il ponticello. Questo è il punto che non mi è chiaro ..
una discussione
di un po' di tempo fa, non so se la ricordi.In risposta al messaggio di naldorm del 25/10/2022 alle 13:46:22Hai perfettamente ragione! È l.unica cosa. Minera sfuggito stavo pensando solo agli oggetti mobili che stacco e attacco...
Hunter85 Scrivi che hai solo oggetti a doppio isolamento, quindi senza cavo di terra, ma non alimenti pure il frigo a 230 dall'inverter? Quello non c'è l'ha la terra?
In risposta al messaggio di Kochab del 25/10/2022 alle 12:47:11Senza altro la leggo.. comunque ho letto già 2 discussioni precisamente sullo stesso argomento...e altre cose sul tema terra.
Ciao Francesco, questi argomenti sono stati trattati in maniera approfondita in una discussione di un po' di tempo fa, non so se la ricordi. Se hai tempo, prova a rileggerla. Per me era stata illuminante e credo che risponda anche alle tue domande. La discussione è un po' lunghetta, lo so, ma credo valga il tempo speso. Un saluto Alberto
In risposta al messaggio di mecdonald del 26/10/2022 alle 20:06:23Ti ringrazio per la spiegazione e il mio quesito è proprio se vado ad aumentare la sicurezza o no.
Per capire meglio dovresti approfondire i concetti dei tipi di rete IT e TT e subito troveresti che la normativa prevede che nei sistemi IT ci sia un controllo dell'isolamento che segnala il primo guasto a terra e l'interventodelle protezioni in caso di secondo guasto a terra, ora siccome tu nel pseudo sistema IT che crei con il tuo inverter non hai possibilità di controllo del primo guasto a terra l'unico modo è di trasformarlo in un pseudo TT mettendo una fase a massa ed inserendo il differenziale, in questo caso già al primo guasto il differenziale interviene, e con la normativa sei a posto. Nei sistemi isolati come dici tu toccando una fase non dovrebbe succedere nulla, ma sei sicuro che siano veramente isolati; quando per esigenze di funzionamento si creano dei sistemi isolati, ad esempio in alcune attività mediche, le norme prevedono che l'isolamento sia ottenuto attraverso opportuni trasformatori detti appunto di isolamento che hanno delle caratteristiche costruttive del tutto particolari per non permettere correnti di dispersione da accoppiamenti capacitivi neanche di microampere, cosa che probabilmente si verifica nel tuo caso visto che trovi una tensione verso massa e probabilmente una debolissima corrente, tieni presente che un differenziale di buona qualità con soglia 30mA interviene tra i 24 e i 26 mA quindi il tuo fusibile da 200 mA è circa 8 volte la corrente di intervento di un buon differenziale e potrebbe non intervenire in quanto la corrente potrebbe essere di qualche mA. Per sapere perchè 115V bisognerebbe conoscere la circuitazione interna (lo schema schede filtri ed eventuali impedenze di livellamento comprese). Alla fine della giostra fai come ti hanno detto metti una fase a massa e inserisci il differenziale, sei più sicuro e tranquillo.