CamperOnLine
  • Camper
    • Camper usati
    • Camper nuovi
    • Produttori
    • Listino
    • Cataloghi
    • Concessionari e rete vendita
    • Noleggio
    • Van
    • Caravan
    • Fiere
    • Rimessaggi
    • Le prove di CamperOnLine
    • Provati da voi
    • Primo acquisto
    • Area professionisti
  • Accessori
    • Accessori e Prodotti
    • Camping Sport Magenta accessori
    • Produttori
    • Antenne TV
    • Ammortizzatori
    • GPS
    • Pneumatici
    • Rimorchi
    • Provati da Voi
    • Fai da te
  • Viaggi
    • Diari di viaggi in camper
    • Eventi
    • Foto
    • Check list
    • Traghetti
    • Trasporti
  • Sosta
    • Cerca Strutture
    • Sosta
    • Aree sosta camper
    • Campeggi
    • Agriturismi con sosta camper
    • App Camperonline App
    • 10 Consigli utili per la sosta
    • Area strutture
  • Forum
    • Tutti i Forum
    • Sosta
    • Gruppi
    • Compagni
    • Italia
    • Estero
    • Marchi
    • Meccanica
    • Cellula
    • Accessori
    • Eventi
    • Leggi
    • Comportamenti
    • Disabili
    • In camper per
    • Altro Camper
    • Altro
    • Extra
    • FAQ
    • Regolamento
    • Attivi
    • Preferiti
    • Cerca
  • Community
    • COL
    • CamperOnFest
    • Convenzioni Convenzioni
    • Amici
    • Furti
    • Informativa Privacy
    • Lavoro
  • COL
    • News
    • Newsletter
    • Pubblicità
    • Contatto
    • Ora
    • RSS RSS
    • Video
    • Facebook
    • Instagram
  • Magazine
  • Italiano
    • Bienvenue
    • Welcome
    • Willkommen
  • Accedi
CamperOnLine
Camping Sport Magenta
  1. Forum
  2. Tecnica
  3. Cellula abitativa
Galleria

Aiuto, problema legato al D+ : Risolto

Rispondi
Cerca
SostaGruppiCompagniItaliaEsteroMarchiMeccanicaCellulaAccessoriEventiLeggiComportamentiDisabiliIn camper perAltro CamperAltroExtra
1 20 21
11
Nick77
Nick77
02/09/2014 78
Rispondi Abuso
Inserito il 30/06/2019 alle: 10:22:41
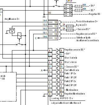
ciao a tutti. Vi ringrazio anticipatamente anche per i post che ho letto sull'argomento e un po' mi hanno chiarito.
Ho un Adria coral su Ducato del 2007. centralina Schaudt EBL225.
Non mi funzionano  più: ritorno gradino elettrico a motore acceso, frigo a 12 V a motore acceso; non so se le BS si caricano in viaggio (non verificato). Leggendo i vari interventi collego il tutto al funzionamento del D+. Con schema elettrico in mano, ho misurato la tensione in ingresso centralina del D+ (connettore 15) ed effettivamente misuro 12 V solo a motore acceso. Nella griglia esterna del frigo, in corrispondenza del cavo D+, non misuro tensione ne in moto ne da spento (questo segnale parte da centralina o direttamente dall'alternatore?)  Nello schema elettrico vedo un fusibile da 2A e non capisco se è dentro la centralina. Esternamente  e nei pressi non ho visto nulla.Sempre sulla centralina (che allego) sul morsetto 10 vedo "punto derivazione D+" ma li la tensione è sempre 0 sia in moto che spento. Il resto dei fusibili sulla centralina sono ok, come quelli sotto il volante Ducato. Parallelamente sul pannello di controllo della centralina, non mi viene più segnalata la tensione della batteria motore. Non so se le due cose siano collegate oppure no, ma i problemi sono successi nello stesso periodo.
Ho una bella confusione in testa...spero sia qualcosa di riparabile senza cambiare centralina.
Grazie ancora
Saluti
Nicola
d%2B(1).PNG
Nick
19
IZ4DJI
IZ4DJI
rating

12/11/2006 58356
Rispondi Abuso
Inserito il 30/06/2019 alle: 10:59:52
In risposta al messaggio di Nick77 del 30/06/2019 alle 10:22:41

ciao a tutti. Vi ringrazio anticipatamente anche per i post che ho letto sull'argomento e un po' mi hanno chiarito. Ho un Adria coral su Ducato del 2007. centralina Schaudt EBL225. Non mi funzionano  più: ritorno gradino
elettrico a motore acceso, frigo a 12 V a motore acceso; non so se le BS si caricano in viaggio (non verificato). Leggendo i vari interventi collego il tutto al funzionamento del D+. Con schema elettrico in mano, ho misurato la tensione in ingresso centralina del D+ (connettore 15) ed effettivamente misuro 12 V solo a motore acceso. Nella griglia esterna del frigo, in corrispondenza del cavo D+, non misuro tensione ne in moto ne da spento (questo segnale parte da centralina o direttamente dall'alternatore?)  Nello schema elettrico vedo un fusibile da 2A e non capisco se è dentro la centralina. Esternamente  e nei pressi non ho visto nulla.Sempre sulla centralina (che allego) sul morsetto 10 vedo punto derivazione D+ ma li la tensione è sempre 0 sia in moto che spento. Il resto dei fusibili sulla centralina sono ok, come quelli sotto il volante Ducato. Parallelamente sul pannello di controllo della centralina, non mi viene più segnalata la tensione della batteria motore. Non so se le due cose siano collegate oppure no, ma i problemi sono successi nello stesso periodo. Ho una bella confusione in testa...spero sia qualcosa di riparabile senza cambiare centralina. Grazie ancora Saluti Nicola Nick
...
Ho da poco avuto a che fare con il D+ della mia SCHAUDT (per installare un booster ) e quindi ho un po guardato gli schemi.

Se sul morsetto 15 arrivano i 12v del D+ a motore accesso , significa che il fusibile da 2A è a posto perchè (sembra anche dallo schema) è sul cavo prima che arrivi al connettore 15 della centralina. Non so dove sia posizionato, con buona probabilità nei pressi della BM (dove c'è anche il fusibile da 50A).

Poi sulla centralina c'è anche l uscita del D+ (quella che ho usato io per comandare l avvio del booster) e che da me era sul blocco di fili che va al frigo.

quando arriva tensione sull ingresso (15 da te) del D+, aziona un rele contenuto nella centralina (lo si vede anche nel tuo schema) che quindi invia tensione a frigo, cicalino gradino, e parallelatore che permette la carica BS a motore acceso.

Riguardo a questa ultima, puoi vede se carica misurando la tensione della BS e poi avvii il motore e deve salire di un paio di volt circa). Se la tensione non sale non hai la carica della BS in marcia.

Quindi secondo me se il D+ entra nella centralina ma non ne esce, mi verrebbe da pensare che possa essersi guastato il rele contenuto nella centralina, ma solo una supposizione.

Forse potresti capire se il rele scatta usando un tubo metallico, da un lato lo appoggi sulla centralina e dall altro ci appoggi l orecchio, qualcun altro avvia il motore e dovresti così sentire o meno lo scatto del rele.
Con l uso del tubo, a volte si riescono a localizzare dei rumori lievi anche in mezzo a altri rumori.

Se il problema fosse nella centralina, qui sul COL girava un indirizzo di un tecnico capace di riparare quelle centraline evitando di doverla inviare in fabbrica in Germania.

Non penso di fare nulla di male a riportarlo:

TEKNICAUDIO (sig. Biagio)
via Monginevro 259 Torino
011 701714
333 222 0155

me lo ero segnato che non si sa mai.
 
____________________________________

Tommaso IZ4DJI

www.iz4dji.it





Modificato da IZ4DJI il 30/06/2019 alle 11:03:41
11
Nick77
Nick77
02/09/2014 78
Rispondi Abuso
Inserito il 30/06/2019 alle: 13:57:55
grazie mille, appena riesco faccio la prova. Il problema della mancata lettura della tensione BM invece è da attribuire s qualche altro problema? o sono parenti secondo te? 
grazie mille

Nicola
Nick
19
IZ4DJI
IZ4DJI
rating

12/11/2006 58356
Rispondi Abuso
Inserito il 30/06/2019 alle: 14:36:06
In risposta al messaggio di Nick77 del 30/06/2019 alle 13:57:55

grazie mille, appena riesco faccio la prova. Il problema della mancata lettura della tensione BM invece è da attribuire s qualche altro problema? o sono parenti secondo te?  grazie mille Nicola
Scusa, non avevo letto le ultime righe blush

Se sul pannello non ti segna la tensione della BM potrebbe essere che è saltato il fusibile da 50A che dovresti trovare accanto allla BM.

Non so come sia la tua SCHAUDT, ma se è come la mia, sul lato posteriore ha tre grossi morsetti dove arriva grosso cavo +BM , negativo comune e +BS (li vedi in una foto del link che ho messo all inizio).

Con il tester deve esserci 12v sempre anche a motore spento sia sul morsetto BM che BS.
Se arriva i 12v da BM il fusibile è buono, se non arriva è guasto o qualche altra interruzzione (ma non mi sembra che altre cose siano possibili).

Intanto farei quella misura.
 
____________________________________

Tommaso IZ4DJI

www.iz4dji.it




11
Nick77
Nick77
02/09/2014 78
Rispondi Abuso
Inserito il 30/06/2019 alle: 19:34:42
scusa di cosa?sono io
che rompo le scatole blush
grazie. farò i dovuti controlli appena riesco poi vedo cosa ci capisco.
grazie ancora
 buona serata
 Nicola 
 
Nick
Sala Silvergruva, la miniera d'argento
Sala Silvergruva, la miniera d'argento
Folgaria d’inverno in camper
Folgaria d’inverno in camper
Francia 2025
Francia 2025
Eksjo, la città di legno
Eksjo, la città di legno
Viaggio in Umbria e dintorni
Viaggio in Umbria e dintorni
Previous Next
19
IZ4DJI
IZ4DJI
rating

12/11/2006 58356
Rispondi Abuso
Inserito il 30/06/2019 alle: 22:33:35
In risposta al messaggio di Nick77 del 30/06/2019 alle 19:34:42

scusa di cosa?sono io che rompo le scatole  grazie. farò i dovuti controlli appena riesco poi vedo cosa ci capisco. grazie ancora  buona serata  Nicola   
Ma figurati, se rispondo è perchè mi fa piacere wink.

Perfetto, con una serie di controlli si dovrebbe riuscire a circoscrivere il punto che causa i problemi.
 
____________________________________

Tommaso IZ4DJI

www.iz4dji.it




11
Nick77
Nick77
02/09/2014 78
Rispondi Abuso
Inserito il 01/07/2019 alle: 10:06:12
In risposta al messaggio di IZ4DJI del 30/06/2019 alle 22:33:35

Ma figurati, se rispondo è perchè mi fa piacere . Perfetto, con una serie di controlli si dovrebbe riuscire a circoscrivere il punto che causa i problemi.  
Ti tengo aggiornato.
Grazie
buona giornata
Nicola
Nick
19
IZ4DJI
IZ4DJI
rating

12/11/2006 58356
Rispondi Abuso
Inserito il 01/07/2019 alle: 16:02:50
In risposta al messaggio di Nick77 del 01/07/2019 alle 10:06:12

Ti tengo aggiornato. Grazie buona giornata Nicola

yes
 
____________________________________

Tommaso IZ4DJI

www.iz4dji.it




11
himmer80
himmer80
24/01/2015 2876
Rispondi Abuso
Inserito il 01/07/2019 alle: 18:32:33
ho avuto  il tuo stesso problema sulla stessa centralina e se non fosse per colpa di qualche fusibile ti sconsiglio di prendere in considerazione l'invio in assistenza presso il costruttore in germania perchè tra costi spedizione e riparazione ti conviene comprarne una nuova che la si trova cercando bene sul web a 250 euro , nel mio caso le ho provate tutte ma il problema era  proprio dentro la centralina  e ho optato per un positivo sottochiave collegato ad un relè a tempo posticipato che quando giro la chiave dopo 20 secondi  fa partire un positivo 12v collegato al posto del D+  è li da 2 anni e funzione perfettamente .
carpe diem ......


Luca

Modificato da himmer80 il 01/07/2019 alle 18:35:15
19
IZ4DJI
IZ4DJI
rating

12/11/2006 58356
Rispondi Abuso
Inserito il 01/07/2019 alle: 22:56:32
In risposta al messaggio di himmer80 del 01/07/2019 alle 18:32:33

ho avuto  il tuo stesso problema sulla stessa centralina e se non fosse per colpa di qualche fusibile ti sconsiglio di prendere in considerazione l'invio in assistenza presso il costruttore in germania perchè tra costi
spedizione e riparazione ti conviene comprarne una nuova che la si trova cercando bene sul web a 250 euro , nel mio caso le ho provate tutte ma il problema era  proprio dentro la centralina  e ho optato per un positivo sottochiave collegato ad un relè a tempo posticipato che quando giro la chiave dopo 20 secondi  fa partire un positivo 12v collegato al posto del D+  è li da 2 anni e funzione perfettamente .
...
Forse non ho capito bene, e me ne scuso in anticipo, ma non potevi fare comandare il rele che hai messo, al D+ che arriva dall alternatore? Comunque sui connettori della centralina arriva.

Alla SCHAUDT io ebbi contatto con il Sig.Angelo Decaro, di origini Italiane e che parla Italiano, persona disponibile e di gentilezza squisita, penso sia un pezzo grosso della ditta nonchè un tecnico molto in gamba, perchè ci scambiammo un po di email e mi spiegò alcune cose per risolvere un mo problema.

La email è : 

angelo.decaro<chiocciola>schaudt-gmbh.de

ovviamente <chiocciola> va sostituito con  @

ricordo che ci mise un bel po a rispondere perchè era in viaggio quando gli scrissi.

Lo ho poi incontrato alla fiera di Dusseldorf e lo ringraziai di persona.
____________________________________

Tommaso IZ4DJI

www.iz4dji.it




11
himmer80
himmer80
24/01/2015 2876
Rispondi Abuso
Inserito il 02/07/2019 alle: 10:16:28
In risposta al messaggio di IZ4DJI del 01/07/2019 alle 22:56:32

Forse non ho capito bene, e me ne scuso in anticipo, ma non potevi fare comandare il rele che hai messo, al D+ che arriva dall alternatore? Comunque sui connettori della centralina arriva. Alla SCHAUDT io ebbi contatto con
il Sig.Angelo Decaro, di origini Italiane e che parla Italiano, persona disponibile e di gentilezza squisita, penso sia un pezzo grosso della ditta nonchè un tecnico molto in gamba, perchè ci scambiammo un po di email e mi spiegò alcune cose per risolvere un mo problema. La email è :  angelo.decaro<chiocciola>schaudt-gmbh.de ovviamente <chiocciola> va sostituito con  @ ricordo che ci mise un bel po a rispondere perchè era in viaggio quando gli scrissi. Lo ho poi incontrato alla fiera di Dusseldorf e lo ringraziai di persona.
...
il problema essendosi presentato 2 anni fa ho fatto un po di confusione ,la tua domanda poi mi ha inluminato la memoria , nel mio caso il d+ era già comandato di fabbrica  da un relè ritardato che rompendosi poi ho cercato in lungo ed in largo il D+ sull'alternatore ma nulla non esce su  renault nessun d+ da nessuna parte , ho smontato mezzo cruscotto seguendo le indicazioni di un fantomatico utente su un forum estero ma la cosa era diventata troppo laboriosa andando a prendere un pin sull'elettronica del volante e alla fine ho risolto mettendo un relè ritardato costo 7 euro ,anche la renault ed elettrauti vari mi hanno confermato che sul renault non esiste un vero d+ e questo giustificherebbe il relè ritardato dalla nascita. 
carpe diem ......


Luca
19
IZ4DJI
IZ4DJI
rating

12/11/2006 58356
Rispondi Abuso
Inserito il 02/07/2019 alle: 10:55:29
In risposta al messaggio di himmer80 del 02/07/2019 alle 10:16:28

il problema essendosi presentato 2 anni fa ho fatto un po di confusione ,la tua domanda poi mi ha inluminato la memoria , nel mio caso il d+ era già comandato di fabbrica  da un relè ritardato che rompendosi poi ho cercato
in lungo ed in largo il D+ sull'alternatore ma nulla non esce su  renault nessun d+ da nessuna parte , ho smontato mezzo cruscotto seguendo le indicazioni di un fantomatico utente su un forum estero ma la cosa era diventata troppo laboriosa andando a prendere un pin sull'elettronica del volante e alla fine ho risolto mettendo un relè ritardato costo 7 euro ,anche la renault ed elettrauti vari mi hanno confermato che sul renault non esiste un vero d+ e questo giustificherebbe il relè ritardato dalla nascita. 
...
Grazie della spiegazione.
Leggevo che alcuni mezzi moderni non hanno il D+ dall alternatore, ma prelevano un "segnale di motore acceso" (non saprei come definirlo) dalla centralina.
Nel mio Sprinter penso ci sia qualcosa di ritardato, perchè quando avvio il motore in cicalino gradino non suona subito ma dopo 30 secondi tanto che a volte mi capita di partire con gradino fuori (vabè in 30 secondi non è che si faccia tanta strada). Però se accendo semplicemente il quadro, anche lasciandolo accesso, non suona nulla, quindi sicuramente raccoglie un segnale di motore avviato.
____________________________________

Tommaso IZ4DJI

www.iz4dji.it




Argomenti recenti dal forum
Cellula abitativa
Cavi dietro sedile lato passeggero ducato 244
Buongiorno a tutti, sul mio ducato 244 esce dietro il sedile una lin...
CamperistaPN
Oggi alle 08:55
In camper per
Studio di settore sulle aree camper
Buona sera a tutti Sono qua a chiedere qualche minuto del vostro tem...
kettyke
Ieri alle: 23:02
Meccanica
Arca america 2024
Buonasera a tutti, vorrei capire se il camper in oggetto può già ave...
Adocaro
Ieri alle: 19:14
Cellula abitativa
motorhome hymer 2003 non carica bs
Buongiorno a tutti, ho un problema e spero nel Vostro aiuto. Attacc...
salva56
Ieri alle: 14:29
Viaggi in Italia
Ciclabili Verona est
Abbiamo letto la pagina web dell'agricamping Oro verde a Verona. Sap...
rlui
Ieri alle: 14:28
Accessori
Installazione retrocamera posteriore
Ciao a tutti, ho acquistato un Krunia Schermo Portatile 8'' per Appl...
Karbon17
Ieri alle: 10:10
Cellula abitativa
Mercedes Viano Marco Polo allestito Westfalia
Buongiorno a tutti, per il mio Viano Marco Polo allestito Westfalia ...
Salo
Ieri alle: 09:31
Meccanica
Fanale opacizzato
Ciao, ho un Ducato i cui fanali anteriori sono opacizzati. Quest'ann...
Maiamaia4
Ieri alle: 08:35
Aree di sosta e campeggi
Villalago
Buona sera vorrei un informazione, a primavera vorrei andare a visit...
PetruDaniele
13/03/26 - 21:01
Aree di sosta e campeggi
Ginevra
Buonasera a tutti, prossimamente dovrei andare qualche giorno a Gine...
koccinella
13/03/26 - 16:53
Gruppi
Camperisti Scooteristi...senza confini
Buongiorno amici con Camper e Scooter ,il nostro gruppo ha festeggia...
pinobsc
13/03/26 - 16:29
Viaggi in Italia
Giretto in centro Italia
Ciao, Stiamo andando ad Amatrice, vorremmo stare lì fino all'ora di ...
gianninotopo
13/03/26 - 15:45
Accessori
Inverter - sicurezza
Buongiorno, ho visto che ci sono discussioni simili a quella che pro...
gianninotopo
13/03/26 - 11:48
Accessori
Dimensionamento nuovo DC-DC
Ciao a tutti, Premesso che l'impianto Litio terminato da qualche tem...
maaaxxx
13/03/26 - 10:04
Accessori
Mantenere la Batteria Motore carica con una PS
Siamo in tema di mantenimento della carica della BM. Si sta palesand...
Paolo62
13/03/26 - 09:02
11
Nick77
Nick77
02/09/2014 78
Rispondi Abuso
Inserito il 02/07/2019 alle: 11:22:24
In risposta al messaggio di Nick77 del 30/06/2019 alle 10:22:41

ciao a tutti. Vi ringrazio anticipatamente anche per i post che ho letto sull'argomento e un po' mi hanno chiarito. Ho un Adria coral su Ducato del 2007. centralina Schaudt EBL225. Non mi funzionano  più: ritorno gradino
elettrico a motore acceso, frigo a 12 V a motore acceso; non so se le BS si caricano in viaggio (non verificato). Leggendo i vari interventi collego il tutto al funzionamento del D+. Con schema elettrico in mano, ho misurato la tensione in ingresso centralina del D+ (connettore 15) ed effettivamente misuro 12 V solo a motore acceso. Nella griglia esterna del frigo, in corrispondenza del cavo D+, non misuro tensione ne in moto ne da spento (questo segnale parte da centralina o direttamente dall'alternatore?)  Nello schema elettrico vedo un fusibile da 2A e non capisco se è dentro la centralina. Esternamente  e nei pressi non ho visto nulla.Sempre sulla centralina (che allego) sul morsetto 10 vedo punto derivazione D+ ma li la tensione è sempre 0 sia in moto che spento. Il resto dei fusibili sulla centralina sono ok, come quelli sotto il volante Ducato. Parallelamente sul pannello di controllo della centralina, non mi viene più segnalata la tensione della batteria motore. Non so se le due cose siano collegate oppure no, ma i problemi sono successi nello stesso periodo. Ho una bella confusione in testa...spero sia qualcosa di riparabile senza cambiare centralina. Grazie ancora Saluti Nicola Nick
...
ciao a tutti.
Intanto grazie mille dei vostri suggerimenti.
Come da voi suggerito ho scritto anche al Sig.Decaro che mi ha prontamente dato un ulteriore controllo. Dice che c'è un fusibile da 15A che controlla il frigo non sulla centralina ma probabilmente vicino BM. E mi ha detto di controllare la tensione sul connettore 13 che deve coincidere con la tensione BM. Purtoppo causa lavoro non sono ancora riuscito a fare i controlli da voi suggeriti, ma spero che effettivamente quel fusibile interrompa il tutto. Potrebbe essere un negativo comune a frigo, cicalino gradino e controllo tensione BM su pannello?? surprise
vi terrò aggiornati.
Intanto grazie a tutti
Nicola
Nick
19
IZ4DJI
IZ4DJI
rating

12/11/2006 58356
Rispondi Abuso
Inserito il 02/07/2019 alle: 23:21:08
In risposta al messaggio di Nick77 del 02/07/2019 alle 11:22:24

ciao a tutti. Intanto grazie mille dei vostri suggerimenti. Come da voi suggerito ho scritto anche al Sig.Decaro che mi ha prontamente dato un ulteriore controllo. Dice che c'è un fusibile da 15A che controlla il frigo non
sulla centralina ma probabilmente vicino BM. E mi ha detto di controllare la tensione sul connettore 13 che deve coincidere con la tensione BM. Purtoppo causa lavoro non sono ancora riuscito a fare i controlli da voi suggeriti, ma spero che effettivamente quel fusibile interrompa il tutto. Potrebbe essere un negativo comune a frigo, cicalino gradino e controllo tensione BM su pannello?? vi terrò aggiornati. Intanto grazie a tutti Nicola
...
Sono contento di averti dato la dritta giusta con il contatto del Sig. Decaro winksmiley
____________________________________

Tommaso IZ4DJI

www.iz4dji.it




11
Nick77
Nick77
02/09/2014 78
Rispondi Abuso
Inserito il 05/07/2019 alle: 08:31:55
In risposta al messaggio di IZ4DJI del 02/07/2019 alle 23:21:08

Sono contento di averti dato la dritta giusta con il contatto del Sig. Decaro
ieri sera sono riuscito a fare qualche controllo. Ho bisogno di una conferma. Come mi dicevi la massa è comune sia a BM che a BS, quindi se misuro una tensione tra il connettore 13 e il polo negativo della BS (sono vicini e quindi comodi) faccio la lettura corretta. Giusto? così facendo effettivamente la tensione è 0. Il dubbio mi è venuto perchè se misuro la tensione tra il 13  e il 20 la tensione è -5V circa, direi che "ritorna" facendo il giro da qualche parte. Ma il fusibile che mi dice Sig. Decaro essere nei pressi della BM non c'è....dove possono essere altri fusibili? Li spargono ovunque...crying
Avevo controllato anche sul lato montante lato passeggero ma nno ho visto nulla. magari ci riguardo meglio.
A proposito...ieri serà quando ho portato a casa il camper si è accesa anche la spia Iniezione....oggi passo dal meccanico...quando iniziano vanno a catena...
Grazie ancora
ciao a tutti
Nicola
Nick
19
IZ4DJI
IZ4DJI
rating

12/11/2006 58356
Rispondi Abuso
Inserito il 05/07/2019 alle: 10:25:03
In risposta al messaggio di Nick77 del 05/07/2019 alle 08:31:55

ieri sera sono riuscito a fare qualche controllo. Ho bisogno di una conferma. Come mi dicevi la massa è comune sia a BM che a BS, quindi se misuro una tensione tra il connettore 13 e il polo negativo della BS (sono vicini
e quindi comodi) faccio la lettura corretta. Giusto? così facendo effettivamente la tensione è 0. Il dubbio mi è venuto perchè se misuro la tensione tra il 13  e il 20 la tensione è -5V circa, direi che ritorna facendo il giro da qualche parte. Ma il fusibile che mi dice Sig. Decaro essere nei pressi della BM non c'è....dove possono essere altri fusibili? Li spargono ovunque... Avevo controllato anche sul lato montante lato passeggero ma nno ho visto nulla. magari ci riguardo meglio. A proposito...ieri serà quando ho portato a casa il camper si è accesa anche la spia Iniezione....oggi passo dal meccanico...quando iniziano vanno a catena... Grazie ancora ciao a tutti Nicola
...
Se guardi sul lato posteriore dell alternatore, dovrebbe e sserci un morsetto o faston indicato con D+. Da li parte un filo, solitamente abbastanza sottile che in qualche modo entra nella cellula, e di solito entra nei pressi della BM (ma poi ogni allestitore fa a modo suo) e quidi da li questo filo va alla centralina seghendo lo stesso percorso del cavo (grosso, di solito 16mm2) che va dal + BM all retro della centralina.
Se sul D+ hanno messo un fusibile, quindi dovrebbe essere su quel percorso, e quindi per comodità lo mettono solitamnete nel pozzetto dove sta la BM.

Non ricordo di che anno è il mezzo, ma nei piu recenti potrebbe non esserci il D+ sull alternatore ma essere "virtuale" e ricavato dalla centralina del motore, e in tal caso, forse, se ci fosse un fusibile potrebbe essere nei pressi della centralina (nel Ducato in basso sotto al cruscotto a sinistra del posto di guida).

Ma sono tutti discorsi molto generali.
____________________________________

Tommaso IZ4DJI

www.iz4dji.it




11
Nick77
Nick77
02/09/2014 78
Rispondi Abuso
Inserito il 07/07/2019 alle: 13:20:44
ciao a tutti.
Finalmente ho risolto. Ho trovato il fusibile. Non era molto nascosto, si trova insieme ad un altro fusibile che non so a cosa serva in un portafusibile tra la centralina e la BS sotto a dei cavi, E mi sembrava già di averlo controllato...mah. Quello che mi ha fregato però è che il fusibile montato era da 5A. Ho provato a sostituirlo con uno da 7.5 ma effettivamente si brucia subito. Da 15 come suggerito da Sig. Decaro e come segnato nello schema elettrico funziona.
Quel fusibile fa funzionare il frigo a 12 V e gli impedisce di andare a gas in "auto", il rientro gradino elettrico con cicalino, la ricarica BM e il controllo tensione su pannello della BM.
A proposito, la spia problema iniezione verificatasi la scorsa settimana era dovuta ad una bassa tensione della BM, dovuta  al fatto che non si ricaricava con spina 220V inserita (il camper era fermo da un paio di settimane ma con spina inserita ).
Tra l'altro i cavi che vanno al fusibile non ci vanno direttamente, solo col tester si capisce che il pin 13 e effettivamente collegato a quel fusibile. 
Inoltre nel montante lato passeggero non si cono fusibili, ma solo collegamenti, passaggio cavi e cicalino del gradino.
Vi ringrazio davvero tanto tutti che mi avete aiutato a districarmi tra i mille fili che girano su e giù dal camper. Spero il post possa essere utile anche a qualcun altro.
Grazie ancora
Buona domenica
Nicola
Nick
6
Stefino
Stefino
19/05/2019 1448
Rispondi Abuso
Inserito il 07/07/2019 alle: 15:11:28
Stai attento a mettere fusibili sempre più grossi.
era usanza di uno che chiamavano " NERONE "
11
Nick77
Nick77
02/09/2014 78
Rispondi Abuso
Inserito il 08/07/2019 alle: 07:53:56
In risposta al messaggio di Stefino del 07/07/2019 alle 15:11:28

Stai attento a mettere fusibili sempre più grossi. era usanza di uno che chiamavano NERONE
ciao
anche io ho avuto quel dubbio. Ma sia lo schema elettrico che il sig. Decaro dice che va da 15A...mi sono fidato degli esperti. Spero fosse stato messo da 5A per sbaglio o perchè non ne avevano uno da 15A. Il frigo d'altra parte quanto consuma? secondo me il 7.5 A è saltato quando, con frigo acceso, ho provato ad aprire lo scalino a motore in moto (volevo controllare se era inibito).
grazie
ciao
Nicola
 
Nick
9
FabrizioM81
FabrizioM81
30/10/2016 1
Rispondi Abuso
Inserito il 05/06/2023 alle: 10:09:34
In risposta al messaggio di Nick77 del 08/07/2019 alle 07:53:56

ciao anche io ho avuto quel dubbio. Ma sia lo schema elettrico che il sig. Decaro dice che va da 15A...mi sono fidato degli esperti. Spero fosse stato messo da 5A per sbaglio o perchè non ne avevano uno da 15A. Il frigo
d'altra parte quanto consuma? secondo me il 7.5 A è saltato quando, con frigo acceso, ho provato ad aprire lo scalino a motore in moto (volevo controllare se era inibito). grazie ciao Nicola  
...
Ciao, scusate la mia ignoranza, sì parla di quale centralina? 
ho un Challenger e ho lo stesso problema. Non sì accende spia alternatore sul  quadro e di conseguenza non va frigorifero
12
landcruiser1984
landcruiser1984
13/06/2013 29
Rispondi Abuso
Inserito il 06/07/2023 alle: 01:25:23
In risposta al messaggio di Nick77 del 30/06/2019 alle 10:22:41

ciao a tutti. Vi ringrazio anticipatamente anche per i post che ho letto sull'argomento e un po' mi hanno chiarito. Ho un Adria coral su Ducato del 2007. centralina Schaudt EBL225. Non mi funzionano  più: ritorno gradino
elettrico a motore acceso, frigo a 12 V a motore acceso; non so se le BS si caricano in viaggio (non verificato). Leggendo i vari interventi collego il tutto al funzionamento del D+. Con schema elettrico in mano, ho misurato la tensione in ingresso centralina del D+ (connettore 15) ed effettivamente misuro 12 V solo a motore acceso. Nella griglia esterna del frigo, in corrispondenza del cavo D+, non misuro tensione ne in moto ne da spento (questo segnale parte da centralina o direttamente dall'alternatore?)  Nello schema elettrico vedo un fusibile da 2A e non capisco se è dentro la centralina. Esternamente  e nei pressi non ho visto nulla.Sempre sulla centralina (che allego) sul morsetto 10 vedo punto derivazione D+ ma li la tensione è sempre 0 sia in moto che spento. Il resto dei fusibili sulla centralina sono ok, come quelli sotto il volante Ducato. Parallelamente sul pannello di controllo della centralina, non mi viene più segnalata la tensione della batteria motore. Non so se le due cose siano collegate oppure no, ma i problemi sono successi nello stesso periodo. Ho una bella confusione in testa...spero sia qualcosa di riparabile senza cambiare centralina. Grazie ancora Saluti Nicola Nick
...
Ciao! Ho letto del tuo problema...identico al mio! Però non riesco a trovare il famoso fusibile. Tu avresti qualche dritta da darmi? Vicino a centralina e BS non c'è. Su che cavo è momtato? Grazie mille innl anticipo!
SostaGruppiCompagniItaliaEsteroMarchiMeccanicaCellulaAccessoriEventiLeggiComportamentiDisabiliIn camper perAltro CamperAltroExtra
167k Facebook
343k Instagram
42,6k TikTok
73,3k Youtube
CamperOnLine - Copyright © 1998-2026 - P.Iva 06953990014
Informativa privacy
Loading...

Accedi

Recupera Password
Nuovo utente

Vuoi eliminare il messaggio?

Sottoscrizione

Anteprima

PREFERENZA

Il messaggio è in fase di inserimento.

loading

CamperOnLine

Buongiorno gentile utente,

da oltre 20 anni Camperonline offre gratuitamente tutti i suoi servizi
grazie agli inserzionisti che ci hanno dato la loro fiducia, permettici di continuare il nostro lavoro disattivando il blocco delle pubblicità.

Grazie della collaborazione.

Azione eseguita con successo

Azione Fallita

Condividi

Condividi questa pagina con:

O copia il link