CamperOnLine
  • Camper
    • Camper usati
    • Camper nuovi
    • Produttori
    • Listino
    • Cataloghi
    • Concessionari e rete vendita
    • Noleggio
    • Van
    • Caravan
    • Fiere
    • Rimessaggi
    • Le prove di CamperOnLine
    • Provati da voi
    • Primo acquisto
    • Area professionisti
  • Accessori
    • Accessori e Prodotti
    • Camping Sport Magenta accessori
    • Produttori
    • Antenne TV
    • Ammortizzatori
    • GPS
    • Pneumatici
    • Rimorchi
    • Provati da Voi
    • Fai da te
  • Viaggi
    • Diari di viaggi in camper
    • Eventi
    • Foto
    • Check list
    • Traghetti
    • Trasporti
  • Sosta
    • Cerca Strutture
    • Sosta
    • Aree sosta camper
    • Campeggi
    • Agriturismi con sosta camper
    • App Camperonline App
    • 10 Consigli utili per la sosta
    • Area strutture
  • Forum
    • Tutti i Forum
    • Sosta
    • Gruppi
    • Compagni
    • Italia
    • Estero
    • Marchi
    • Meccanica
    • Cellula
    • Accessori
    • Eventi
    • Leggi
    • Comportamenti
    • Disabili
    • In camper per
    • Altro Camper
    • Altro
    • Extra
    • FAQ
    • Regolamento
    • Attivi
    • Preferiti
    • Cerca
  • Community
    • COL
    • CamperOnFest
    • Convenzioni Convenzioni
    • Amici
    • Furti
    • Informativa Privacy
    • Lavoro
  • COL
    • News
    • Newsletter
    • Pubblicità
    • Contatto
    • Ora
    • RSS RSS
    • Video
    • Facebook
    • Instagram
  • Magazine
  • Italiano
    • Bienvenue
    • Welcome
    • Willkommen
  • Accedi
CamperOnLine
Camping Sport Magenta
  1. Forum
  2. Tecnica
  3. Cellula abitativa
Galleria

Impianto NDS Dometic

Rispondi
Cerca
SostaGruppiCompagniItaliaEsteroMarchiMeccanicaCellulaAccessoriEventiLeggiComportamentiDisabiliIn camper perAltro CamperAltroExtra
3 20 84
20
RobiAle
RobiAle
rating

17/02/2006 1553
Rispondi Abuso
Inserito il 22/10/2025 alle: 20:32:21
In risposta al messaggio di Szopen del 22/10/2025 alle 18:56:38

Appunto, se i carichi in viaggio sono separati chi li alimenta? Prova a tenere scollegata la cellula dalla cabina, togli eventualmente il fusibile tra BM e centralina/ BS  scollega temporaneamente anche il D+.  Accendi
il motore, accendi fari, tergicristalli riscaldamento, con una pinza amperometrica rileva l’assorbimento dall’alternatore.  A quella corrente andrai a sommare i 40A da dedicare alla BS, quella richiesta dal frigo, dal webasto e da tutto il resto.  In questo modo avrai un’idea più chiara di come utilizzare la ricarica da alternatore.  Ciro. 
...
Ciao Ciro,per quanto riguarda il PSB deduco che abbia l'AUX con corrente controllata/limitata in ingresso e uscita a differenza dell'OUT che è "libera".
Io l'ho montato come da manuale e funziona tutto perfettamente 

Modificato da RobiAle il 22/10/2025 alle 20:33:02
Dave2010
Dave2010
25/08/2025 66
Rispondi Abuso
Inserito il 22/10/2025 alle: 20:49:36
Sarebbe interessate capire una cosa.
La limitazione in corrente è possibile impostarla anche in ingresso. Ha un massimo di 95A in ingresso e una soglia limitabile a 50A.
Deduco che, essendo regolabile in uscita a 40/60/80A, mettiamo caso che io lo regoli a 40A in uscita, vuol dire che ho 10A per i servizi se lo limito a 50A in ingresso?

Oppure più realisticamente i 40A vengono divisi tra ricarica BS e utenze.

Domani provo a sentire l’assistenza sperando mi diano info precise.
Dave2010
Dave2010
25/08/2025 66
Rispondi Abuso
Inserito il 22/10/2025 alle: 22:32:08
79ed3a4d77cababda123072f9951f2db.jpeg
Dave2010
Dave2010
25/08/2025 66
Rispondi Abuso
Inserito il 22/10/2025 alle: 22:33:02
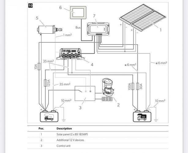
Estratto del manuale NDS del pannello fotovoltaico. Qui si vede chiaramente il collegamento del solo morsetto AUX del DC DC alla centralina.
Sala Silvergruva, la miniera d'argento
Sala Silvergruva, la miniera d'argento
Folgaria d’inverno in camper
Folgaria d’inverno in camper
Francia 2025
Francia 2025
Eksjo, la città di legno
Eksjo, la città di legno
Viaggio in Umbria e dintorni
Viaggio in Umbria e dintorni
Previous Next
6
Szopen
Szopen
rating

06/09/2019 5991
Rispondi Abuso
Inserito il 22/10/2025 alle: 22:40:30
In risposta al messaggio di RobiAle del 22/10/2025 alle 20:32:21

Ciao Ciro,per quanto riguarda il PSB deduco che abbia l'AUX con corrente controllata/limitata in ingresso e uscita a differenza dell'OUT che è libera. Io l'ho montato come da manuale e funziona tutto perfettamente 
Forse non hai capito il mio punto, non sto dicendo che l'Aux non funzioni ma che sarà l'alternatore a doversi sobbarcare tutto l'ambaradan in viaggio, se 70A li mandi in cellula ne restano a disposizione altri 70A, basteranno questi a soddisfare tutta la parte motrice? Ritieni corretto mantenere l'alternatore al suo massimo dei giri per 3-4 ore?

Ciro.
nomade analogico e fanciulla all'imbrunire. Non ho nulla da vendere nè consigli da dare, solo qualche piccolo suggerimento da prendere con le pinze, possibilmente, amperometriche. Buoni Km a tutti e......... rammentate sempre che....... TESTAR NON NUOCE!
6
Szopen
Szopen
rating

06/09/2019 5991
Rispondi Abuso
Inserito il 22/10/2025 alle: 22:55:58
In risposta al messaggio di Dave2010 del 22/10/2025 alle 22:32:08

Ed e' esattamente quello uno dei punti critici.

In viaggio tutto grava sull'alternatore, tieni presente che tra le verifiche sugli assorbimento che ti ho suggerito di fare, ho volutamente escluso l'inverter per il funzionamento del clima in viaggio poiché, non solo assorbe tutto quanto "offerto" dal caricabatterie DC-DC ma chiede dazio anche alle BS.

Ciro.
nomade analogico e fanciulla all'imbrunire. Non ho nulla da vendere nè consigli da dare, solo qualche piccolo suggerimento da prendere con le pinze, possibilmente, amperometriche. Buoni Km a tutti e......... rammentate sempre che....... TESTAR NON NUOCE!

Modificato da Szopen il 22/10/2025 alle 23:23:57
Dave2010
Dave2010
25/08/2025 66
Rispondi Abuso
Inserito il 23/10/2025 alle: 00:37:17
Chiaro, ed è così, i carichi vengono spostati tutti sull'alternatore, in modo tale che le BS ricevano i 40A, 60 o 80A che sia, "puri".
In ogni caso sul manuale, viene indicato alternatore minimo 140A, per cui credo che comunque qualche tipo di elettronica di controllo per non mettere sotto sforzo l'alternatore ci sia.
6
Szopen
Szopen
rating

06/09/2019 5991
Rispondi Abuso
Inserito il 23/10/2025 alle: 01:01:16
In risposta al messaggio di Dave2010 del 23/10/2025 alle 00:37:17

Chiaro, ed è così, i carichi vengono spostati tutti sull'alternatore, in modo tale che le BS ricevano i 40A, 60 o 80A che sia, puri. In ogni caso sul manuale, viene indicato alternatore minimo 140A, per cui credo che comunque qualche tipo di elettronica di controllo per non mettere sotto sforzo l'alternatore ci sia.
Eh già, i manuali, una volta riportano alternatore minimo 180A, poi non ne menzionano, adesso nuovo aggiornamento ed alternatore minimo 140A.

Che la portata iniziale abbia portato un calo delle vendite dal momento che i mezzi equipaggiati con alternatori da 180A sono un po' pochini?

Ad ogni modo ho dato il mio parere e qualche prezioso suggerimento sulle opportune verifiche da fare, rivedi l'impianto prendendo in considerazione sempre lo scenario peggiore possa presentarsi e non le condizioni favorevoli e che meglio di aggradano.

Ciro.
nomade analogico e fanciulla all'imbrunire. Non ho nulla da vendere nè consigli da dare, solo qualche piccolo suggerimento da prendere con le pinze, possibilmente, amperometriche. Buoni Km a tutti e......... rammentate sempre che....... TESTAR NON NUOCE!
20
RobiAle
RobiAle
rating

17/02/2006 1553
Rispondi Abuso
Inserito il 23/10/2025 alle: 07:38:58
In risposta al messaggio di Szopen del 22/10/2025 alle 22:40:30

Forse non hai capito il mio punto, non sto dicendo che l'Aux non funzioni ma che sarà l'alternatore a doversi sobbarcare tutto l'ambaradan in viaggio, se 70A li mandi in cellula ne restano a disposizione altri 70A, basteranno questi a soddisfare tutta la parte motrice? Ritieni corretto mantenere l'alternatore al suo massimo dei giri per 3-4 ore? Ciro.
Ciao só bene che sei competente e in fatti mi sembrava strano questa tua perplessità, però perdonarmi,il tuo scritto poteva essere anche male interpretato.
Anzi già che ci sono vi chiedo...mi consigliate una pinza amperometrica?

Grazie 

 

Modificato da RobiAle il 23/10/2025 alle 07:41:13
6
Szopen
Szopen
rating

06/09/2019 5991
Rispondi Abuso
Inserito il 23/10/2025 alle: 11:02:36
In risposta al messaggio di RobiAle del 23/10/2025 alle 07:38:58

Ciao só bene che sei competente e in fatti mi sembrava strano questa tua perplessità, però perdonarmi,il tuo scritto poteva essere anche male interpretato. Anzi già che ci sono vi chiedo...mi consigliate una pinza amperometrica? Grazie   
Ciao Robi, si una pinza amperometrica di quelle che leggono la corrente anche in continua.

Le trovi sia da 600A modello HT206D 

https://it.aliexpress.com/item/...


Nel caso fai attenzione a scegliere: Colore HT206D AC DC PROF.

o anche da 1000A modello HT208D 

https://it.aliexpress.com/item/...


Anche qui la scelta va su: Colore: HT208D AC DC 1000A

I link sono 2 esempi ma, praticamente le stesse che trovi su Amazon ma anche in alcuni negozi, ovviamente se ne trovano di migliori ma anche molto più costose, inoltre, e' anche un buon tester cosa che in un camper e' sempre utile avere.

Purtroppo noi nel nostro camper possiamo contare su un alternatore da soli 95A, e' vero che il Transit 2.5TD non ha molta elettronica di bordo ma un po' di assorbimenti ci sono lo stesso, il riscaldamento, i fari, i tergicristalli, anche la pompa Lucas ha un piccolo assorbimento per la sua elettronica cosa che grazie alla scalabilità dell'Orion XS riusciamo a gestire in sicurezza e credimi, la vera differenza la fanno per noi soprattutto la buona W di pannelli aventi sul tetto.

Negli ultimi 7 giorni abbastanza piovosi qui in zona Milano- Novara abbiamo avuto un consumo di circa 7 kWh i pannelli sono comunque riusciti a reintegrare quasi 4 kWh,

17612110818256825648128112315545.jpg

Con meno di 200 Watt di pannelli avremmo avuto al massimo 300Wh, meno di un decimo.

Il resto e' stato ricaricato con i vari spostamenti a mezzo dell'alternatore che nei momenti di pioggia poi copiosa ho cura di impostare ad una corrente massima di 30A in entrata, questo per far sì che almeno 25A arrivino alle batterie, le quali, attualmente sono circa all'80% della loro carica.

Ciro.
nomade analogico e fanciulla all'imbrunire. Non ho nulla da vendere nè consigli da dare, solo qualche piccolo suggerimento da prendere con le pinze, possibilmente, amperometriche. Buoni Km a tutti e......... rammentate sempre che....... TESTAR NON NUOCE!

Modificato da Szopen il 23/10/2025 alle 11:31:12
Dave2010
Dave2010
25/08/2025 66
Rispondi Abuso
Inserito il 23/10/2025 alle: 13:03:20
Nel frattempo, dando i riferimenti del mezzo l'officina meccanica all'interno del rimessaggio, un possibile upgrade potrebbe essere questo (lato alternatore).

https://www.auto-doc.it/valeo/1...



3244.JPG

Modificato da Dave2010 il 23/10/2025 alle 13:04:08
Argomenti recenti dal forum
Aree di sosta e campeggi
Villalago
Buona sera vorrei un informazione, a primavera vorrei andare a visit...
PetruDaniele
Ieri alle: 21:01
Aree di sosta e campeggi
Ginevra
Buonasera a tutti, prossimamente dovrei andare qualche giorno a Gine...
koccinella
Ieri alle: 16:53
Gruppi
Camperisti Scooteristi...senza confini
Buongiorno amici con Camper e Scooter ,il nostro gruppo ha festeggia...
pinobsc
Ieri alle: 16:29
Viaggi in Italia
Giretto in centro Italia
Ciao, Stiamo andando ad Amatrice, vorremmo stare lì fino all'ora di ...
gianninotopo
Ieri alle: 15:45
Accessori
Inverter - sicurezza
Buongiorno, ho visto che ci sono discussioni simili a quella che pro...
gianninotopo
Ieri alle: 11:48
Accessori
Dimensionamento nuovo DC-DC
Ciao a tutti, Premesso che l'impianto Litio terminato da qualche tem...
maaaxxx
Ieri alle: 10:04
Accessori
Mantenere la Batteria Motore carica con una PS
Siamo in tema di mantenimento della carica della BM. Si sta palesand...
Paolo62
Ieri alle: 09:02
Altro non sui camper
Tiro al piccione
No, niente armi da fuoco, i simpatici pennuti sono salvi. È un nuov...
Emme48
Ieri alle: 07:48
Viaggi in Italia
Giugno all'isola del Giglio
Buongiorno a tutti, sto valutando di trascorrere a fine giugno 4 gio...
Nanasso
12/03/26 - 21:16
Accessori
problema ds300 conversione al litio
Ciao a tutti ho montato due batterie al litio su elnagh big marlin ...
Mandracchio
12/03/26 - 19:19
Cellula abitativa
Rimozione cerniera porta cellula
Buongiorno, Ho la porta della cellula del mio mcluis steel 531g del...
Telix636
12/03/26 - 16:39
Viaggi all'estero
Ruta Jubierre in Spagna
Come da titolo, c’è qualcuno che si è già avventurato a fare questa ...
Sparty91
12/03/26 - 14:00
Viaggi all'estero
Polonia viaggio Estivo
Ciao a tutti, che ne dite di un viaggio in Polonia per questa estate...
RMCamper2020
12/03/26 - 12:11
Viaggi in Italia
Raggiungere le 5 terre
Ciao a tutti, ho un dubbio riguardo la strada da fare per raggiunger...
Maiamaia4
12/03/26 - 07:58
Cellula abitativa
Indicatori di livello frigo Dometic
Ruotando la manopola di destra in senso orario del frigo DOMETIC si...
norbidic
12/03/26 - 03:44
Dave2010
Dave2010
25/08/2025 66
Rispondi Abuso
Inserito il 23/10/2025 alle: 13:17:17
In risposta al messaggio di Szopen del 23/10/2025 alle 11:02:36

Ciao Robi, si una pinza amperometrica di quelle che leggono la corrente anche in continua. Le trovi sia da 600A modello HT206D  Nel caso fai attenzione a scegliere: Colore HT206D AC DC PROF. o anche da 1000A modello HT208D 
Anche qui la scelta va su: Colore: HT208D AC DC 1000A I link sono 2 esempi ma, praticamente le stesse che trovi su Amazon ma anche in alcuni negozi, ovviamente se ne trovano di migliori ma anche molto più costose, inoltre, e' anche un buon tester cosa che in un camper e' sempre utile avere. Purtroppo noi nel nostro camper possiamo contare su un alternatore da soli 95A, e' vero che il Transit 2.5TD non ha molta elettronica di bordo ma un po' di assorbimenti ci sono lo stesso, il riscaldamento, i fari, i tergicristalli, anche la pompa Lucas ha un piccolo assorbimento per la sua elettronica cosa che grazie alla scalabilità dell'Orion XS riusciamo a gestire in sicurezza e credimi, la vera differenza la fanno per noi soprattutto la buona W di pannelli aventi sul tetto. Negli ultimi 7 giorni abbastanza piovosi qui in zona Milano- Novara abbiamo avuto un consumo di circa 7 kWh i pannelli sono comunque riusciti a reintegrare quasi 4 kWh, Con meno di 200 Watt di pannelli avremmo avuto al massimo 300Wh, meno di un decimo. Il resto e' stato ricaricato con i vari spostamenti a mezzo dell'alternatore che nei momenti di pioggia poi copiosa ho cura di impostare ad una corrente massima di 30A in entrata, questo per far sì che almeno 25A arrivino alle batterie, le quali, attualmente sono circa all'80% della loro carica. Ciro.
...
Che potenza installata hai come fotovoltaico? 
6
Szopen
Szopen
rating

06/09/2019 5991
Rispondi Abuso
Inserito il 23/10/2025 alle: 16:20:39
In risposta al messaggio di Dave2010 del 23/10/2025 alle 13:17:17

Che potenza installata hai come fotovoltaico? 
Ciao, sul tetto al momento vi sono 800Wp di pannelli su 2 linee. La foto è un po datata ma è più o meno così 

IMG_0766(3).jpeg

il camper è 6,50 Mt.  come vedi sono presenti 3 oblò oltre ai 2 funghetti quelli della S3002 e quello previsto per l’alimentatore trasformatore Campoli ed un’antenna per la tv terrestre. 

Tecnicamente al posto dell’oblò tra i 2 pannelli anteriori potrebbe trovarvi posto un climatizzatore a tetto cosa che però a noi non interessa per cui non è che abbiamo tappezzato tutto il tetto chiudendo ad eventuali “espansioni” anzi, presto monteremo 2 flessibili da 150 Wp l’uno portando la W complessiva a 1100 Wp, l’impianto è già pronto per questo upgrade. 

Ciro. 
nomade analogico e fanciulla all'imbrunire. Non ho nulla da vendere nè consigli da dare, solo qualche piccolo suggerimento da prendere con le pinze, possibilmente, amperometriche. Buoni Km a tutti e......... rammentate sempre che....... TESTAR NON NUOCE!
Dave2010
Dave2010
25/08/2025 66
Rispondi Abuso
Inserito il 23/10/2025 alle: 17:22:51
In risposta al messaggio di Szopen del 23/10/2025 alle 16:20:39

Ciao, sul tetto al momento vi sono 800Wp di pannelli su 2 linee. La foto è un po datata ma è più o meno così  il camper è 6,50 Mt.  come vedi sono presenti 3 oblò oltre ai 2 funghetti quelli della S3002 e quello
previsto per l’alimentatore trasformatore Campoli ed un’antenna per la tv terrestre.  Tecnicamente al posto dell’oblò tra i 2 pannelli anteriori potrebbe trovarvi posto un climatizzatore a tetto cosa che però a noi non interessa per cui non è che abbiamo tappezzato tutto il tetto chiudendo ad eventuali “espansioni” anzi, presto monteremo 2 flessibili da 150 Wp l’uno portando la W complessiva a 1100 Wp, l’impianto è già pronto per questo upgrade.  Ciro. 
...
Io purtroppo non ho così tanto spazio, riuscirò a collocare al massimo un 185Wp, per quello che volevo spingere particolarmente sulla ricarica in viaggio.

L'alternatore che mi hanno proposto da 200A non costa poco... montato siamo su 800€ circa.
6
Szopen
Szopen
rating

06/09/2019 5991
Rispondi Abuso
Inserito il 23/10/2025 alle: 18:27:33
In risposta al messaggio di Dave2010 del 23/10/2025 alle 17:22:51

Io purtroppo non ho così tanto spazio, riuscirò a collocare al massimo un 185Wp, per quello che volevo spingere particolarmente sulla ricarica in viaggio. L'alternatore che mi hanno proposto da 200A non costa poco... montato siamo su 800€ circa.
Non conosco le difficoltà d’intervento sul motore del tuo camper ma, 800€ sono un tantinello troppi. 

Se l’alternatore è il naturale sostituto cos’ hanno preventivato 8-10 ore di manodopera?


Guarda qui. 

https://www.distriauto.it/valeo...




Ciro. 
nomade analogico e fanciulla all'imbrunire. Non ho nulla da vendere nè consigli da dare, solo qualche piccolo suggerimento da prendere con le pinze, possibilmente, amperometriche. Buoni Km a tutti e......... rammentate sempre che....... TESTAR NON NUOCE!

Modificato da Szopen il 23/10/2025 alle 18:33:17
Dave2010
Dave2010
25/08/2025 66
Rispondi Abuso
Inserito il 23/10/2025 alle: 18:54:50
In risposta al messaggio di Szopen del 23/10/2025 alle 18:27:33

Non conosco le difficoltà d’intervento sul motore del tuo camper ma, 800€ sono un tantinello troppi.  Se l’alternatore è il naturale sostituto cos’ hanno preventivato 8-10 ore di manodopera? Guarda qui.  Ciro. 
L'ho linkato poco sopra, lo riposto

https://www.auto-doc.it/valeo/1...



Mi hanno proposto questo + 4h di manodopera a 40€/h.
Dave2010
Dave2010
25/08/2025 66
Rispondi Abuso
Inserito il 23/10/2025 alle: 18:55:32
In risposta al messaggio di Szopen del 23/10/2025 alle 18:27:33

Non conosco le difficoltà d’intervento sul motore del tuo camper ma, 800€ sono un tantinello troppi.  Se l’alternatore è il naturale sostituto cos’ hanno preventivato 8-10 ore di manodopera? Guarda qui.  Ciro. 
In effetti costa molto meno dal sito che hai linkato tu...
20
RobiAle
RobiAle
rating

17/02/2006 1553
Rispondi Abuso
Inserito il 23/10/2025 alle: 19:12:10
In risposta al messaggio di Szopen del 23/10/2025 alle 11:02:36

Ciao Robi, si una pinza amperometrica di quelle che leggono la corrente anche in continua. Le trovi sia da 600A modello HT206D  Nel caso fai attenzione a scegliere: Colore HT206D AC DC PROF. o anche da 1000A modello HT208D 
Anche qui la scelta va su: Colore: HT208D AC DC 1000A I link sono 2 esempi ma, praticamente le stesse che trovi su Amazon ma anche in alcuni negozi, ovviamente se ne trovano di migliori ma anche molto più costose, inoltre, e' anche un buon tester cosa che in un camper e' sempre utile avere. Purtroppo noi nel nostro camper possiamo contare su un alternatore da soli 95A, e' vero che il Transit 2.5TD non ha molta elettronica di bordo ma un po' di assorbimenti ci sono lo stesso, il riscaldamento, i fari, i tergicristalli, anche la pompa Lucas ha un piccolo assorbimento per la sua elettronica cosa che grazie alla scalabilità dell'Orion XS riusciamo a gestire in sicurezza e credimi, la vera differenza la fanno per noi soprattutto la buona W di pannelli aventi sul tetto. Negli ultimi 7 giorni abbastanza piovosi qui in zona Milano- Novara abbiamo avuto un consumo di circa 7 kWh i pannelli sono comunque riusciti a reintegrare quasi 4 kWh, Con meno di 200 Watt di pannelli avremmo avuto al massimo 300Wh, meno di un decimo. Il resto e' stato ricaricato con i vari spostamenti a mezzo dell'alternatore che nei momenti di pioggia poi copiosa ho cura di impostare ad una corrente massima di 30A in entrata, questo per far sì che almeno 25A arrivino alle batterie, le quali, attualmente sono circa all'80% della loro carica. Ciro.
...
Ciao Ciro  Grazie
Dave2010
Dave2010
25/08/2025 66
Rispondi Abuso
Inserito il 23/10/2025 alle: 19:24:21
In risposta al messaggio di RobiAle del 23/10/2025 alle 19:12:10

Ciao Ciro  Grazie
Io ho questa

https://www.amazon.it/gp/produc...

20
RobiAle
RobiAle
rating

17/02/2006 1553
Rispondi Abuso
Inserito il 23/10/2025 alle: 20:16:42
In risposta al messaggio di Dave2010 del 23/10/2025 alle 19:24:21

Io ho questa ox_sc_act_title_1?smid=ALU6B0GG3PXPN&psc=1
Grazie.
sei poi riuscito a chiamare NDS?
SostaGruppiCompagniItaliaEsteroMarchiMeccanicaCellulaAccessoriEventiLeggiComportamentiDisabiliIn camper perAltro CamperAltroExtra
167k Facebook
343k Instagram
42,6k TikTok
73,3k Youtube
CamperOnLine - Copyright © 1998-2026 - P.Iva 06953990014
Informativa privacy
Loading...

Accedi

Recupera Password
Nuovo utente

Vuoi eliminare il messaggio?

Sottoscrizione

Anteprima

PREFERENZA

Il messaggio è in fase di inserimento.

loading

CamperOnLine

Buongiorno gentile utente,

da oltre 20 anni Camperonline offre gratuitamente tutti i suoi servizi
grazie agli inserzionisti che ci hanno dato la loro fiducia, permettici di continuare il nostro lavoro disattivando il blocco delle pubblicità.

Grazie della collaborazione.

Azione eseguita con successo

Azione Fallita

Condividi

Condividi questa pagina con:

O copia il link