In risposta al messaggio di danielemann del 10/05/2021 alle 22:33:00
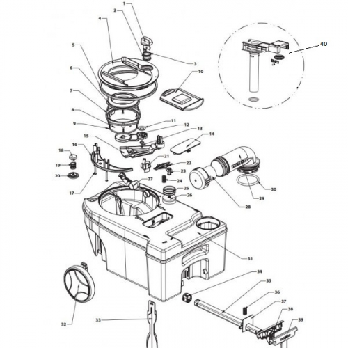
Buonasera, Ho un problema con il wc in oggetto. Agendo sulla leva di apertura sotto al wc la lama di copertura della cassetta viene aperta solo a metà . A cassetta estratta l apertura della lama funziona bene, il problemasi presenta solo a cassetta inserita. Agendo sulla leva di apertura con cassetta inserita si riesce ad arrivare a fine corsa ma ciò non è sufficiente per aprire totalmente la lama. Il problema sembra essere l escursione della leva di apertura nel chiudere la lama, perché rimane bloccata al centro e non riesce durante l azione di chiusura ad arrivare a fine corsa. Infatti nel momento in cui si inserisce la cassetta la leva si trova bloccata al centro anziché essere allineata a sinistra. Cosa posso fare? come mai la leva di apertura parte già a metà corsa e non riesce ad allinearsi a sinistra? Eppure la cassetta di inserisce perfettamente
https://www.thetfordservicenet....
www.iz4dji.it
In risposta al messaggio di danielemann del 11/05/2021 alle 09:56:21Devi almeno smontare la parte rotante
Grazie è proprio quello il problema.
.png)
.png)