CamperOnLine
  • Camper
    • Camper usati
    • Camper nuovi
    • Produttori
    • Listino
    • Cataloghi
    • Concessionari e rete vendita
    • Noleggio
    • Van
    • Caravan
    • Fiere
    • Rimessaggi
    • Le prove di CamperOnLine
    • Provati da voi
    • Primo acquisto
    • Area professionisti
  • Accessori
    • Accessori e Prodotti
    • Camping Sport Magenta accessori
    • Produttori
    • Antenne TV
    • Ammortizzatori
    • GPS
    • Pneumatici
    • Rimorchi
    • Provati da Voi
    • Fai da te
  • Viaggi
    • Diari di viaggi in camper
    • Eventi
    • Foto
    • Check list
    • Traghetti
    • Trasporti
  • Sosta
    • Cerca Strutture
    • Sosta
    • Aree sosta camper
    • Campeggi
    • Agriturismi con sosta camper
    • App Camperonline App
    • 10 Consigli utili per la sosta
    • Area strutture
  • Forum
    • Tutti i Forum
    • Sosta
    • Gruppi
    • Compagni
    • Italia
    • Estero
    • Marchi
    • Meccanica
    • Cellula
    • Accessori
    • Eventi
    • Leggi
    • Comportamenti
    • Disabili
    • In camper per
    • Altro Camper
    • Altro
    • Extra
    • FAQ
    • Regolamento
    • Attivi
    • Preferiti
    • Cerca
  • Community
    • COL
    • CamperOnFest
    • Convenzioni Convenzioni
    • Amici
    • Furti
    • Informativa Privacy
    • Lavoro
  • COL
    • News
    • Newsletter
    • Pubblicità
    • Contatto
    • Ora
    • RSS RSS
    • Video
    • Facebook
    • Instagram
  • Magazine
  • Italiano
    • Bienvenue
    • Welcome
    • Willkommen
  • Accedi
CamperOnLine
Camping Sport Magenta
  1. Forum
  2. Tecnica
  3. Meccanica
Galleria

Posso togliere la batteria (e lasciarlo senza)?

Rispondi
Cerca
SostaGruppiCompagniItaliaEsteroMarchiMeccanicaCellulaAccessoriEventiLeggiComportamentiDisabiliIn camper perAltro CamperAltroExtra
3 20 67
7
Gege01
Gege01
18/07/2018 2061
Rispondi Abuso
Inserito il 08/05/2020 alle: 19:44:45
Vado leggermente controcorrente...

Visto che non hai la possibilità di collegarlo alla 220V, potresti provvedere con uno/due staccabatteria per disconnettere tutti gli assorbimenti. Meglio se gli staccabatteria sono a morsetto, come questo:
Cattura(105).JPG

QUI

tovi anche la relativa discussione. 

Io in inverno stacco sempre la BS e dopo 2 mesi di fermo totale causa virus la batteria da 13.7V l'ho ritrovata a 13.0V. 

Una curiosità a chi ne sa di più: tutti consigliano lo stacca batteria sul negativo, a me lo hanno installato sul positivo. Che differenza fa (se non il fatto che quando stacco il positivo lo avvolgo in un panno pesante per evitare che possa toccare accidentalmente il negativo della batteria)?
Gegè (e non Gege01!) su Boeing 747 (Katamarano 50 MY19)
20
Emme48
Emme48
rating

13/01/2006 24516
Rispondi Abuso
Inserito il 08/05/2020 alle: 20:22:59
In risposta al messaggio di Gege01 del 08/05/2020 alle 19:44:45

Vado leggermente controcorrente... Visto che non hai la possibilità di collegarlo alla 220V, potresti provvedere con uno/due staccabatteria per disconnettere tutti gli assorbimenti. Meglio se gli staccabatteria sono a morsetto,
come questo: QUI tovi anche la relativa discussione.  Io in inverno stacco sempre la BS e dopo 2 mesi di fermo totale causa virus la batteria da 13.7V l'ho ritrovata a 13.0V.  Una curiosità a chi ne sa di più: tutti consigliano lo stacca batteria sul negativo, a me lo hanno installato sul positivo. Che differenza fa (se non il fatto che quando stacco il positivo lo avvolgo in un panno pesante per evitare che possa toccare accidentalmente il negativo della batteria)?
...
Elettricamente è la stessa cosa.
Praticamente se accidentalmente si stacca un filo e va a massa è meglio se stiamo lavorando col filo negativo.

Staccare la batteria non ci salva dall'autoscarica.
Meglio mantenere le batterie sempre ben cariche fornendo un po' di energia a tutte quelle che ci sono a bordo.

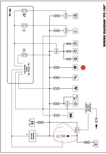
Io consiglio sempre di NON usare gli staccabatterie e infatti sul mio camper ne ho 3 ma per un motivo decisamente diverso:
bmbs%5B1%5D(1).png
Oltre alla batteria del motore, sul mio Ducato Iveco 3000 ho altre due batterie che con questo schema che ho realizzato posso decidere se sono entrambe dei servizi, oppure posso decidere se una delle due o anche tutte e due siano affiancate alla batteria del motore.
Se la BM si guasta posso escluderla e "promuovere" a BM una sola o entrambe le batterie decidendo se usarle anche per la cellula oppure no.

Tutte le batterie di bordo sono ricaricate dal pannello solare, dal caricabatterie a 230 volt e da un Energy Power Evolution che è un normale caricabatterie evoluto ma che prende energia dall'alternatore invece che dall'Enel

Lo schema non è complesso ma per realizzarlo di deve essere in grado di eseguire dei cablaggi di qualità.
Ottimi non va bene, servono cablaggi almeno meravigliosi.


Marco.
Marco

http://www.m48.it


Modificato da Emme48 il 08/05/2020 alle 20:36:07
7
Gege01
Gege01
18/07/2018 2061
Rispondi Abuso
Inserito il 08/05/2020 alle: 20:34:40
Grazie mille Marco. Hai confermato i miei pensieri.

Concordo che è meglio tenere le batterie cariche e che l'autoscarica non si elimina. Il mio intervento era mirato anche pe far conoscere il valore dell'autoscarica dopo 2 mesi. Significa, che a batterie perfettamente cariche, affinché una batteria arrivi a 11,5 volt ci vogliono cica 6/7 mesi.

Piccolo OT: volevo costruire il tuo diodo+resistenza ma ho difficoltà a reperire i componenti giusti. Mi hanno proposto di mettere 2 diodi da 6A in parallelo al posto di quello da 10... avresti un qualche link/negozio da consigliarmi?
Grazie mille.
Gegè (e non Gege01!) su Boeing 747 (Katamarano 50 MY19)
20
Emme48
Emme48
rating

13/01/2006 24516
Rispondi Abuso
Inserito il 08/05/2020 alle: 20:37:38
In risposta al messaggio di Gege01 del 08/05/2020 alle 20:34:40

Grazie mille Marco. Hai confermato i miei pensieri. Concordo che è meglio tenere le batterie cariche e che l'autoscarica non si elimina. Il mio intervento era mirato anche pe far conoscere il valore dell'autoscarica dopo
2 mesi. Significa, che a batterie perfettamente cariche, affinché una batteria arrivi a 11,5 volt ci vogliono cica 6/7 mesi. Piccolo OT: volevo costruire il tuo diodo+resistenza ma ho difficoltà a reperire i componenti giusti. Mi hanno proposto di mettere 2 diodi da 6A in parallelo al posto di quello da 10... avresti un qualche link/negozio da consigliarmi? Grazie mille.
...
Due diodi direttamente in parallelo MAI

Guarda qui, ci sono tutte le varianti possibili se non riesci a trovare qualche componente.

http://www.m48.it/diodoresisten...



Marco.
Marco

http://www.m48.it

Sala Silvergruva, la miniera d'argento
Sala Silvergruva, la miniera d'argento
Folgaria d’inverno in camper
Folgaria d’inverno in camper
Francia 2025
Francia 2025
Eksjo, la città di legno
Eksjo, la città di legno
Viaggio in Umbria e dintorni
Viaggio in Umbria e dintorni
Previous Next
7
Gege01
Gege01
18/07/2018 2061
Rispondi Abuso
Inserito il 08/05/2020 alle: 22:14:09
Marco approfitto ancora della tua esperienza. Se ordino questi prodotti vanno bene? Io non mi ci raccapezzo... (clicca su ogni prodotto per aprire le specifiche)
  1. DIODO 6A

     
    (la scheda tecnica riporta una Vf (caduta di tensione) di 0.9V)
  2. Resistenza 10W 0.50 Ohm

  3. Fusibile 4A

Grazie mille.
Gegè (e non Gege01!) su Boeing 747 (Katamarano 50 MY19)

Modificato da Gege01 il 08/05/2020 alle 22:15:41
20
Emme48
Emme48
rating

13/01/2006 24516
Rispondi Abuso
Inserito il 08/05/2020 alle: 22:20:07
In risposta al messaggio di Gege01 del 08/05/2020 alle 22:14:09

Marco approfitto ancora della tua esperienza. Se ordino questi prodotti vanno bene? Io non mi ci raccapezzo... (clicca su ogni prodotto per aprire le specifiche)DIODO 6A (la scheda tecnica riporta una Vf (caduta di tensione) di 0.9V) Resistenza 10W 0.50 Ohm Fusibile 4AGrazie mille.
Ma si che va bene...
Non è un circuito critico.

...ma questo diodo va ancora meglio

https://www.amazon.it/BOJACK-Sc...



Non cuocerlo col saldatore, usa due morsetti mamouth

Marco
Marco

http://www.m48.it


Modificato da Emme48 il 08/05/2020 alle 22:23:54
7
antomau
antomau
23/02/2019 169
Rispondi Abuso
Inserito il 09/05/2020 alle: 07:27:05
In risposta al messaggio di Emme48 del 08/05/2020 alle 22:20:07

Ma si che va bene... Non è un circuito critico. ...ma questo diodo va ancora meglio sr_1_3?mk_it_IT=%C3%85M%C3%85%C5%BD%C3%95%C3%91&dchild=1&keywords=diodo+10+a&qid=1588969313&sr=8-3 Non cuocerlo col saldatore, usa due morsetti mamouth Marco
Scusa, approfitto per chiedere una conferma...non si era detto di non usare diodi Schottky?
Sto preparando anche io il diodo+resistenza e mi è rimasto il dubbio su quale fosse il diodo giusto da usare.
 
8
superduke46
superduke46
27/09/2017 2836
Rispondi Abuso
Inserito il 09/05/2020 alle: 11:43:35
il 9 marzo ho staccato la massa delle batterie servizi e motore e martedì scorso sono riuscito ad andare dal camper ma riattacando il tutto le batterie erano quasi al massimo
 
20
Emme48
Emme48
rating

13/01/2006 24516
Rispondi Abuso
Inserito il 09/05/2020 alle: 17:14:44
In risposta al messaggio di antomau del 09/05/2020 alle 07:27:05

Scusa, approfitto per chiedere una conferma...non si era detto di non usare diodi Schottky? Sto preparando anche io il diodo+resistenza e mi è rimasto il dubbio su quale fosse il diodo giusto da usare.  
Si era detto che non era necessario usare diodi Schottky e che bastavano anche quelli normali, ma se metti un diodo Schottky  è anche un  po' meglio.

Sul mio ho messo un diodo normale da 70 ampere e due resistenze in parallelo da 1 Ohm ciascuna (25 watt)
Immagine(58).png

Marco.
Marco

http://www.m48.it


Modificato da Emme48 il 09/05/2020 alle 17:18:27
15
camperistadoc
camperistadoc
04/10/2010 3538
Rispondi Abuso
Inserito il 09/05/2020 alle: 18:28:18
Sulla scia del topic (Giancarlo "il camaleonte" non me ne voglia) sto pensando di mettere in mantenimento le mie 2 uniche batterie anzichè costantemente con la 220V gestite da un CBE 516 ed una centralina CBE DS 300 EL alimentandaole con un pannello solare (50 watt?) Istallato sopra la tettoia di mia proprietà...
Mi collegherei direttamente all'uscita AUX (solar) della centralina in modo da passare attraverso il diodo/resistenza già presente sulla centralina e che fino ad ora mi ha permesso di tenere la BM da più di 9 anni in forma smagliante.
Idea malsana/complicarsi la vita o risparmio di corrente/meno inquinamento?

Cosa ne pensate?

Allego schema centralina:
20200509_182321.jpg

Ciaowink
Viaggiare apre la mente...

Modificato da camperistadoc il 09/05/2020 alle 18:40:37
20
Emme48
Emme48
rating

13/01/2006 24516
Rispondi Abuso
Inserito il 09/05/2020 alle: 19:53:55
In risposta al messaggio di camperistadoc del 09/05/2020 alle 18:28:18

Sulla scia del topic (Giancarlo il camaleonte non me ne voglia) sto pensando di mettere in mantenimento le mie 2 uniche batterie anzichè costantemente con la 220V gestite da un CBE 516 ed una centralina CBE DS 300 EL alimentandaole
con un pannello solare (50 watt?) Istallato sopra la tettoia di mia proprietà... Mi collegherei direttamente all'uscita AUX (solar) della centralina in modo da passare attraverso il diodo/resistenza già presente sulla centralina e che fino ad ora mi ha permesso di tenere la BM da più di 9 anni in forma smagliante. Idea malsana/complicarsi la vita o risparmio di corrente/meno inquinamento? Cosa ne pensate? Allego schema centralina: Ciao
...
Bastano e avanzano 20 watt per il solo mantenimento.

Marco
Marco

http://www.m48.it

Argomenti recenti dal forum
Accessori
Batteria al litio e centralina arsilicii rossa
Buonasera a tutti, un consiglio da i più esperti, posso montare una ...
Pepeago
Oggi alle 16:29
Cellula abitativa
Moquette ed - eventualmente - tappezziere
Ciao a tutti, ho cercato ma le ultime discussioni risalgono al 2020 ...
atomant
Oggi alle 12:20
Meccanica
Parasassi - Locaro passaruota Ducato 2026
Buongiorno a tutti, Sono nuovo dell'ambiente, ma sono molto felice d...
RollingLedger
Oggi alle 09:57
Accessori
CBE CSB2 sempre acceso + info su reg.carica
CIao a tutti, ho una Adriatik 572 del 2005 con centralina EBL 208 S ...
dav8989
Oggi alle 07:41
Accessori
Waeco cruiscontroll Ms 900
Chi lo ha montato su ducato 3000cc del 2010 mi spiega come funziona ...
flavius67
Ieri alle: 21:12
Accessori
Impianto 13 poli gancio traino schema
Ciao a tutti, Dubito di risolvere, ma la community qui é numerosa e ...
maaaxxx
Ieri alle: 18:27
Meccanica
Un aiutino da casa x Crossclimate
Mi sono un po perso sulle pressioni corrette , il mezzo è su Ducato ...
dadamazz
Ieri alle: 18:05
Aree di sosta e campeggi
Area sosta sul lago di Barcis
Ciao a tutti , qualcuno è stato a Pasqua nell'area sosta camper a Ba...
diabolik
Ieri alle: 16:14
Accessori
Interpretare smartshunt
Buongiorno, nel cammin di mezza via . . . Mi ritrovo con 2 BS 110AH ...
isauri
Ieri alle: 15:21
Accessori
monitoraggio pressione pneumatici
Buongiorno a tutti, volevo chiedere se qualcuno ha montato un TPMS d...
Walter62
Ieri alle: 14:11
Aree di sosta e campeggi
Area sosta a primaluna Lecco
Buongiorno chiedo x piacere,,qualcuno e stato recentemente all,area ...
giuvanella
Ieri alle: 13:26
Cellula abitativa
Cavi dietro sedile lato passeggero ducato 244
Buongiorno a tutti, sul mio ducato 244 esce dietro il sedile una lin...
CamperistaPN
Ieri alle: 08:55
Meccanica
Arca america 2024
Buonasera a tutti, vorrei capire se il camper in oggetto può già ave...
Adocaro
14/03/26 - 19:14
Cellula abitativa
motorhome hymer 2003 non carica bs
Buongiorno a tutti, ho un problema e spero nel Vostro aiuto. Attacc...
salva56
14/03/26 - 14:29
Viaggi in Italia
Ciclabili Verona est
Abbiamo letto la pagina web dell'agricamping Oro verde a Verona. Sap...
rlui
14/03/26 - 14:28
15
camperistadoc
camperistadoc
04/10/2010 3538
Rispondi Abuso
Inserito il 09/05/2020 alle: 21:16:54
In risposta al messaggio di Emme48 del 09/05/2020 alle 19:53:55

Bastano e avanzano 20 watt per il solo mantenimento. Marco
Anche in pieno inverno? Vorrei, per quanto possibile, simulare la carica del CBE 516, che, quando finisce di caricare passa in mantenimento tenendo la tensione della BS a 13.6V e la BM a 12.8V 
20200425_192603_copy_728x788.jpg

Ciaowink
Viaggiare apre la mente...
11
Semi
Semi
23/03/2014 1126
Rispondi Abuso
Inserito il 10/05/2020 alle: 20:42:26
In risposta al messaggio di camperistadoc del 09/05/2020 alle 18:28:18

Sulla scia del topic (Giancarlo il camaleonte non me ne voglia) sto pensando di mettere in mantenimento le mie 2 uniche batterie anzichè costantemente con la 220V gestite da un CBE 516 ed una centralina CBE DS 300 EL alimentandaole
con un pannello solare (50 watt?) Istallato sopra la tettoia di mia proprietà... Mi collegherei direttamente all'uscita AUX (solar) della centralina in modo da passare attraverso il diodo/resistenza già presente sulla centralina e che fino ad ora mi ha permesso di tenere la BM da più di 9 anni in forma smagliante. Idea malsana/complicarsi la vita o risparmio di corrente/meno inquinamento? Cosa ne pensate? Allego schema centralina: Ciao
...
Dove si trova nella tua centralina l'entrata per il pannello solare? 
Semi
11
Semi
Semi
23/03/2014 1126
Rispondi Abuso
Inserito il 10/05/2020 alle: 20:57:07
Ok, ho trovato il pdf con le istruzioni, quell'ingresso ce l'ho anche io ma alla fine è come portare il filo direttamente in batteria, si evita solo il fusibile che è già integrato nella centralina e basta, sarebbe stato bello che la centralina gestisse la carica con anche il parallelatore della batteria motore 
Semi
15
camperistadoc
camperistadoc
04/10/2010 3538
Rispondi Abuso
Inserito il 10/05/2020 alle: 21:33:43
In risposta al messaggio di Semi del 10/05/2020 alle 20:57:07

Ok, ho trovato il pdf con le istruzioni, quell'ingresso ce l'ho anche io ma alla fine è come portare il filo direttamente in batteria, si evita solo il fusibile che è già integrato nella centralina e basta, sarebbe stato bello che la centralina gestisse la carica con anche il parallelatore della batteria motore 
20200510_212805.jpg

Il filo è quello contrassegnato dalla freccia, dovrebbe essere la stessa cosa se si porta il + dal regolatore alla batteria anzichè al cavo della centralina e comunque la funzione mantenimento della BM (che non si chiama parallelatore) è attiva ugualmente.
A qiesto punto è solo una questio e di comodità esecutiva se portare il filo dal regolatore alla BS o al connettore della centralina.

Ciaowink
Viaggiare apre la mente...
11
Semi
Semi
23/03/2014 1126
Rispondi Abuso
Inserito il 11/05/2020 alle: 08:46:17
In risposta al messaggio di camperistadoc del 10/05/2020 alle 21:33:43

Il filo è quello contrassegnato dalla freccia, dovrebbe essere la stessa cosa se si porta il + dal regolatore alla batteria anzichè al cavo della centralina e comunque la funzione mantenimento della BM (che non si chiama
parallelatore) è attiva ugualmente. A qiesto punto è solo una questio e di comodità esecutiva se portare il filo dal regolatore alla BS o al connettore della centralina. Ciao
...
La funzione di carica della BM tramite il parallelatore originale non c'è, lui lavora solo se ha il cavo di presenza della 220 che esce dal 516 o il segnal D+, diverso è se hai messo il sistema diodo+resistenza o l'apparecchiio della CBE apposito, quello originale sicuramente così non va
Semi
18
nino58
nino58
01/08/2007 1183
Rispondi Abuso
Inserito il 11/05/2020 alle: 09:12:12
Abbiamo un fiat Ducato 150 su laika 2018 . Il ns camper prevede in entrambe le batterie (ser+mot) lo staccabatterie di serie . Per quanto riguarda quella dei servizi il classico con la chiavetta e per quanto rigurda quella del motore bisogna fare un manovra fra accensione e porta . Attenzione quando stacco quella del motore se la sosta è lunga debbo disattivare l'antifurto per via della batteria tampone . Non ho mai avuto problemi sulla centralina del Ducato . 
Angelo S.
18
nino58
nino58
01/08/2007 1183
Rispondi Abuso
Inserito il 11/05/2020 alle: 09:12:50
Abbiamo un fiat Ducato 150 su laika 2018 . Il ns camper prevede in entrambe le batterie (ser+mot) lo staccabatterie di serie . Per quanto riguarda quella dei servizi il classico con la chiavetta e per quanto rigurda quella del motore bisogna fare un manovra fra accensione e porta . Attenzione quando stacco quella del motore se la sosta è lunga debbo disattivare l'antifurto per via della batteria tampone . Non ho mai avuto problemi sulla centralina del Ducato . 
Angelo S.
20
Emme48
Emme48
rating

13/01/2006 24516
Rispondi Abuso
Inserito il 11/05/2020 alle: 09:49:12
Da quando hanno inventato i pannelli solari, staccare le batterie in rimessaggio non è affatto una grande idea.

Certo che in quel modo l'allestitore se la cava con 5 euro e fa felice i concessionari che vendono batterie...

Marco.
Marco

http://www.m48.it

15
camperistadoc
camperistadoc
04/10/2010 3538
Rispondi Abuso
Inserito il 11/05/2020 alle: 12:31:54
In risposta al messaggio di Semi del 11/05/2020 alle 08:46:17

La funzione di carica della BM tramite il parallelatore originale non c'è, lui lavora solo se ha il cavo di presenza della 220 che esce dal 516 o il segnal D+, diverso è se hai messo il sistema diodo+resistenza o l'apparecchiio della CBE apposito, quello originale sicuramente così non va
Scusa, ma io leggio o schema eletterco in maniera diversa, ovvero, qualsiasi sia la fonte di energia che ricarica la BS, tramite il diodo/resistenza incorporato sulla scheda, qualcosa va sempre e comunque a finire nella BM, sia che io mi attacchi direttamente alla BS con il regolatore solare sia che mi attacchi all' apposita uscita AUX (solare) della centralina.
Per parallelatore io comunque intendo il relè che commuta quando metto in moto e mette la BM e la BS in parallelo diretto, ma solo ed sesclusivamente a motore in moto tramite D+ (non simulato)

Ciaowink

 
Viaggiare apre la mente...
SostaGruppiCompagniItaliaEsteroMarchiMeccanicaCellulaAccessoriEventiLeggiComportamentiDisabiliIn camper perAltro CamperAltroExtra
167k Facebook
343k Instagram
42,6k TikTok
73,3k Youtube
CamperOnLine - Copyright © 1998-2026 - P.Iva 06953990014
Informativa privacy
Loading...

Accedi

Recupera Password
Nuovo utente

Vuoi eliminare il messaggio?

Sottoscrizione

Anteprima

PREFERENZA

Il messaggio è in fase di inserimento.

loading

CamperOnLine

Buongiorno gentile utente,

da oltre 20 anni Camperonline offre gratuitamente tutti i suoi servizi
grazie agli inserzionisti che ci hanno dato la loro fiducia, permettici di continuare il nostro lavoro disattivando il blocco delle pubblicità.

Grazie della collaborazione.

Azione eseguita con successo

Azione Fallita

Condividi

Condividi questa pagina con:

O copia il link