CamperOnLine
  • Camper
    • Camper usati
    • Camper nuovi
    • Produttori
    • Listino
    • Cataloghi
    • Concessionari e rete vendita
    • Noleggio
    • Van
    • Caravan
    • Fiere
    • Rimessaggi
    • Le prove di CamperOnLine
    • Provati da voi
    • Primo acquisto
    • Area professionisti
  • Accessori
    • Accessori e Prodotti
    • Camping Sport Magenta accessori
    • Produttori
    • Antenne TV
    • Ammortizzatori
    • GPS
    • Pneumatici
    • Rimorchi
    • Provati da Voi
    • Fai da te
  • Viaggi
    • Diari di viaggi in camper
    • Eventi
    • Foto
    • Check list
    • Traghetti
    • Trasporti
  • Sosta
    • Cerca Strutture
    • Sosta
    • Aree sosta camper
    • Campeggi
    • Agriturismi con sosta camper
    • App Camperonline App
    • 10 Consigli utili per la sosta
    • Area strutture
  • Forum
    • Tutti i Forum
    • Sosta
    • Gruppi
    • Compagni
    • Italia
    • Estero
    • Marchi
    • Meccanica
    • Cellula
    • Accessori
    • Eventi
    • Leggi
    • Comportamenti
    • Disabili
    • In camper per
    • Altro Camper
    • Altro
    • Extra
    • FAQ
    • Regolamento
    • Attivi
    • Preferiti
    • Cerca
  • Community
    • COL
    • CamperOnFest
    • Convenzioni Convenzioni
    • Amici
    • Furti
    • Informativa Privacy
    • Lavoro
  • COL
    • News
    • Newsletter
    • Pubblicità
    • Contatto
    • Ora
    • RSS RSS
    • Video
    • Facebook
    • Instagram
  • Magazine
  • Italiano
    • Bienvenue
    • Welcome
    • Willkommen
  • Accedi
CamperOnLine
Camping Sport Magenta
  1. Forum
  2. Tecnica
  3. Accessori
Galleria

Collegamento Thermo top Webasto

Rispondi
Cerca
Berger Camping
SostaGruppiCompagniItaliaEsteroMarchiMeccanicaCellulaAccessoriEventiLeggiComportamentiDisabiliIn camper perAltro CamperAltroExtra
1 20 27
18
tommaso52
tommaso52
29/10/2007 2504
Rispondi Abuso
Inserito il 24/01/2022 alle: 14:19:40
Colleghi camperisti, Buona giornata!
Ho montato, con vari adattamenti, sul mio Jumper/ Ducato un Webasto thermo top usato che funziona egregiamente e ora, come da titolo, devo solo collegare i tubi al circuito del liquido del camper.
Leggendo i vari post sull'argomento e dovendo io usare il Webasto solo per preriscaldare il motore chiedevo, per averne la certezza prima di fare tagli inappropriati, se è corretto che colleghi la mandata e il ritorno ai tubi che portano il liquido al riscaldatore posto in cabina.
Grazie a chi vorrà rispondermi.
14
wippet
wippet
rating

10/02/2012 3311
Rispondi Abuso
Inserito il 24/01/2022 alle: 18:35:09
In risposta al messaggio di tommaso52 del 24/01/2022 alle 14:19:40

Colleghi camperisti, Buona giornata! Ho montato, con vari adattamenti, sul mio Jumper/ Ducato un Webasto thermo top usato che funziona egregiamente e ora, come da titolo, devo solo collegare i tubi al circuito del liquido
del camper. Leggendo i vari post sull'argomento e dovendo io usare il Webasto solo per preriscaldare il motore chiedevo, per averne la certezza prima di fare tagli inappropriati, se è corretto che colleghi la mandata e il ritorno ai tubi che portano il liquido al riscaldatore posto in cabina. Grazie a chi vorrà rispondermi.
...
Perdonami, ma non capisco cosa intendi come "riscaldatore in cabina"...cioe' se intendi il radiatore del riscaldamento di seie del mezzo, quello che in genere si trova sotto il cruscotto.
Se fosse cosi', la risposta e' si, solitamente si collega all'uscita del radiatore, prima che il tubo originale ritorni al motore.
Ovviamente dovrai lasciare il riscaldamento del mezzo in posizione aperta.
Sul mio e' montato cosi' e funziona benissimo da anni.
"My world is miles of endless roads" "The curse of the traveller got a hold on me, and it won't let you be"
18
tommaso52
tommaso52
29/10/2007 2504
Rispondi Abuso
Inserito il 24/01/2022 alle: 18:54:48
In risposta al messaggio di wippet del 24/01/2022 alle 18:35:09

Perdonami, ma non capisco cosa intendi come riscaldatore in cabina...cioe' se intendi il radiatore del riscaldamento di seie del mezzo, quello che in genere si trova sotto il cruscotto. Se fosse cosi', la risposta e' si,
solitamente si collega all'uscita del radiatore, prima che il tubo originale ritorni al motore. Ovviamente dovrai lasciare il riscaldamento del mezzo in posizione aperta. Sul mio e' montato cosi' e funziona benissimo da anni.
...
si, intendevo proprio quello, il radiatore in cabina e quindi mi collego al tubo in ingresso e  quello di uscita corretto?...e durante l'uso del webasto devo tenere il riscaldamento del mezzo in posizione aperta!
18
tommaso52
tommaso52
29/10/2007 2504
Rispondi Abuso
Inserito il 24/01/2022 alle: 19:04:55
..per intenderci così..IMG-0380.JPG
18
niknik02
niknik02
27/09/2007 2352
Rispondi Abuso
Inserito il 24/01/2022 alle: 19:45:01
Il disegno va bene, metti due valvole per intercettare i rami a Thermotop sotto ai T, collega la mandata del webasto al primo tubo che si scalda,l'aspirazione nell'altro 
Sala Silvergruva, la miniera d'argento
Sala Silvergruva, la miniera d'argento
Folgaria d’inverno in camper
Folgaria d’inverno in camper
Francia 2025
Francia 2025
Eksjo, la città di legno
Eksjo, la città di legno
Viaggio in Umbria e dintorni
Viaggio in Umbria e dintorni
Previous Next
18
tommaso52
tommaso52
29/10/2007 2504
Rispondi Abuso
Inserito il 24/01/2022 alle: 21:20:25
In risposta al messaggio di niknik02 del 24/01/2022 alle 19:45:01

Il disegno va bene, metti due valvole per intercettare i rami a Thermotop sotto ai T, collega la mandata del webasto al primo tubo che si scalda,l'aspirazione nell'altro 
le valvole, anche se nel disegno non ci sono, sono già montate. manca solo il collegamento con i "T " ed  ora che ho avuto conferma sui collegamenti, procedo!
grazie per la collaborazione.wink
15
massimo2020
massimo2020
23/07/2010 4687
Rispondi Abuso
Inserito il 24/01/2022 alle: 21:27:03
Scusate ma a mio avviso il termotop deve essere collegato in serie al solo tubo che va dal radiatore interno al motore; deve essere tagliato solo 1 tubo.
Saluti Massimo
11
Semi
Semi
23/03/2014 1126
Rispondi Abuso
Inserito il 24/01/2022 alle: 21:36:10
Sulle istruzioni ufficiali del thermotop su ducato delle varie annate ci sono montaggi sia in serie che in parallelo. Io nel mio l'ho montato in serie, tagliando, come da istruzioni ufficiali, il tubo in uscita dallo scambiatore e mettendo in mezzo il riscaldatore, funziona benissimo 
Semi
18
tommaso52
tommaso52
29/10/2007 2504
Rispondi Abuso
Inserito il 24/01/2022 alle: 23:25:35
In risposta al messaggio di massimo2020 del 24/01/2022 alle 21:27:03

Scusate ma a mio avviso il termotop deve essere collegato in serie al solo tubo che va dal radiatore interno al motore; deve essere tagliato solo 1 tubo.
surprise!..e ora che faccio?
comunque, ragionandoci, vanno bene tutte e due le soluzioni!

Modificato da tommaso52 il 24/01/2022 alle 23:27:20
19
IZ4DJI
IZ4DJI
rating

12/11/2006 58356
Rispondi Abuso
Inserito il 24/01/2022 alle: 23:37:34
Non so se puo essere utile:

2022_01_24_22_35_101.png


Istruzioni ufficiali Webasto per X250 dal 2006

Se ti serve ho il completo manuale di installazione che scaricai dalla rete anni fa.
____________________________________

Tommaso IZ4DJI

www.iz4dji.it





Modificato da IZ4DJI il 24/01/2022 alle 23:41:04
18
niknik02
niknik02
27/09/2007 2352
Rispondi Abuso
Inserito il 25/01/2022 alle: 00:43:28
Se lo metti in serie ed hai il rubinetto chiuso del riscaldamento...l'acqua sul webasto fase motore non circola
20
Emme48
Emme48
rating

13/01/2006 24511
Rispondi Abuso
Inserito il 25/01/2022 alle: 02:41:18
Lo schema di Tommaso IZ4DJI non mi torna, il tubo G collega la mandata e il ritorno del motore tra loro.
Col motore acceso e Webasto spento, la freccia sul tubo G diventa al contrario con l'acqua pompata dalla pompa del motore che rientra direttamente senza passare da nessun radiatore.

E già che ci siamo... un eventuale scambiatore di calore da mettere in cellula per scaldare l'ambiente sia col motore che col Thermotop, dove andrebbe messo?
Secondo me va in serie pure lui.

È corretto quello che dice Massimo2020, però è una informazione incompleta, il Thermotop va collegato in serie ma con la sua pompa che segue il percorso dell'acqua del motore, questo per poter accendere contemporaneamente sia il Thermotop che il motore nel caso di climi molto freddi dove la temperatura dell'acqua non riesce a salire e va aiutata col Webasto.

Quindi solo il ritorno del radiatore del riscaldamento va tagliato e il tubo che arriva dal radiatore va mandato all'ingresso del Thermotop la cui uscita va al tubo tagliato che prosegue  in direzione della testata.

Niente T, solo 2 raccordi per innestare 2 tubi..

Enzo44 dove sei?

Marco.
Marco

http://www.m48.it


Modificato da Emme48 il 25/01/2022 alle 04:02:49
Argomenti recenti dal forum
Accessori
Impianto 13 poli gancio traino schema
Ciao a tutti, Dubito di risolvere, ma la community qui é numerosa e ...
maaaxxx
Oggi alle 18:27
Meccanica
Un aiutino da casa x Crossclimate
Mi sono un po perso sulle pressioni corrette , il mezzo è su Ducato ...
dadamazz
Oggi alle 18:05
Aree di sosta e campeggi
Area sosta sul lago di Barcis
Ciao a tutti , qualcuno è stato a Pasqua nell'area sosta camper a Ba...
diabolik
Oggi alle 16:14
Accessori
Interpretare smartshunt
Buongiorno, nel cammin di mezza via . . . Mi ritrovo con 2 BS 110AH ...
isauri
Oggi alle 15:21
Accessori
monitoraggio pressione pneumatici
Buongiorno a tutti, volevo chiedere se qualcuno ha montato un TPMS d...
Walter62
Oggi alle 14:11
Aree di sosta e campeggi
Area sosta a primaluna LECCO
Buongiorno chiedo x piacere,,qualcuno e stato recentemente all,area ...
giuvanella
Oggi alle 13:26
Cellula abitativa
Cavi dietro sedile lato passeggero ducato 244
Buongiorno a tutti, sul mio ducato 244 esce dietro il sedile una lin...
CamperistaPN
Oggi alle 08:55
In camper per
Studio di settore sulle aree camper
Buona sera a tutti Sono qua a chiedere qualche minuto del vostro tem...
kettyke
Ieri alle: 23:02
Meccanica
Arca america 2024
Buonasera a tutti, vorrei capire se il camper in oggetto può già ave...
Adocaro
Ieri alle: 19:14
Cellula abitativa
motorhome hymer 2003 non carica bs
Buongiorno a tutti, ho un problema e spero nel Vostro aiuto. Attacc...
salva56
Ieri alle: 14:29
Viaggi in Italia
Ciclabili Verona est
Abbiamo letto la pagina web dell'agricamping Oro verde a Verona. Sap...
rlui
Ieri alle: 14:28
Accessori
Installazione retrocamera posteriore
Ciao a tutti, ho acquistato un Krunia Schermo Portatile 8'' per Appl...
Karbon17
Ieri alle: 10:10
Cellula abitativa
Mercedes Viano Marco Polo allestito Westfalia
Buongiorno a tutti, per il mio Viano Marco Polo allestito Westfalia ...
Salo
Ieri alle: 09:31
Meccanica
Fanale opacizzato
Ciao, ho un Ducato i cui fanali anteriori sono opacizzati. Quest'ann...
Maiamaia4
Ieri alle: 08:35
Aree di sosta e campeggi
Villalago
Buona sera vorrei un informazione, a primavera vorrei andare a visit...
PetruDaniele
13/03/26 - 21:01
18
niknik02
niknik02
27/09/2007 2352
Rispondi Abuso
Inserito il 25/01/2022 alle: 08:32:12
Il collegamento si può fare sia in serie che in parallelo,se lo si fa in serie e si ha una perdita sul riscaldatore si è a piedi con il mezzo,se non si hail rubinetto aperto in cabina non circola h2o,in parallelo funziona egregiamente con le due vb o vs da mettere  nei T
18
tommaso52
tommaso52
29/10/2007 2504
Rispondi Abuso
Inserito il 25/01/2022 alle: 08:37:23
In risposta al messaggio di Emme48 del 25/01/2022 alle 02:41:18

Lo schema di Tommaso IZ4DJI non mi torna, il tubo G collega la mandata e il ritorno del motore tra loro. Col motore acceso e Webasto spento, la freccia sul tubo G diventa al contrario con l'acqua pompata dalla pompa del motore
che rientra direttamente senza passare da nessun radiatore. E già che ci siamo... un eventuale scambiatore di calore da mettere in cellula per scaldare l'ambiente sia col motore che col Thermotop, dove andrebbe messo? Secondo me va in serie pure lui. È corretto quello che dice Massimo2020, però è una informazione incompleta, il Thermotop va collegato in serie ma con la sua pompa che segue il percorso dell'acqua del motore, questo per poter accendere contemporaneamente sia il Thermotop che il motore nel caso di climi molto freddi dove la temperatura dell'acqua non riesce a salire e va aiutata col Webasto. Quindi solo il ritorno del radiatore del riscaldamento va tagliato e il tubo che arriva dal radiatore va mandato all'ingresso del Thermotop la cui uscita va al tubo tagliato che prosegue  in direzione della testata. Niente T, solo 2 raccordi per innestare 2 tubi.. Enzo44 dove sei? Marco.
...
quindi Marco, secondo il tuo ragionamento il collegamento andrebbe fatto così?
IMG-0381.JPG
18
tommaso52
tommaso52
29/10/2007 2504
Rispondi Abuso
Inserito il 25/01/2022 alle: 09:23:33
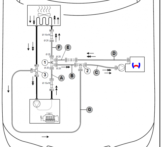
ho studiato il manuale d'installazione che mi ha postato Tommaso, che ringrazio e semplificandolo, sono arrivato alla conclusione che il collegamento andrebbe fatto in questa maniera, interponendo tre rubinetti d'intercettazione dove, quando in uso il Webasto (periodo invernale), i rubinetti 1 e 2 aperti e 3 chiuso, mentre in estate 3 aperto e 1 e 2 chiusi così da escluderlo dalla circolazione del liquido. 
Vi sembra corretto?IMG-0382.JPG
18
niknik02
niknik02
27/09/2007 2352
Rispondi Abuso
Inserito il 25/01/2022 alle: 09:31:36
Sbagliato 
19
IZ4DJI
IZ4DJI
rating

12/11/2006 58356
Rispondi Abuso
Inserito il 25/01/2022 alle: 09:40:34
In risposta al messaggio di Emme48 del 25/01/2022 alle 02:41:18

Lo schema di Tommaso IZ4DJI non mi torna, il tubo G collega la mandata e il ritorno del motore tra loro. Col motore acceso e Webasto spento, la freccia sul tubo G diventa al contrario con l'acqua pompata dalla pompa del motore
che rientra direttamente senza passare da nessun radiatore. E già che ci siamo... un eventuale scambiatore di calore da mettere in cellula per scaldare l'ambiente sia col motore che col Thermotop, dove andrebbe messo? Secondo me va in serie pure lui. È corretto quello che dice Massimo2020, però è una informazione incompleta, il Thermotop va collegato in serie ma con la sua pompa che segue il percorso dell'acqua del motore, questo per poter accendere contemporaneamente sia il Thermotop che il motore nel caso di climi molto freddi dove la temperatura dell'acqua non riesce a salire e va aiutata col Webasto. Quindi solo il ritorno del radiatore del riscaldamento va tagliato e il tubo che arriva dal radiatore va mandato all'ingresso del Thermotop la cui uscita va al tubo tagliato che prosegue  in direzione della testata. Niente T, solo 2 raccordi per innestare 2 tubi.. Enzo44 dove sei? Marco.
...
Lo schema non lo ho studiato, anche perchè a me non interessa personalmente, ma è il manuale di installazione ufficiale del Webasto. Va studiato bene con anche la leggenda alla mano.
Non vorrei che ci fosse qualche valvola termostatica come c'è per esempio nel mio sullo Sprinter.

Da me lo schema è questo, con la valvola 3 che permette di scaldare solo abitacolo o motore e abitacolo:



____________________________________

Tommaso IZ4DJI

www.iz4dji.it





Modificato da IZ4DJI il 25/01/2022 alle 09:42:42
18
tommaso52
tommaso52
29/10/2007 2504
Rispondi Abuso
Inserito il 25/01/2022 alle: 09:58:32
In risposta al messaggio di niknik02 del 25/01/2022 alle 09:31:36

Sbagliato 
fammi capire perchè è sbagliato!
18
tommaso52
tommaso52
29/10/2007 2504
Rispondi Abuso
Inserito il 25/01/2022 alle: 10:14:52
Nik, ho riletto bene i tuoi interventi precedenti e ho dedotto che il primo collegamento (foto n°1) è quello corretto, interponendo naturalmente due rubinetti che intercettano il Webasto.
..quindi, collegamento in parallelo, dove la mandata del Webasto viene collegata prima dell'aerotermo e il ritorno all'uscita dello stesso, con l'aggiunta di due rubinetti d'intercettazione che, in caso di perdita, ti permettono di non restare a piedi! 
18
niknik02
niknik02
27/09/2007 2352
Rispondi Abuso
Inserito il 25/01/2022 alle: 11:42:24
In risposta al messaggio di tommaso52 del 25/01/2022 alle 10:14:52

Nik, ho riletto bene i tuoi interventi precedenti e ho dedotto che il primo collegamento (foto n°1) è quello corretto, interponendo naturalmente due rubinetti che intercettano il Webasto. ..quindi, collegamento in parallelo,
dove la mandata del Webasto viene collegata prima dell'aerotermo e il ritorno all'uscita dello stesso, con l'aggiunta di due rubinetti d'intercettazione che, in caso di perdita, ti permettono di non restare a piedi! 
...
Esattamente....
nell'ultimo disegno che hai fatto non avrai mai la circolazione del liquido mettendo aspirazione e mandata sulla stessa linea, e poi il webasto non credo neanche funzionerebbe...blocco per alta temperatura 
19
IZ4DJI
IZ4DJI
rating

12/11/2006 58356
Rispondi Abuso
Inserito il 25/01/2022 alle: 13:09:53
Nella installazione ufficiale viene inserita anche una valvola di non ritorno per avere la corretta circolazione.
____________________________________

Tommaso IZ4DJI

www.iz4dji.it




SostaGruppiCompagniItaliaEsteroMarchiMeccanicaCellulaAccessoriEventiLeggiComportamentiDisabiliIn camper perAltro CamperAltroExtra
167k Facebook
343k Instagram
42,6k TikTok
73,3k Youtube
CamperOnLine - Copyright © 1998-2026 - P.Iva 06953990014
Informativa privacy
Loading...

Accedi

Recupera Password
Nuovo utente

Vuoi eliminare il messaggio?

Sottoscrizione

Anteprima

PREFERENZA

Il messaggio è in fase di inserimento.

loading

CamperOnLine

Buongiorno gentile utente,

da oltre 20 anni Camperonline offre gratuitamente tutti i suoi servizi
grazie agli inserzionisti che ci hanno dato la loro fiducia, permettici di continuare il nostro lavoro disattivando il blocco delle pubblicità.

Grazie della collaborazione.

Azione eseguita con successo

Azione Fallita

Condividi

Condividi questa pagina con:

O copia il link