In risposta al messaggio di mimmo69 del 22/01/2026 alle 21:06:01Ehhhh :-)...non credo avrai la risposta che cerchi. ...ma son curioso:-).
Come sempre le abitudini e le esigenze devono fare le dotazioni. Al momento, oltre a quel pannellino, ho 2 DCDC da 40A cadauno (col D+ intercettato per avere 0 - 40A - 40B - 80AB), truma D, frigo compressore, nespresso ephon per la signora (e me per la mia lunga barba), TV e carica aspirapolvere, cellulari, PC.... con inverter da 2kw con circuito di priorità, 230v in tutte le prese e differenziale dedicato. Non sto mai 4gg fermo nello stesso posto e come ho già raccontato, sono stato dal 2 al 6/1 in giro, arrivato a destinazione col SOC 100%, senza attaccarmi alla rete e con i DCDC spenti, caffè, tv, frigo, truma e sono tornato al casa con 50% di 300Ah di litio ancora disponibili. Tutto in giorni di pioggia (ahimè!), Ho acceso un solo DCDC per un'oretta al ritorno per lasciare il mezzo in rimessaggio col 65-70% di SOC Credo che tutto quadri alla perfezione NEL MIO CASO. Ecco perchè l'eventuale cambio del regolatore lo farei solo per una questione di sicurezza dell'impianto (che voglio capire bene se serve o no) e non per una miglior carica. Il giorno che diventerò stanziale, lo farò in camping se non AA, collegato alla rete. Ma forse non avrò più il VAN. Ecco perchè dico: se devo diventare ***** per un pannellino, piuttosto lo tolgo, non perchè aprioristicamente non ne valuto l'utilità. Tutto è utile, ma solo se serve. Quindi torniamo all'inizio. La mia configurazione è sicura o no? Serve o no spendere 130 euro per un Wmarine 10 che, con l'occasione, mi garantirebbe forse qualche A in più al giorno?
In risposta al messaggio di mimmo69 del 22/01/2026 alle 20:00:51Si, è solo questione di costi, tanto il cliente medio (o io 5 anni fa
Avevo immaginato, ma sarà solo una questione di costi in quanto è l'impianto di serie del mio mezzo che è un 2025. Restano in piedi le mie domande P.S.: il pannello non si cambia. alla peggio lo smonto
.png)
In risposta al messaggio di campier65 del 22/01/2026 alle 20:58:06Il riscaldatore non è a gasolio il mio
No figurati:-) non ho le competenze tecniche per interpretare uno schema elettronico. Ero un po' fuori strada tra le due esposizioni. Il pwm con il possibile guasto che danneggerebbe molte componenti a prescindere e l'accoppiatapwm litio, sono andato un po' in confusione. Credo pure che se queste problematiche avessero assunto una percentuale degna di nota avrebbero aggiustato il tiro aumentando la sicurezza (spero) :-). Se il guasto (raro come da te detto) dovesse accadere avrei danni all' inverter (che magari ha una protezione da sovraccarichi. Il riscaldatore non è a gasolio il mio). Conti in tasca (se non prende fuoco tutto il van) e un costo minore... Rileggo il tuo post e mi vengono altri incomprensioni, hai scritto nessun problema per le utenze sotto centralina ma inverter & posso subire danni in pratica. La il connettore del pwm entra direttamente nella centralina, non sarebbe la prima a subire?
In risposta al messaggio di mimmo69 del 22/01/2026 alle 21:06:01Tra essere stanziale e chi preferisce fare il camionista spostandosi tutti i giorni (tutte scelte legittime) ci sono io, in questo viaggio ho già percorso oltre 3800 km, mi fermo spesso in campeggio ma la corrente in Marocco è instabile, infatti tutti i francesi stanziale sono dotati di stabilizzatore, qui di preferisco essere autonomo, quest'anno è particolarmente piovoso, dicono che da 70 anni non pioveva così tanto, su queste strade non viaggio con la pioggia che non consente di stimare la dimensione delle frequenti buche quindi Don rimasto fermo più volte 5 giorni di fila, oppure vado a visitare luoghi usando la moto.
Come sempre le abitudini e le esigenze devono fare le dotazioni. Al momento, oltre a quel pannellino, ho 2 DCDC da 40A cadauno (col D+ intercettato per avere 0 - 40A - 40B - 80AB), truma D, frigo compressore, nespresso ephon per la signora (e me per la mia lunga barba), TV e carica aspirapolvere, cellulari, PC.... con inverter da 2kw con circuito di priorità, 230v in tutte le prese e differenziale dedicato. Non sto mai 4gg fermo nello stesso posto e come ho già raccontato, sono stato dal 2 al 6/1 in giro, arrivato a destinazione col SOC 100%, senza attaccarmi alla rete e con i DCDC spenti, caffè, tv, frigo, truma e sono tornato al casa con 50% di 300Ah di litio ancora disponibili. Tutto in giorni di pioggia (ahimè!), Ho acceso un solo DCDC per un'oretta al ritorno per lasciare il mezzo in rimessaggio col 65-70% di SOC Credo che tutto quadri alla perfezione NEL MIO CASO. Ecco perchè l'eventuale cambio del regolatore lo farei solo per una questione di sicurezza dell'impianto (che voglio capire bene se serve o no) e non per una miglior carica. Il giorno che diventerò stanziale, lo farò in camping se non AA, collegato alla rete. Ma forse non avrò più il VAN. Ecco perchè dico: se devo diventare ***** per un pannellino, piuttosto lo tolgo, non perchè aprioristicamente non ne valuto l'utilità. Tutto è utile, ma solo se serve. Quindi torniamo all'inizio. La mia configurazione è sicura o no? Serve o no spendere 130 euro per un Wmarine 10 che, con l'occasione, mi garantirebbe forse qualche A in più al giorno?
In risposta al messaggio di Steu851 del 22/01/2026 alle 21:49:31Tutto condivisibile ma mi spieghi meglio un passaggio, anzi due? "Togliere la ricarica dall'alternatore" ..che intendi? Hai tolto l'alternatore dal mezzo? "Passare dal trivalente al compressore" ...come pregiudica i consumi del motore?
Tra essere stanziale e chi preferisce fare il camionista spostandosi tutti i giorni (tutte scelte legittime) ci sono io, in questo viaggio ho già percorso oltre 3800 km, mi fermo spesso in campeggio ma la corrente in Maroccoè instabile, infatti tutti i francesi stanziale sono dotati di stabilizzatore, qui di preferisco essere autonomo, quest'anno è particolarmente piovoso, dicono che da 70 anni non pioveva così tanto, su queste strade non viaggio con la pioggia che non consente di stimare la dimensione delle frequenti buche quindi Don rimasto fermo più volte 5 giorni di fila, oppure vado a visitare luoghi usando la moto. Ogniuno ha io suo modo di viaggiare, io stesso sono cambiato anche solo dallo scorso anno. Sono anche tirchio su certe cose, la ricarica da alternatore non è gratis, si ripercuote sui consumi, togliendo la ricarica da alternatore e passando dal trivalente al compressore ritengo, controllando lo storico dei consumi una riduzione di 1 km/l, sembra poco, ma su oltre 20000 km l'anno sono più di 200 litri di gasolio risparmiati.
In risposta al messaggio di Lebowski del 22/01/2026 alle 21:19:48Il pannello è da 200w e il regolatore è epever. Il Vechline lo avevo sul precedente.
Si, è solo questione di costi, tanto il cliente medio (o io 5 anni fa ) solo vede che gli hanno messo il pannello solare (da ben 120W!) ed è già soddisfatto. Il PWM aveva senso quando l'MPPT non esisteva o era un prodottodi nicchia, adesso non ha nessun senso (meno quello di smaltire le scorte di PWM vechline, gruppo trigano, che trigano ha in magazzino ): è meno efficiente ed è pericoloso (anche con batteria al piombo, anche se questa fa da buffer e tende a mantenere la tensione del circuito più bassa). E poi un buon regolatore MPPT è più caro di un PWM cinesium (che fra parentesi spacciano per MPPT) ma non molto più caro del PWM vechline (che se lo compri mica te lo regalano. Edit: e qui mi sbaglio, ho controllato i prezzi online e il vechline costa veramente poco, quasi come un cinesium). Edit: per cinesium intendo questo, che nonostante metta MPPT è PWM e della peggior specie, anche peggio del vechline
In risposta al messaggio di campier65 del 22/01/2026 alle 22:04:09Inizialmente avevo batteria AGM ricaricata in viaggio tramite relè parallelatore, frigo trivalente, che a 12V assorbiva 12A, per prima cosa misi la batteria litio col dc-dc da 30A.
Tutto condivisibile ma mi spieghi meglio un passaggio, anzi due? Togliere la ricarica dall'alternatore ..che intendi? Hai tolto l'alternatore dal mezzo? Passare dal trivalente al compressore ...come pregiudica i consumi del motore? PS. Spero di andare il prossimo ottobre/novembre in Marocco. Magari ti chiedo info in altri modi;-).
In risposta al messaggio di campier65 del 22/01/2026 alle 20:58:06Gli inverter e i riscaldatori a gasolio vengono collegati direttamente al positivo che va alla BS e a tutti i sistemi di ricarica, non alla centralina che FORSE protegge da sovratensioni, forse...
No figurati:-) non ho le competenze tecniche per interpretare uno schema elettronico. Ero un po' fuori strada tra le due esposizioni. Il pwm con il possibile guasto che danneggerebbe molte componenti a prescindere e l'accoppiatapwm litio, sono andato un po' in confusione. Credo pure che se queste problematiche avessero assunto una percentuale degna di nota avrebbero aggiustato il tiro aumentando la sicurezza (spero) :-). Se il guasto (raro come da te detto) dovesse accadere avrei danni all' inverter (che magari ha una protezione da sovraccarichi. Il riscaldatore non è a gasolio il mio). Conti in tasca (se non prende fuoco tutto il van) e un costo minore... Rileggo il tuo post e mi vengono altri incomprensioni, hai scritto nessun problema per le utenze sotto centralina ma inverter & posso subire danni in pratica. La il connettore del pwm entra direttamente nella centralina, non sarebbe la prima a subire?
http://www.m48.it
In risposta al messaggio di banoyo del 23/01/2026 alle 10:12:12
Un guasto simile con conseguenze identiche può verificarsi anche per un CB guasto, un DC-DC e anche il regolatore che controlla la tensione dell'alternatore. Il PWM è solo uno dei tanti. La sovra tensione può danneggiarele schede elettroniche di qualsiasi dispositivo collegato, inverter, centralina e display centralina, scheda frigorifero, riscaldatore, scheda stufa gas/gasolio...in pratica quasi tutto. Non è detto che un MPPT è immune da in problema simile, dipende da come è stato progettato. Paradossalmente uno potrebbe avere un PWM che non ha questo problema e montare un Mppt che potenzialmente ha il problema. Non è solo quel componente descritto da M48 ha creare problemi del genere, anche componenti a monte, se guasti, possono provocare problemi simili. Basta una resistenza o un condensatore, che con il tempo deteriorano, per avere in uscita tensioni non controllate...questo può succedere su quasi tutti i dispositivi di ricarica. Per questo M48 ha creato un sistema di controllo che stacca tutto. Io avevo pensato di farlo con un diodo zener e un relè bistabile...ma poi non l'ho mai fatto, il costo per farlo è di pochi euro, 10/15euro. Se qualcuno interessa ed è in zona Milano ho alcuni relè bistabili, 12V-32A, da regalare, ne ho presi troppi.
http://www.m48.it
In risposta al messaggio di Steu851 del 22/01/2026 alle 23:21:56Ok perfetto, il DCDC interviene durante la marcia giusto? Quindi te dici che se la batteria è già carica non ha motivo di assorbire corrente e lo spegni, il frigo a 12 V prende dalla BS (non passa però dalla centralina? ) quindi non dovrebbe "ciucciare" dall'alternatore (giusto? :-) ).
Inizialmente avevo batteria AGM ricaricata in viaggio tramite relè parallelatore, frigo trivalente, che a 12V assorbiva 12A, per prima cosa misi la batteria litio col dc-dc da 30A. Il dc-dc victron si può abitare o disabilitareda app, io lo tengo disabilitato, il frigo a compressore è collegato alla batteria servizi, ho anche sostituito le lampade anabbaglianti alogene con le osram led omologate, oltre a fare più luce (motivo della sostituzione) consumano 32W anzichè 110 W, altri 6A risparmiati, alla fine sono quasi 700W, circa 1 CV..
In risposta al messaggio di campier65 del 23/01/2026 alle 12:23:30Osram Night Breaker led | Pagina 1 | CamperOnLine
Ok perfetto, il DCDC interviene durante la marcia giusto? Quindi te dici che se la batteria è già carica non ha motivo di assorbire corrente e lo spegni, il frigo a 12 V prende dalla BS (non passa però dalla centralina?) quindi non dovrebbe ciucciare dall'alternatore (giusto? :-) ). Mi interessa il discorso luci LED. Credi che quel cavallo in meno possa trasformarsi in un consumo di 1 km/Lt in meno? Ho i miei dubbi. Già l'uso parsimonioso ( e li si parla di 20/30 CV in meno) del clima fa' differenza sui consumi. Tutto è interessante ma x me non ai fini di risparmio carburante. Edit: mi passeresti un link delle luce led? ( Modello e caratteristiche? :-)
In risposta al messaggio di Emme48 del 23/01/2026 alle 11:12:33Tu hai fatto un gran lavoro, io pensavo di scollegare solo il filo che arriva dai sistemi di ricarica.
Concordo con tutto quello che scrivi. Come meccanismo di scollegamento però ti consiglio un magnetotermico con bobina di sgancio abbinata. Costa poco e sono tutti componenti standard e cerificati. Crei un +12V attingendoda tutte le batterie con dei diodi, la bobina si isola da sola dopo che ha sganciato e in più hai anche una protezione amperometrica. Mandando a massa quel filo sulla bobina di sgancio scolleghi tutto, un transistor NPN con zene+resistenza sulla base farebbe il controllo di extratensione, ricordati la resistenza tra base ed emettitore, altrimenti al primo disturbo rimani al buio. Su quel filo metti tutti i disgiuntori termici che ti pare, inoltre puoi scollegare tutto manualmente per manutenzione. Hai detto una cosa molto giusta, qualunque caricabatterie può impazzire, chi più chi meno. Solo un controllo finale di extratensione è un metodo sicuro, però col mio schema vengono implementati anche i controlli di extracorrenti (magnetotermico) e di extratemperature (disgiuntori N.O. da 60 gradi). Un disgiuntore termico anche sull'inverter lo vedrei bene.
In risposta al messaggio di mimmo69 del 23/01/2026 alle 13:41:30Grazie del link;-).
Osram Night Breaker led | Pagina 1 | CamperOnLine Lo spegnimento del DCDC dal mio punto di vista non serve solo a risparmiare alternatore, ma anche batterie. Io che mi sposto spesso, ad esempio, arrivo in zona col 100%,il giorno dopo sono al 90 e devo spostarmi. Ricaricare, a quel punto, per me, non è salutare per le batterie e così vado avanti fino a quando posso e poi lo riaccendo. Magari lo faccio quando so di fare un pò di strada, sufficiente a riportarmi al 100% se sono ancora in vacanza o meno (sotto l'80) se so di dover lasciare il mezzo in rimessaggio e non lascio mai le litio cariche al 100 se non devono lavorare. Dei consumi non me ne sono, nè voglio, preoccuparmene perchè nel mio caso non avrebbero un impatto significativo.
In risposta al messaggio di campier65 del 23/01/2026 alle 12:23:30Il frigo a compressore funziona esclusivamente a 12V, alimentato sempre solo dalla batteria servizi.
Ok perfetto, il DCDC interviene durante la marcia giusto? Quindi te dici che se la batteria è già carica non ha motivo di assorbire corrente e lo spegni, il frigo a 12 V prende dalla BS (non passa però dalla centralina?) quindi non dovrebbe ciucciare dall'alternatore (giusto? :-) ). Mi interessa il discorso luci LED. Credi che quel cavallo in meno possa trasformarsi in un consumo di 1 km/Lt in meno? Ho i miei dubbi. Già l'uso parsimonioso ( e li si parla di 20/30 CV in meno) del clima fa' differenza sui consumi. Tutto è interessante ma x me non ai fini di risparmio carburante. Edit: mi passeresti un link delle luce led? ( Modello e caratteristiche? :-)
In risposta al messaggio di campier65 del 23/01/2026 alle 14:12:40Mah, io campo benissimo. L'impianto è stato pensato, progettato e settato in base alle mie esigenze e va da sè. Io devo solo spingere su un interruttore che accende o spegne il DCDC. E' vicino al sedile di guida per cui....campo.
Grazie del link;-). Scusa, si ha senso magari aspettare che l batteria scenda in maniera significativa per poi darle una ricarica ( siamo sempre alle statistiche del numero di cicli di ricarica), è un po' come aspettareche il cellulare vada al minimo per collegargli il caricabatterie. Però... quando la batteria si è caricata (anche con DCDC acceso) non stacca da sola la carica e si tiene in mantenimento ( cosa prevista)? Tutto ci sta' ma se (almeno x me ) pensare a tutte ste cose non si campa più:-).
In risposta al messaggio di campier65 del 23/01/2026 alle 14:38:01Il Vmarine ricarica la BS, la BM la tieni carica con diodo+resistenza.
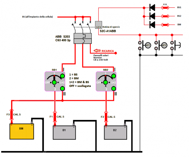
Alcune domande sono rimaste indietro dall'avanzare delle risposte e spostamenti di interesse :-). X m48 (giusto xchè mi ha consigliato lui il pezzo) , il regolatore wmarine vedo in foto (come mi sa tutti gli mttp) ha uningresso del FV, un uscita per la BS e poi leggo load. Sul moscatelli la serigrafia dice batteria 1 FV e batteria 2. Il wmarine carica entrambe le batterie? Preso quello basta che stacco i fili dal moscatelli e li metto (in che modo apparte la certezza della batteria 1 e FV?) nel wmarine? :-) grazie
http://www.m48.it
In risposta al messaggio di campier65 del 23/01/2026 alle 14:12:40Personalmente da quando ho montato una litio di 300Ah campo molto, ma molto meglio rispetto a prima...ho dimenticato cosa sono i problemi di autonomia.
Grazie del link;-). Scusa, si ha senso magari aspettare che l batteria scenda in maniera significativa per poi darle una ricarica ( siamo sempre alle statistiche del numero di cicli di ricarica), è un po' come aspettareche il cellulare vada al minimo per collegargli il caricabatterie. Però... quando la batteria si è caricata (anche con DCDC acceso) non stacca da sola la carica e si tiene in mantenimento ( cosa prevista)? Tutto ci sta' ma se (almeno x me ) pensare a tutte ste cose non si campa più:-).
In risposta al messaggio di Emme48 del 23/01/2026 alle 16:33:41Scusami, non è il fatto di non leggere documenti tecnici, ma se pensi a tutti gli accessori che abbiamo nominato in questo post avrei dovuto scaricare decine di documenti tecnici che magari neanche avrei compreso ( x quelli che ho letto ho letto spesso "protezione sovralimentazione... protezione cortocircuiti...protezione dal mondo poi qui leggo che da persone competenti che possono succedere catastrofi ;-). Un forum non credo serve a risparmiare tempo ma x farsi consigliare da persone più competenti. Se non si vuole perdere molto tempo credo che la miglior cosa sia non rispondere.
Il Vmarine ricarica la BS, la BM la tieni carica con diodo+resistenza. Load agisce sul negativo, il positivo è fisso sulla BS. È indispensable decidersi a leggere la manualistica degli oggetti tecnici, non si possono perdere ore sui forum per risparmiare minuti di lettura. Come puoi essere sicuro che ti ho detto cose giuste?