CamperOnLine
  • Camper
    • Camper usati
    • Camper nuovi
    • Produttori
    • Listino
    • Cataloghi
    • Concessionari e rete vendita
    • Noleggio
    • Van
    • Caravan
    • Fiere
    • Rimessaggi
    • Le prove di CamperOnLine
    • Provati da voi
    • Primo acquisto
    • Area professionisti
  • Accessori
    • Accessori e Prodotti
    • Camping Sport Magenta accessori
    • Produttori
    • Antenne TV
    • Ammortizzatori
    • GPS
    • Pneumatici
    • Rimorchi
    • Provati da Voi
    • Fai da te
  • Viaggi
    • Diari di viaggi in camper
    • Eventi
    • Foto
    • Check list
    • Traghetti
    • Trasporti
  • Sosta
    • Cerca Strutture
    • Sosta
    • Aree sosta camper
    • Campeggi
    • Agriturismi con sosta camper
    • App Camperonline App
    • 10 Consigli utili per la sosta
    • Area strutture
  • Forum
    • Tutti i Forum
    • Sosta
    • Gruppi
    • Compagni
    • Italia
    • Estero
    • Marchi
    • Meccanica
    • Cellula
    • Accessori
    • Eventi
    • Leggi
    • Comportamenti
    • Disabili
    • In camper per
    • Altro Camper
    • Altro
    • Extra
    • FAQ
    • Regolamento
    • Attivi
    • Preferiti
    • Cerca
  • Community
    • COL
    • CamperOnFest
    • Convenzioni Convenzioni
    • Amici
    • Furti
    • Informativa Privacy
    • Lavoro
  • COL
    • News
    • Newsletter
    • Pubblicità
    • Contatto
    • Ora
    • RSS RSS
    • Video
    • Facebook
    • Instagram
  • Magazine
  • Italiano
    • Bienvenue
    • Welcome
    • Willkommen
  • Accedi
CamperOnLine
Camping Sport Magenta
  1. Forum
  2. Tecnica
  3. Accessori
Galleria

Quali diodi Schottky?

Rispondi
Cerca
Berger Camping
SostaGruppiCompagniItaliaEsteroMarchiMeccanicaCellulaAccessoriEventiLeggiComportamentiDisabiliIn camper perAltro CamperAltroExtra Attivi
2 20 22
15
renzo07
renzo07
rating

16/11/2010 4080
Rispondi Abuso
Inserito il 06/05/2021 alle: 13:50:04
In risposta al messaggio di Sergione66 del 06/05/2021 alle 12:14:58

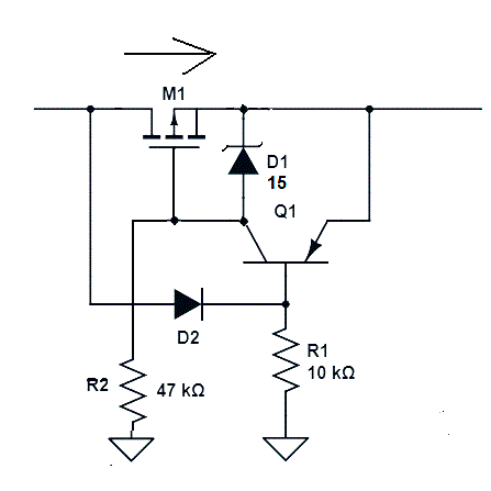
Le caratteristiche dei D4185 sono interessanti ... fino a 40A di corrente.
Solo a titolo di curiosità, tempo fa ho provato a mettere insieme questo circuito molto semplice.
Come mosfet ho usato un IRF4905 che ha una Rds ON di 20 mOhm, più alta del D4185.
E' con un solo transistor pilota mentre tutti gli altri schemi ne prevedono due ed oltretutto "gemelli" nello stesso chip, comunque dalle poche prove che ho fatto funziona benissimo.
Lo zener da 15V è obbligatorio per tensioni d'ingresso >20V
Renzo.
diodo%20ideale%20con%20un%20solo%20PNP.GIF

 
𝓡𝓮𝓷𝔃𝓸
5
diegomeggio69
diegomeggio69
25/10/2020 399
Rispondi Abuso
Inserito il 13/05/2021 alle: 19:02:21
In risposta al messaggio di renzo07 del 06/05/2021 alle 13:50:04

Solo a titolo di curiosità, tempo fa ho provato a mettere insieme questo circuito molto semplice. Come mosfet ho usato un IRF4905 che ha una Rds ON di 20 mOhm, più alta del D4185. E' con un solo transistor pilota mentre
tutti gli altri schemi ne prevedono due ed oltretutto gemelli nello stesso chip, comunque dalle poche prove che ho fatto funziona benissimo. Lo zener da 15V è obbligatorio per tensioni d'ingresso >20V Renzo.  
...
Buono!!
diegomeggio69
SostaGruppiCompagniItaliaEsteroMarchiMeccanicaCellulaAccessoriEventiLeggiComportamentiDisabiliIn camper perAltro CamperAltroExtra Attivi
Argomenti recenti dal forum
Cellula abitativa
Nuovo acquisto giottilne z600 iveco
Buongiorno a tutti, bellissimo questo forum sui camper. A giorni concludo l'acquisto di un...
Pasca1787
Oggi alle 18:36
Viaggi all'estero
Istria Ponte Primo Maggio
Ciao a tutti, stiamo pensando di fare 5 giorni in Istria nei primi giorni di maggio, abbia...
ovsp84
Oggi alle 12:45
Meccanica
Rimappatura Iveco Daily 3gen e fischio turbina
Buongiorno, dopo aver rimappato il mio 35c15 ho notato che in fase di accelerazione ma sol...
323232
Oggi alle 10:38
Aree di sosta e campeggi
Roma LGP - Zona Verde
Vorrei sapere da qualche camperista romano se e come è possibile accedere all'area camper ...
memmio
Oggi alle 09:10
Accessori
Installatore antifurto camper
Buongiorno sto cercando un installatore di antifurto per camper zona Senago Paderno Dugna...
penguin46
Oggi alle 08:12
Meccanica
Serraggio bulloni braccio oscillante
Buonasera. Avrei bisogno di conoscere i valori di serraggio dei 4 bulloni presenti nel bra...
celeserpi
Ieri alle: 23:38
Aree di sosta e campeggi
Area sosta/parcheggio ospedale Rizzoli Bologna
Salve a tutti. Cerco info su area sosta/parcheggio ospedale Rizzoli a Bologna. Ho notato s...
Dingo84
Ieri alle: 22:24
Viaggi in Italia
Pompei e Caserta
Ciao a tutti, Abbiamo le ferie dal 1 al 7 maggio e volevamo andare a Pompei e reggia di Ca...
beneamma
Ieri alle: 22:22
Viaggi all'estero
Il Tirolo vieta di saltare la coda in autostrada
.. Regione Trentino AA/S Naviga Il Tirolo vieta di saltare la coda in autostrada lungo str...
salito
Ieri alle: 20:14
Normative
Revisione 42,5 q bloccata
Salve a tutti, incredibile, tutte le prove superate,nonostante gli anni ed una precisa m...
paologu
Ieri alle: 17:54
Cellula abitativa
Aiuto gradino elettrico Laika ecovip 3l
Buonasera a tutti, sono da poco un possessore di un Laika ecovip 3l e ho un problema con i...
Alex86rm
23/04/26 - 22:19
Accessori
Taglio tenda
Buonasera, per riabilitare la tenda del tendalino ho fatto un taglio di circa venti centim...
Ilmoro73
23/04/26 - 19:45
168k Facebook
343k Instagram
42,6k TikTok
73,6K Youtube
CamperOnLine - Copyright © 1998-2026 - P.Iva 06953990014
Informativa privacy
Loading...

Accedi

Recupera Password
Nuovo utente

Vuoi eliminare il messaggio?

Sottoscrizione

Anteprima

PREFERENZA

Il messaggio è in fase di inserimento.

loading

CamperOnLine

Buongiorno gentile utente,

da oltre 20 anni Camperonline offre gratuitamente tutti i suoi servizi
grazie agli inserzionisti che ci hanno dato la loro fiducia, permettici di continuare il nostro lavoro disattivando il blocco delle pubblicità.

Grazie della collaborazione.

Azione eseguita con successo

Azione Fallita

Condividi

Condividi questa pagina con:

O copia il link