https://www.dstek.it/shop/DCCha...
Qualcuno di voi lo ha già montato? È affidabile? Come faccio per disattivare il parallelatore sulla centralina NE196-T ?Grazie
In risposta al messaggio di Cips del 13/03/2022 alle 18:02:17Magari se dessi maggiori informazioni..., sul mezzo, l'età, la batteria che monti ecc., non è che siamo maghi..., qui...
Ciao. Dovrei montare un dc dc charger. Pensavo al dstek 60A ... Qualcuno di voi lo ha già montato? È affidabile? Come faccio per disattivare il parallelatore sulla centralina NE196-T ?Grazie
https://forum.camperonline.it/t...
In risposta al messaggio di Cips del 28/03/2022 alle 18:07:22Caricabatterie dal 230v al 12vcc.
Ma ti riferisci al caricabatterie dal 220 oppure al dc dc charger?
In risposta al messaggio di Cips del 28/03/2022 alle 20:09:14Anche io ho montato il derivatore NE196_t.
Io sul camper avevo già il ne287 21A che però non aveva la curva per il litio, adesso ho preso sempre questo ma la versione nuova con la curva per litio. Non ho dovuto fare alcuna modifica per questo perché è ugualecome collegamento al vecchio. Comunque non si può regolare l'amperaggio. Per quello che riguarda bypassare il relè non so cosa dirti perché quella parte non ho dovuto cambiare niente
https://www.nordelettronica.it/...
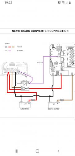
In risposta al messaggio di Cips del 17/03/2022 alle 19:28:32Ciao Cips, riesci a girarmi, per favore, lo schema ad una risoluzione maggiore? se lo ingrandisco sgrana e non riesco a leggere. Grazie mille
Questo è lo schema che mi ha mandato il tecnico della nordelettrica per il montaggio coretto del dc dc charger. Non so però quanti amper deve avere il relè che va dalla centralina al dc charger e non vorrei rompere ancora. Se qualcuno può aiutarmi... Grazie
In risposta al messaggio di Cips del 25/03/2022 alle 05:57:13Ciao Cips, mi sto accingendo a montare il DCDC325 su derivatore NE196. Ho visto lo schema che hai postato ma mi piacerebbe sapere anche cosa ti hanno proposto i signori NE in alternativa.
Infatti io li ho contattati e mi hanno risposto quasi subito mandandomi anche lo schema corretto per il montaggio coretto del dc dc charger collegato alla loro centralina. Top
In risposta al messaggio di Cips del 13/03/2022 alle 18:02:17Un caricabatterie DC-DC da 60A va bene collegarlo direttamente in ingresso alla centralina NordElettronica e senza bisogno di ricorrere a nessuna modifica.
Ciao. Dovrei montare un dc dc charger. Pensavo al dstek 60A ... Qualcuno di voi lo ha già montato? È affidabile? Come faccio per disattivare il parallelatore sulla centralina NE196-T ?Grazie
https://it.aliexpress.com/item/...