CamperOnLine
  • Camper
    • Camper usati
    • Camper nuovi
    • Produttori
    • Listino
    • Cataloghi
    • Concessionari e rete vendita
    • Noleggio
    • Van
    • Caravan
    • Fiere
    • Rimessaggi
    • Le prove di CamperOnLine
    • Provati da voi
    • Primo acquisto
    • Area professionisti
  • Accessori
    • Accessori e Prodotti
    • Camping Sport Magenta accessori
    • Produttori
    • Antenne TV
    • Ammortizzatori
    • GPS
    • Pneumatici
    • Rimorchi
    • Provati da Voi
    • Fai da te
  • Viaggi
    • Diari di viaggi in camper
    • Eventi
    • Foto
    • Check list
    • Traghetti
    • Trasporti
  • Sosta
    • Cerca Strutture
    • Sosta
    • Aree sosta camper
    • Campeggi
    • Agriturismi con sosta camper
    • App Camperonline App
    • 10 Consigli utili per la sosta
    • Area strutture
  • Forum
    • Tutti i Forum
    • Sosta
    • Gruppi
    • Compagni
    • Italia
    • Estero
    • Marchi
    • Meccanica
    • Cellula
    • Accessori
    • Eventi
    • Leggi
    • Comportamenti
    • Disabili
    • In camper per
    • Altro Camper
    • Altro
    • Extra
    • FAQ
    • Regolamento
    • Attivi
    • Preferiti
    • Cerca
  • Community
    • COL
    • CamperOnFest
    • Convenzioni Convenzioni
    • Amici
    • Furti
    • Informativa Privacy
    • Lavoro
  • COL
    • News
    • Newsletter
    • Pubblicità
    • Contatto
    • Ora
    • RSS RSS
    • Video
    • Facebook
    • Instagram
  • Magazine
  • Italiano
    • Bienvenue
    • Welcome
    • Willkommen
  • Accedi
CamperOnLine
Camping Sport Magenta
  1. Forum
  2. Tecnica
  3. Cellula abitativa
Galleria

Pannello di controllo Ecovip 2.1

Rispondi
Cerca
SostaGruppiCompagniItaliaEsteroMarchiMeccanicaCellulaAccessoriEventiLeggiComportamentiDisabiliIn camper perAltro CamperAltroExtra
1 20 30
8
Roberto80
Roberto80
09/12/2017 4
Rispondi Abuso
Inserito il 25/01/2019 alle: 16:29:00
Buonasera, 
ho un problema con il pannello di controllo del mio LAIKA ECOVIP 2.1 Anno 2003. 
Il pannello, collocato sopra la porta d’ingresso della cellula, non risponde immediatamente quando accendo la batteria dei servizi. 
Trascorrono infatti almeno 10 minuti prima che tutte le funzioni previste siano attive. 
Ho necessità di sapere se qualcuno ha già riscontrato un problema simile e nel caso se conoscete qualche officina/azienda dove portare il pannello (Camper) per la riparazione a Roma e dintorni. 
Grazie in anticipo 
Roberto 
 
19
ecostar
ecostar
rating

11/01/2007 37201
Rispondi Abuso
Inserito il 25/01/2019 alle: 18:20:10
immagino si tratti del pannello sotto raffigurato  

CENTRALINA%20LAIKA(1).JPG

e magari si tratta di un ecovip 2.1 classic , dai conferma  

mario

 
Mario
8
Roberto80
Roberto80
09/12/2017 4
Rispondi Abuso
Inserito il 25/01/2019 alle: 19:42:55
In risposta al messaggio di ecostar del 25/01/2019 alle 18:20:10

immagino si tratti del pannello sotto raffigurato   e magari si tratta di un ecovip 2.1 classic , dai conferma   mario  
Ciao Mario, 
grazie per la risposta, il mio è un Laika Ecovip 2.1 (No Classic), e il pannello è in versione digitale, se per te va bene domani faccio una foto e te la mando, non so caricarla sul sito, se non è un problema te la inoltro tramite email, grazie 

Roberto
 
19
ecostar
ecostar
rating

11/01/2007 37201
Rispondi Abuso
Inserito il 25/01/2019 alle: 20:04:43
ok ma se non hai il mio imdirizzo non potrai inviarmi nessuna foto ma tramite la messaggistica di COL potrai contattarmi senza alcun allegato , dopo avermi contattato e aver ricevuto la mia risposta avrai anche il mio indirizzo mail 

mario
Mario
8
Roberto80
Roberto80
09/12/2017 4
Rispondi Abuso
Inserito il 25/01/2019 alle: 20:16:45
In risposta al messaggio di ecostar del 25/01/2019 alle 20:04:43

ok ma se non hai il mio imdirizzo non potrai inviarmi nessuna foto ma tramite la messaggistica di COL potrai contattarmi senza alcun allegato , dopo avermi contattato e aver ricevuto la mia risposta avrai anche il mio indirizzo mail  mario
Ok , perfetto ti mando un messaggio li, grazie 

 
Sala Silvergruva, la miniera d'argento
Sala Silvergruva, la miniera d'argento
Folgaria d’inverno in camper
Folgaria d’inverno in camper
Francia 2025
Francia 2025
Eksjo, la città di legno
Eksjo, la città di legno
Viaggio in Umbria e dintorni
Viaggio in Umbria e dintorni
Previous Next
19
ecostar
ecostar
rating

11/01/2007 37201
Rispondi Abuso
Inserito il 27/01/2019 alle: 00:23:13
perfetto Roberto , mail e foto ricevute , come ti dissi nella mail quel pannello Touch Screen che hai sul tuo ecovip 2.1 classic del 2003 ma probabile versione 2002 non l'ho mai usato , posto la foto del pannello sperando che qualche ecovipparo intervenga dandoti manforte e se non intervenissero li andiamo a stanare wink

20190126_151559.jpg
20190126_151759.jpg
finalmente sono riuscito a postare le foto ma ho dovuto ridimensionarle perchè erano troppo pesanti , per chi volesse rispondere il pannello di Roberto e quello della versione precedente , si tratta del classico pannello Touch Screen anni 2000 inizio 2003  su ecovip 2.1 classic anno 2003 

rispondendo non si vince nulla ma si farebbe un gran favore a Roberto  

mario

 
Mario

Modificato da ecostar il 27/01/2019 alle 01:31:08
20
emmespanish
emmespanish
16/02/2006 5977
Rispondi Abuso
Inserito il 27/01/2019 alle: 00:29:29
In risposta al messaggio di Roberto80 del 25/01/2019 alle 16:29:00

Buonasera,  ho un problema con il pannello di controllo del mio LAIKA ECOVIP 2.1 Anno 2003.  Il pannello, collocato sopra la porta d’ingresso della cellula, non risponde immediatamente quando accendo la batteria dei
servizi.  Trascorrono infatti almeno 10 minuti prima che tutte le funzioni previste siano attive.  Ho necessità di sapere se qualcuno ha già riscontrato un problema simile e nel caso se conoscete qualche officina/azienda dove portare il pannello (Camper) per la riparazione a Roma e dintorni.  Grazie in anticipo  Roberto   
...
Ciao Roberto, ho quella stessa centralina ma non ho mai riscontrato il tuo problema, a me funziona regolarmente, a Roma puoi rivolgerti da tecnocaravan che tratta i Laika, in alternativa ti posso dare in privato il n. di un tecnico che lavora sui Laika, fammi sapere yes
Marco
20
emmespanish
emmespanish
16/02/2006 5977
Rispondi Abuso
Inserito il 27/01/2019 alle: 00:32:18
Il mio pannello è come quello postato da Mario ecostar...wink
Marco
19
ecostar
ecostar
rating

11/01/2007 37201
Rispondi Abuso
Inserito il 27/01/2019 alle: 15:50:24
proprio nessuno , non ci posso credere , ecoviponi dove sieteeee laugh
Mario
8
Roberto80
Roberto80
09/12/2017 4
Rispondi Abuso
Inserito il 27/01/2019 alle: 19:55:29
In risposta al messaggio di ecostar del 27/01/2019 alle 00:23:13

perfetto Roberto , mail e foto ricevute , come ti dissi nella mail quel pannello Touch Screen che hai sul tuo ecovip 2.1 classic del 2003 ma probabile versione 2002 non l'ho mai usato , posto la foto del pannello sperando
che qualche ecovipparo intervenga dandoti manforte e se non intervenissero li andiamo a stanare  finalmente sono riuscito a postare le foto ma ho dovuto ridimensionarle perchè erano troppo pesanti , per chi volesse rispondere il pannello di Roberto e quello della versione precedente , si tratta del classico pannello Touch Screen anni 2000 inizio 2003  su ecovip 2.1 classic anno 2003  rispondendo non si vince nulla ma si farebbe un gran favore a Roberto   mario  
...
Ciao Mario, 
come sempre gentilissimo, grazie dell'aiuto per aver postato le foto.
Emmespanish, si grazie se puoi lasciarmi il contatto del tecnico della Laika te ne sarei grado così provo a sentire cosa mi dice anche lui.

Roberto 
17
bazen
bazen
22/05/2008 429
Rispondi Abuso
Inserito il 27/01/2019 alle: 19:58:05
Ecovip 2.1TW, pannello digitale analogo alle ultime foto postate da Mario. Nessun malfunzionamento. surprise
____
/
Giovanni Laikista :)

Modificato da bazen il 27/01/2019 alle 19:58:29
8
Roberto80
Roberto80
09/12/2017 4
Rispondi Abuso
Inserito il 27/01/2019 alle: 20:19:26
In risposta al messaggio di emmespanish del 27/01/2019 alle 00:32:18

Il mio pannello è come quello postato da Mario ecostar...
Grazie mille yes
Argomenti recenti dal forum
Cellula abitativa
Cavi dietro sedile lato passeggero ducato 244
Buongiorno a tutti, sul mio ducato 244 esce dietro il sedile una lin...
CamperistaPN
Oggi alle 08:55
In camper per
Studio di settore sulle aree camper
Buona sera a tutti Sono qua a chiedere qualche minuto del vostro tem...
kettyke
Ieri alle: 23:02
Meccanica
Arca america 2024
Buonasera a tutti, vorrei capire se il camper in oggetto può già ave...
Adocaro
Ieri alle: 19:14
Cellula abitativa
motorhome hymer 2003 non carica bs
Buongiorno a tutti, ho un problema e spero nel Vostro aiuto. Attacc...
salva56
Ieri alle: 14:29
Viaggi in Italia
Ciclabili Verona est
Abbiamo letto la pagina web dell'agricamping Oro verde a Verona. Sap...
rlui
Ieri alle: 14:28
Accessori
Installazione retrocamera posteriore
Ciao a tutti, ho acquistato un Krunia Schermo Portatile 8'' per Appl...
Karbon17
Ieri alle: 10:10
Cellula abitativa
Mercedes Viano Marco Polo allestito Westfalia
Buongiorno a tutti, per il mio Viano Marco Polo allestito Westfalia ...
Salo
Ieri alle: 09:31
Meccanica
Fanale opacizzato
Ciao, ho un Ducato i cui fanali anteriori sono opacizzati. Quest'ann...
Maiamaia4
Ieri alle: 08:35
Aree di sosta e campeggi
Villalago
Buona sera vorrei un informazione, a primavera vorrei andare a visit...
PetruDaniele
13/03/26 - 21:01
Aree di sosta e campeggi
Ginevra
Buonasera a tutti, prossimamente dovrei andare qualche giorno a Gine...
koccinella
13/03/26 - 16:53
Gruppi
Camperisti Scooteristi...senza confini
Buongiorno amici con Camper e Scooter ,il nostro gruppo ha festeggia...
pinobsc
13/03/26 - 16:29
Viaggi in Italia
Giretto in centro Italia
Ciao, Stiamo andando ad Amatrice, vorremmo stare lì fino all'ora di ...
gianninotopo
13/03/26 - 15:45
Accessori
Inverter - sicurezza
Buongiorno, ho visto che ci sono discussioni simili a quella che pro...
gianninotopo
13/03/26 - 11:48
Accessori
Dimensionamento nuovo DC-DC
Ciao a tutti, Premesso che l'impianto Litio terminato da qualche tem...
maaaxxx
13/03/26 - 10:04
Accessori
Mantenere la Batteria Motore carica con una PS
Siamo in tema di mantenimento della carica della BM. Si sta palesand...
Paolo62
13/03/26 - 09:02
19
ecostar
ecostar
rating

11/01/2007 37201
Rispondi Abuso
Inserito il 28/01/2019 alle: 20:25:00
In risposta al messaggio di Roberto80 del 27/01/2019 alle 20:19:26

Grazie mille 
Roberto azzardo una risposta tanto per tenere su il post , vuoi mai sia il freddo che colabori al ritardo del funzionamento , il difetto lo fa anche con temperatura ambiente + calda ? 

mario
Mario
7
Volante 21
Volante 21
19/06/2018 501
Rispondi Abuso
Inserito il 28/01/2019 alle: 22:11:57
Qualcuno riesce a pubblicaree lo schema della centralina, in modo che se si trova un esperto in elettronica si può  tenrare una riparazione?
Volante 21
20
emmespanish
emmespanish
16/02/2006 5977
Rispondi Abuso
Inserito il 28/01/2019 alle: 22:27:35
In risposta al messaggio di Roberto80 del 27/01/2019 alle 20:19:26

Grazie mille 
yes
Marco
9
pigio76
pigio76
14/07/2016 183
Rispondi Abuso
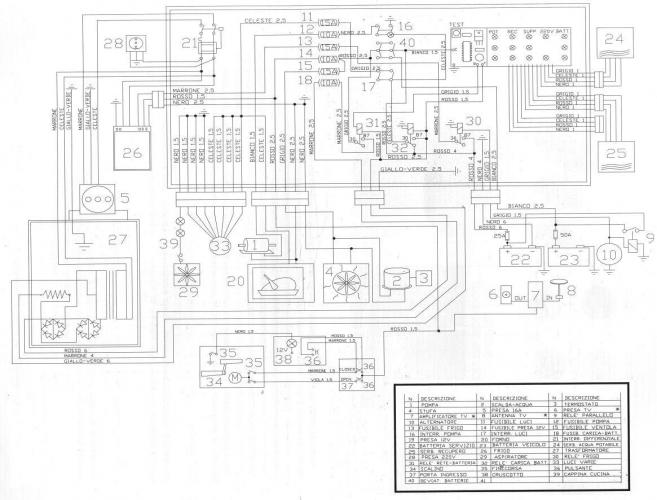
Inserito il 02/02/2019 alle: 15:23:09
Ciao a tutti.
Io ho un Ecovip 2.1 classic con lo stesso pannello di controllo.
Aggiungo immagine dello schema elettrico in mio possesso.
Qui

https://www.ecovippari.com/docu...


è possibile scaricare un PDF con lo schema elettrico revisionato da alcuni proprietari ecovippari di buona volontà (quindi non credo ufficiale Laika).
Anche io non ho mai riscontrato rallentamenti nell'avvio, anche se devo dire che un paio di minuti ci vogliono da quando dai corrente collegando la batteria a quando il pannello è pronto e funzionante.
Spero di essere stato utile.
Buoni km
pg

schema.JPG
Pg - - Laika Ecovip 2.1 Classic
19
anasta
anasta
rating

21/11/2006 2441
Rispondi Abuso
Inserito il 02/02/2019 alle: 16:40:04
In risposta al messaggio di pigio76 del 02/02/2019 alle 15:23:09

Ciao a tutti. Io ho un Ecovip 2.1 classic con lo stesso pannello di controllo. Aggiungo immagine dello schema elettrico in mio possesso. Qui è possibile scaricare un PDF con lo schema elettrico revisionato da alcuni proprietari
ecovippari di buona volontà (quindi non credo ufficiale Laika). Anche io non ho mai riscontrato rallentamenti nell'avvio, anche se devo dire che un paio di minuti ci vogliono da quando dai corrente collegando la batteria a quando il pannello è pronto e funzionante. Spero di essere stato utile. Buoni km pg
...
Dallo schema si direbbe che è lo schema dei collegamenti del camper, servirebbe invece lo schema elettrico della centralina, ma forse si può tentare una riparazione in proprio con spray congelante e phon, infatti è molto probabile che il difetto sia legato alla temperatura.
A freddo prova a scaldare bene i componenti elettronici e vedi se fa ancora il difetto. Se in questo modo funziona armati di spray congelante e dopo avere freddato bene il tutto riprova che rifaccia il difetto. Poi scaldi solo una zona eccetera finchè non individui un singolo componente.
Comunque prima guarda bene se ci sono componenti danneggiati , i condensatori a volte scoppiano e buttano fuori un liquido.
Comunque se è una scheda ad alta integrazione (come credo), ci vorrà molta fortuna, dato che sono difficilmente sostituibili, ma magari è solo un condensatore.
Posta una foto dei componenti.
Andrea
7
Volante 21
Volante 21
19/06/2018 501
Rispondi Abuso
Inserito il 03/02/2019 alle: 14:57:33
Da ignorante in materia, chiedo:
ma per camper datati per i quali non si trovanono più  pannelli di comando della casa, che non sono piu riparabili, o che per ripararli si spende uno sproposito, non esistono pannelli di comando utilizzabili e compatibili per tutti i camper? Mi spiego chi effettua una camperizzazione del proprio mezzo che cosa utilizza? E possibile immaginare di sostituire i comandi, per lo meno quelli basici della centralina di Roberto, con dei semplici interruttori acceso, spento?
E un'idea che mi girava in testa e chiedo.
Volante 21

Modificato da Volante 21 il 03/02/2019 alle 15:23:18
19
ecostar
ecostar
rating

11/01/2007 37201
Rispondi Abuso
Inserito il 03/02/2019 alle: 16:29:04
In risposta al messaggio di Volante 21 del 03/02/2019 alle 14:57:33

Da ignorante in materia, chiedo: ma per camper datati per i quali non si trovanono più  pannelli di comando della casa, che non sono piu riparabili, o che per ripararli si spende uno sproposito, non esistono pannelli di
comando utilizzabili e compatibili per tutti i camper? Mi spiego chi effettua una camperizzazione del proprio mezzo che cosa utilizza? E possibile immaginare di sostituire i comandi, per lo meno quelli basici della centralina di Roberto, con dei semplici interruttori acceso, spento? E un'idea che mi girava in testa e chiedo.
...
la sostituzione del pannello con uno generico che abbia i soliti comandi compresi i livellostai è possibilissima ma bisogna sostituire anche la centralina che gestisce il vecchio pannello e forse anche il caricabatterie , capisci che possibilmente conviene la sistemazione di quello esistente , se poi tale pannelo non fosse sistemabile ne sostituibile con uno compatibile allora si corre al riparo sostituendo tutto il complesso   

mario
Mario
15
MorBa
MorBa
23/04/2010 1683
Rispondi Abuso
Inserito il 07/02/2019 alle: 12:11:35
In risposta al messaggio di Roberto80 del 25/01/2019 alle 16:29:00

Buonasera,  ho un problema con il pannello di controllo del mio LAIKA ECOVIP 2.1 Anno 2003.  Il pannello, collocato sopra la porta d’ingresso della cellula, non risponde immediatamente quando accendo la batteria dei
servizi.  Trascorrono infatti almeno 10 minuti prima che tutte le funzioni previste siano attive.  Ho necessità di sapere se qualcuno ha già riscontrato un problema simile e nel caso se conoscete qualche officina/azienda dove portare il pannello (Camper) per la riparazione a Roma e dintorni.  Grazie in anticipo  Roberto   
...
Buondi Roberto80, 
per quella centralina utilizzata su alcuni modelli Laika 2002/2004, tra cui diversi modelli ecovip, purtroppo non esiste più la ditta costruttrice che era di Prato, però, avendola pure io su un ecovip, alcuni anni fa ho avuto necessità di fare una riparazione e la sostituzione del touch screen.
Dopo molte richieste a destra e a manca riuscì a trovare un tecnico che faceva parte di quella società, però stiamo parlando di almeno 5 anni fa, quindi spero che i dati che possiedo siano ancora validi.
Comunque dopo averlo contattato gli inviai la centralina, solo lo schermo ( cioè la parte che si vede nella foto) che si smonta molto facilmente, mentre la centralina vera e propria si trova, almeno nel mio, sotto al sedile passeggero).
Dopo meno di una settimana dal mio invio, arrivò indietro in contrassegno, tutta rimessa a nuovo pagando orientativamente sui 100/120 euro, non ricordo esattamente, però rammento che solo lo schermo aveva un costo abbastanza elevato.

PS: se non lo sai ti informo che quella centralina, divisa in due parti, quella sotto al sedile ha un pulsante di lato che attivandolo esclude la parte visiva, quella della foto, attivando tutti i servizi più importanti

Adesso sono sceso sul camper, che è sotto casa, e ho ritrovato le uniche cose che ho a disposizione e quindi te le comunico, sperando che i dati siano ancora validi.
Il tecnico si chiama Materassi Patrizio ed abita a Prato.
Questi i contatti telefonici che ho: 0574.444994 - 333.5211489.
La ditta che attualmente possiede dovrebbe essere: SME Components

PS: se i dati sono ancora validi mi faresti un piacere a confermarli, oppure, in caso di variazioni, ad indicare i nuovi contatti in modo da averli, sperando di no, per problemi futuri.
Grazie in anticipo
 
Moreno B. alias MorBa
******************

Modificato da MorBa il 07/02/2019 alle 12:43:14
7
AndreaMonica
AndreaMonica
10/10/2018 32
Rispondi Abuso
Inserito il 08/02/2022 alle: 22:18:06
In risposta al messaggio di ecostar del 25/01/2019 alle 18:20:10

immagino si tratti del pannello sotto raffigurato   e magari si tratta di un ecovip 2.1 classic , dai conferma   mario  
Volevo sapere, visto che parliamo della centralina di Ecovip 2.1 Classic, come da foto di Mario, sapete xche non tiene in memoria l’orario? Nel senso il gruppo data-ora una volta impostato non si aggiorna.
grazie 
A&M
SostaGruppiCompagniItaliaEsteroMarchiMeccanicaCellulaAccessoriEventiLeggiComportamentiDisabiliIn camper perAltro CamperAltroExtra
167k Facebook
343k Instagram
42,6k TikTok
73,3k Youtube
CamperOnLine - Copyright © 1998-2026 - P.Iva 06953990014
Informativa privacy
Loading...

Accedi

Recupera Password
Nuovo utente

Vuoi eliminare il messaggio?

Sottoscrizione

Anteprima

PREFERENZA

Il messaggio è in fase di inserimento.

loading

CamperOnLine

Buongiorno gentile utente,

da oltre 20 anni Camperonline offre gratuitamente tutti i suoi servizi
grazie agli inserzionisti che ci hanno dato la loro fiducia, permettici di continuare il nostro lavoro disattivando il blocco delle pubblicità.

Grazie della collaborazione.

Azione eseguita con successo

Azione Fallita

Condividi

Condividi questa pagina con:

O copia il link