In risposta al messaggio di giorgioste del 23/11/2022 alle 09:49:04Ah, già
Anche secondo me il deviatore è più semplice, la difficoltà potrebbe essere quella di trovarne esteticamente compatibili con gli altri. PS anche a me dispiace che il thread non sia vivo come una volta, anche se è ancora quello con più contributi

In risposta al messaggio di giorgioste del 23/11/2022 alle 20:30:47Mi trovo bene, anche se è stata una soluzione transitoria, l'ho usata nel viaggio estivo 2018, poi il "pupo" ha compiuto 1 anno... di patente e dunque va con qualche amico o la ragazza. Le 4 frecce comunque lo faceva per casseggio.
Da come la scrivi mi sembra proprio come la voglio fare anche io, Quindi vuol dire che non è un’idea malsana. A parte le quattro frecce, come ti trovi?
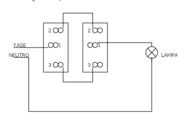
In risposta al messaggio di giorgioste del 23/11/2022 alle 20:33:23schema perfetto, magari anzichè fase e neutro direi- e +12
Ah, già lo schema del deviatore
In risposta al messaggio di anasta del 23/11/2022 alle 22:49:49Si, hai ragione, non ci avevo fatto caso, ma l'avevo messa più che altro per mostrare la semplicità.
schema perfetto, magari anzichè fase e neutro direi- e +12 , ma tanto funziona lo stesso Andrea
In risposta al messaggio di anasta del 22/11/2022 alle 23:23:46
Non penso che il relè passo passo sia complicato. Si lascia l'interruttore originale in posizione acceso o si ponticella (si unisco i due fili collegati sull interruttore), poi vicino ai faretti si mette il relè a impulsi(altro nome ma è sempre quello) con due pulsanti in posizioni opposte, che comandano la bobina, tutto sotto il letto. Io per i pulsanti usai cavetto telefonico, quello incamiciato grigio e pulsanti da pannello x strumenti elettronici. Insomma si possono usare anche pulsanti piccoli o enormi come quello in foto. Andrea
In risposta al messaggio di zorro1977 del 24/11/2022 alle 18:19:41Il fatto che "torna", cioè il movimento è verticale e non a bilanciere, non è esaustivo. Potrebbe essere ugualmente interruttore, devi far caso se nelle due posizioni una è meno sporgente dell'altra, in tal caso è interruttore. Altrimenti è pulsante, comanderà un relè passo passo, devi cercare di sentire il rumore dello scatto per trovarlo, a quel punto aggiungi quanti pulsanti vuoi
Vorrei provare a fare sta cosa col relè passo passo, son tutti uguali? avete qualche link da suggerirmi? Immagino che servirà un passo passo 12V corrente continua giusto?
In risposta al messaggio di oregon61 del 27/11/2022 alle 11:00:06Ciao, non ho il ducato, ma, visto che è molto diffuso, hai provato a cercare su YouTube?
Buona giornata a tutti. Volevo rimuovere interamente il pannello dove sta la pulsantiera centrale del Ducato X290, ma ho trovato delle difficoltà a smontare la presa USB. Spiego: una volta rimosso il pannello dai fermi,smontata la pulsantiera con le sue sei viti, liberata la presa 12V staccando il connettore, rimane da rimuovere solo la presa USB per liberarlo. E qui, non esistendo un connettore esterno, come per il 12V, da staccare dall'impianto, non sono riuscito a trovare una soluzione. Sembrerebbero esserci, sulla parte posteriore del cilindro della presa stessa, due fermi in plastica che, se premuti contemporaneamente suppongo, potrebbero liberare il disco che chiude l'involucro liberando così il cavo di connessione. Purtroppo però, tentando più volte, non sono riuscito a muoverlo di un millimetro. Qualcuno ha già provato a fare questa operazione? Allego foto per maggiore chiarezza e ringrazio già ora chi vorrà avanzare suggerimenti.
In risposta al messaggio di IvanG del 27/11/2022 alle 11:04:23Grazie Ivan.
Ciao, non ho il ducato, ma, visto che è molto diffuso, hai provato a cercare su YouTube? anche inserendo il testo in inglese? Solitamente faccio così per capire come smontare il camper . Anche se la mia meccanica e meno presente (Renault master) e qualche difficoltà in più l'ho avuta in passato (spaccando qualche gancetto di fermo).
In risposta al messaggio di oregon61 del 27/11/2022 alle 11:16:56Non so aiutarti, ma proverei a scrivere su meccanica dato che quella parte è comune a mansardati e profilati avresti più possibilità.
Grazie Ivan. Sì ho già provato, non trovando purtroppo nulla. C'è anche da considerare che, la parte interessata, nel Ducato X290, presenta differenze sostanziali da quella dei precedenti modelli, quindi, trovare qualcosa in rete, è ancora più complesso.
In risposta al messaggio di anasta del 27/11/2022 alle 19:41:24Grazie Andrea. Se in questo Forum nessuno saprà darmi risposte, certamente tenterò altre strade, compresa quella da te suggerita.
Non so aiutarti, ma proverei a scrivere su meccanica dato che quella parte è comune a mansardati e profilati avresti più possibilità. Andrea
In risposta al messaggio di giomiller del 20/12/2022 alle 08:20:44Ciao. Oltre lo schema dei contatti, nel manuale, dovrebbe esserci anche una figura come questa:
Ciao provo a scrivere qui perche non ho ottenuto per ora nessun commenti attaccandomi a un post per prese usb binario Sto aggiungendo presa USB su Possl e vorrei metterle sotto interruttore Dalla scatoletta derivazioneentra blu esce 2 marroni, entra marrone escono 2 blu Ho provato a risalire ai pin del connettore BLOCK8 della EBL119 ma ho lo schema dei conatti (TV piuttosto che uscite ausiliarie) ma non ho la sequenza dei pin quindi non capisco chi è + e chi è - qualcuno ha queste info? Ho fatto misurazione tester Messo puntalino rosso nel morsetto cavo BLU in ingresso, negativo sul lavandino vedo 13,5 (vedo 0,25 se lo metto sul rubinetto) Messo puntalino rosso nel morsetto del cavo MARRONE in ingresso, negativo sul lavandino vedo 0 (-12 se lo metto nel rubinetto) Quindi hanno fatto azzurro per positivo? Come trovo massa sicura per controllo sul camper? Grazie a chi ne sa di più ciao a tutti
In risposta al messaggio di oregon61 del 20/12/2022 alle 09:14:14ciao
Ciao. Oltre lo schema dei contatti, nel manuale, dovrebbe esserci anche una figura come questa: Come vedi, nel disegno, oltre al numero dei blocchi, viene anche indicato il verso della sequenza dei contatti, quindi, secondoi diversi connettori, o cominciando dal basso verso l'alto, oppure da sinistra verso destra procedendo, in salita, come per la normale scrittura. Per cui, nel caso di cui sopra, ne deriva il seguente ordine di numerazione dei PIN: Spero di esserti stato utile. Un saluto.
In risposta al messaggio di giomiller del 20/12/2022 alle 11:25:03Osservando il tuo modello, i "Blocchi" verticali (1,2,6,7) almeno, hanno la numerazione che va dall'alto verso il basso e quindi inversa alla mia. Per gli orizzontali invece, pur non essendoci la freccia di riferimento come invece nel mio schema, i "Blocchi 4 e 5", riportano a sinistra la cifra 1 ed a destra, sulla stessa linea, la cifra 3. Per logica, ciò farebbe pensare che, almeno per questi "Blocchi", la sequenza numerica sia come la mia, e cioè, fila bassa, da sinistra a destra, 1,2,3 e immediatamente sopra 4,5,6 sempre stesso verso, e così di seguito. Rimane il "Blocco 8" (quello con l'1 cerchiato di rosso) che inspiegabilmente non segue la stessa metodologia (manca infatti il 3 sulla destra); di contro, però, niente farebbe supporre che segua un diverso sistema.
considerando 1 in basso a sx e controllando gli schemi potrebbe coincidere con la numerazione da SX a DX da BASSO vs ALTO e quindi gli azzurri sono positivi, mi perdo qcosa? grz
In risposta al messaggio di oregon61 del 20/12/2022 alle 16:10:26ciao
Osservando il tuo modello, i Blocchi verticali (1,2,6,7) almeno, hanno la numerazione che va dall'alto verso il basso e quindi inversa alla mia. Per gli orizzontali invece, pur non essendoci la freccia di riferimento comeinvece nel mio schema, i Blocchi 4 e 5, riportano a sinistra la cifra 1 ed a destra, sulla stessa linea, la cifra 3. Per logica, ciò farebbe pensare che, almeno per questi Blocchi, la sequenza numerica sia come la mia, e cioè, fila bassa, da sinistra a destra, 1,2,3 e immediatamente sopra 4,5,6 sempre stesso verso, e così di seguito. Rimane il Blocco 8 (quello con l'1 cerchiato di rosso) che inspiegabilmente non segue la stessa metodologia (manca infatti il 3 sulla destra); di contro, però, niente farebbe supporre che segua un diverso sistema. Al netto delle osservazioni tuttavia, provando ad adottare questo metodo di numerazione, una possibile conferma potresti trovarla confrontando i PIN mancanti con la loro effettiva coincidenza reale e visiva sulla EBL, rispetto alla numerazione assegnata (nel tuo schema, ad esempio, il PIN nr. 15 del blocco 8). Ti posso confermare poi che, nella mia esperienza, gli azzurri (o blu) sono i positivi, ma tu, per averne la sicurezza, è sufficiente che li verifichi con un semplice Tester. Altra prova, potrebbe essere quella di scegliere uno dei PIN, togliere il presunto fusibile corrispondente e, sempre mediante un Tester, verificare la presenza di corrente o meno e la sua concidenza tra la numerazione assegnata al PIN con quella indicata dello schema elettrico. Un saluto.