CamperOnLine
  • Camper
    • Camper usati
    • Camper nuovi
    • Produttori
    • Listino
    • Cataloghi
    • Concessionari e rete vendita
    • Noleggio
    • Van
    • Caravan
    • Fiere
    • Rimessaggi
    • Le prove di CamperOnLine
    • Provati da voi
    • Primo acquisto
    • Area professionisti
  • Accessori
    • Accessori e Prodotti
    • Camping Sport Magenta accessori
    • Produttori
    • Antenne TV
    • Ammortizzatori
    • GPS
    • Pneumatici
    • Rimorchi
    • Provati da Voi
    • Fai da te
  • Viaggi
    • Diari di viaggi in camper
    • Eventi
    • Foto
    • Check list
    • Traghetti
    • Trasporti
  • Sosta
    • Cerca Strutture
    • Sosta
    • Aree sosta camper
    • Campeggi
    • Agriturismi con sosta camper
    • App Camperonline App
    • 10 Consigli utili per la sosta
    • Area strutture
  • Forum
    • Tutti i Forum
    • Sosta
    • Gruppi
    • Compagni
    • Italia
    • Estero
    • Marchi
    • Meccanica
    • Cellula
    • Accessori
    • Eventi
    • Leggi
    • Comportamenti
    • Disabili
    • In camper per
    • Altro Camper
    • Altro
    • Extra
    • FAQ
    • Regolamento
    • Attivi
    • Preferiti
    • Cerca
  • Community
    • COL
    • CamperOnFest
    • Convenzioni Convenzioni
    • Amici
    • Furti
    • Informativa Privacy
    • Lavoro
  • COL
    • News
    • Newsletter
    • Pubblicità
    • Contatto
    • Ora
    • RSS RSS
    • Video
    • Facebook
    • Instagram
  • Magazine
  • Italiano
    • Bienvenue
    • Welcome
    • Willkommen
  • Accedi
CamperOnLine
Camping Sport Magenta
  1. Forum
  2. Tecnica
  3. Accessori
Galleria

Victron DC DC charger/centralina CBE DS300, aiuto!

Rispondi
Cerca
Berger Camping
SostaGruppiCompagniItaliaEsteroMarchiMeccanicaCellulaAccessoriEventiLeggiComportamentiDisabiliIn camper perAltro CamperAltroExtra
2 20 202
6
Szopen
Szopen
rating

06/09/2019 5987
Rispondi Abuso
Inserito il 22/01/2021 alle: 17:01:22
Collegando il camper alla 230V la batteria motore continua ad essere ricaricata dal caricabatterie a 230V.

L'operazione volge a disattivare solo la parte inerente alla funzione di ricarica in parallelo tra BM e BS,
ciò avviene tramite la disconnessione fisica della sola resistenza contrassegnata con R37 sulla scheda. 

Così facendo il relè parallelatore continuerà tramite attivazione da D+ ad intervenire su tutti gli altri collegamenti, frigo, scalino etc. i quali resteranno così operativi in base alle loro funzioni.

Il Victron Orion ( o Sterling Power oppure Votronic o anche l'Energy Power ) gestiscono la corretta ricarica della BS in viaggio proteggendole dagli "sbalzi di umore" dell'alternatore intelligente o stupido che sia, naturalmente in viaggio si ricarica anche la BM.

Ciro. 
nomade analogico e fanciulla all'imbrunire. Non ho nulla da vendere nè consigli da dare, solo qualche piccolo suggerimento da prendere con le pinze, possibilmente, amperometriche. Buoni Km a tutti e......... rammentate sempre che....... TESTAR NON NUOCE!
6
Szopen
Szopen
rating

06/09/2019 5987
Rispondi Abuso
Inserito il 22/01/2021 alle: 17:04:40
In pratica tagliando la resistenza R37 sarebbe come tagliare la connessione tra la resistenza e il diodo di emme48.

Ciro.
 
nomade analogico e fanciulla all'imbrunire. Non ho nulla da vendere nè consigli da dare, solo qualche piccolo suggerimento da prendere con le pinze, possibilmente, amperometriche. Buoni Km a tutti e......... rammentate sempre che....... TESTAR NON NUOCE!
11
Semi
Semi
23/03/2014 1126
Rispondi Abuso
Inserito il 22/01/2021 alle: 17:55:00
Ho provato proprio 5 minuti fa. La nostra centralina cbe ha un vero e proprio parallelatore per quando il motore è in moto un diodo resistenza che manda 2amp al massimo quando è collegata la 220. 
Il diodo resistenza si attiva solo se ha il +12 in ingresso che arriva dal segnale di presenza del caricabatterie sembre cbe. In caso di batterie al litio basta staccare il segnale di presenza e usare il caricabatterie originale per la sola batteria motore e quello dedicato alle litio solo per queste. Si perderà solo il simbolo con la spina sul display. 
Si può anche usare a nostro vantaggio portando un +12 in ingresso sul segnale di presenza con un interruttore che useremo solo quando il camper ad esempio è in rimessaggio per caricare la batteria motore tramite il pannello solare senza usare l'odioso cbs2. 
Semi
6
Szopen
Szopen
rating

06/09/2019 5987
Rispondi Abuso
Inserito il 22/01/2021 alle: 18:13:54
Perfetto, a questo punto avendo avuto conferma che la BM si ricarica quando allacciati alla 230V,
resta solo da capire se Massimiliano ha sul camper un pannello solare o altro sistema di ricarica.
 
In tal caso dovrebbe procedere a mettere il circuito di emme48, diodo+resistenza per il mantenimento della BM a mezzo fermo e non allacciato alla 230V poiché, tale funzione, avendo interrotto la resistenza, ora non è più disponibile dalla centralina.

Ciro. 
nomade analogico e fanciulla all'imbrunire. Non ho nulla da vendere nè consigli da dare, solo qualche piccolo suggerimento da prendere con le pinze, possibilmente, amperometriche. Buoni Km a tutti e......... rammentate sempre che....... TESTAR NON NUOCE!
Sala Silvergruva, la miniera d'argento
Sala Silvergruva, la miniera d'argento
Folgaria d’inverno in camper
Folgaria d’inverno in camper
Francia 2025
Francia 2025
Eksjo, la città di legno
Eksjo, la città di legno
Viaggio in Umbria e dintorni
Viaggio in Umbria e dintorni
Previous Next
5
Mass78
Mass78
19/01/2021 13
Rispondi Abuso
Inserito il 22/01/2021 alle: 18:27:00
In risposta al messaggio di Szopen del 22/01/2021 alle 18:13:54

Perfetto, a questo punto avendo avuto conferma che la BM si ricarica quando allacciati alla 230V, resta solo da capire se Massimiliano ha sul camper un pannello solare o altro sistema di ricarica.   In tal caso dovrebbe
procedere a mettere il circuito di emme48, diodo+resistenza per il mantenimento della BM a mezzo fermo e non allacciato alla 230V poiché, tale funzione, avendo interrotto la resistenza, ora non è più disponibile dalla centralina. Ciro. 
...
Ho un pannello sul tetto ma si collega direttamente alle BS senza passare dalla centralina, quindi già prima non ricaricavo la BM col pannello. In realtà è una funzione che mi interessa poco perchè non lascio mai il van più di 15 gg senza girare, di norma ogni settimana lo uso.

Modificato da Mass78 il 22/01/2021 alle 18:27:36
14
gduca
gduca
29/11/2011 2093
Rispondi Abuso
Inserito il 22/01/2021 alle: 18:30:59
In risposta al messaggio di Mass78 del 22/01/2021 alle 16:42:11

lI caricabatterie da rete a 220 non interagisce col Victron che funziona solo a motore acceso. Avendo eliminato il parallelo tra la BM e la BS devo ancora capire se dalla 220 riuscirò a caricare anche la BM. Prima dell'installazione
del Victron, e relativa modifica alla centralina, una parte della carica da 220 andava anche alla BM (con precedenza alla BS), ora dovrò provare...
...
Sarebbe una fortuna se non caricasse la batteria motore.  Mi spiego: ti ritroveresti la Litio in parallelo con la piombo/acido del motore. Non avrebbe senso.  Obiettivamente la ricarica della batteria motore può farla un pannello solare (i più recenti hanno una predisposizione per ricaricare anche la batteria motore), oppure...  in caso di necessità ti puoi organizzare con diverse soluzioni (es ripristino condizioni iniziali con un semplicissimo interruttore da rimettere in posizione a termine ricarica).
Fabrizio
5
Mass78
Mass78
19/01/2021 13
Rispondi Abuso
Inserito il 22/01/2021 alle: 20:40:48
In risposta al messaggio di gduca del 22/01/2021 alle 18:30:59

Sarebbe una fortuna se non caricasse la batteria motore.  Mi spiego: ti ritroveresti la Litio in parallelo con la piombo/acido del motore. Non avrebbe senso.  Obiettivamente la ricarica della batteria motore può farla
un pannello solare (i più recenti hanno una predisposizione per ricaricare anche la batteria motore), oppure...  in caso di necessità ti puoi organizzare con diverse soluzioni (es ripristino condizioni iniziali con un semplicissimo interruttore da rimettere in posizione a termine ricarica).
...
Capisco, in realtà ho due agm, non ho la litio.
11
Semi
Semi
23/03/2014 1126
Rispondi Abuso
Inserito il 22/01/2021 alle: 21:19:43
In risposta al messaggio di Szopen del 22/01/2021 alle 18:13:54

Perfetto, a questo punto avendo avuto conferma che la BM si ricarica quando allacciati alla 230V, resta solo da capire se Massimiliano ha sul camper un pannello solare o altro sistema di ricarica.   In tal caso dovrebbe
procedere a mettere il circuito di emme48, diodo+resistenza per il mantenimento della BM a mezzo fermo e non allacciato alla 230V poiché, tale funzione, avendo interrotto la resistenza, ora non è più disponibile dalla centralina. Ciro. 
...
Come ho scritto prima, questa centralina ha già un diodo resistenza, basta portare un +12 all'ingresso del segnale del caricabatterie e questo si attiva quando la tensione della bs supera i 13.6V
Semi
11
Semi
Semi
23/03/2014 1126
Rispondi Abuso
Inserito il 22/01/2021 alle: 21:45:38
Io non ho capito uno cosa: aver tolto quella resistenza inibisce il relé parallelatore o che agisce solo quando il motore è acceso oppure il diodo+resistenza integrato che agisce solo con la carica a 220?
Penso la prima ipotesi. Se. Così fosse l'impianto funziona così come lo hai fatto funziona, però per come è fatta la centralina cbe, quando il motore è acceso, ti ritrovi con il frigo e tutti i  servizi alimentati dalla BS che intanto viene caricata dal booster che però così perde parti degli ah soprattutto per il frigo. 
Io che ho la stessa centralina penso proprio di fare una linea diretta tra BM e BS con in mezzo il booster però piuttosto che non far chiudere il parallelatore, lo lascio agire e stacco tramite un relé a solenoide la BS che così viene isolata e caricata dal DC/DC. 
Per come è fatta la nostra centralina, il frigo e tutti i servizi vengono così alimentati dalla BM, l'unica cosa che lascerei in BS è il webasto che tanto una volta acceso consuma un paio di ah. 

Oggi pomeriggio ho fatto le prove e staccando completamente la BS le utenze compreso il frigo funzionano regolarmente tramite BM con ovviamente il motore acceso. 

Intanto farò l'impianto così con le batterie AGM e quando sarà il momento di mettere le litio staccherò il cavetto del segnale di presenza dal caricabatterie originale in modo che non si attivi il diodo+resistenza integrato e attaccherò il caricabatterie originale alla BM e quello apposito alle litio. 
Semi
6
Szopen
Szopen
rating

06/09/2019 5987
Rispondi Abuso
Inserito il 22/01/2021 alle: 22:15:18
In risposta al messaggio di Semi del 22/01/2021 alle 21:19:43

Come ho scritto prima, questa centralina ha già un diodo resistenza, basta portare un +12 all'ingresso del segnale del caricabatterie e questo si attiva quando la tensione della bs supera i 13.6V
Questo vuol dire che se collegato alla 230V se la bs supera i 13,6V comincia a caricare la bm.

Io invece parlo del diodo+resistenza tra bm e bs che "lavora sempre" cioè anche se la bs è a 13V oppure a 12,8 o anche a 13,2 purché ci sia una fonte energetica collegata alla bs.

Ciro.

 
nomade analogico e fanciulla all'imbrunire. Non ho nulla da vendere nè consigli da dare, solo qualche piccolo suggerimento da prendere con le pinze, possibilmente, amperometriche. Buoni Km a tutti e......... rammentate sempre che....... TESTAR NON NUOCE!
6
Szopen
Szopen
rating

06/09/2019 5987
Rispondi Abuso
Inserito il 22/01/2021 alle: 22:18:36
In risposta al messaggio di Semi del 22/01/2021 alle 21:45:38

Io non ho capito uno cosa: aver tolto quella resistenza inibisce il relé parallelatore o che agisce solo quando il motore è acceso oppure il diodo+resistenza integrato che agisce solo con la carica a 220? Penso la prima
ipotesi. Se. Così fosse l'impianto funziona così come lo hai fatto funziona, però per come è fatta la centralina cbe, quando il motore è acceso, ti ritrovi con il frigo e tutti i  servizi alimentati dalla BS che intanto viene caricata dal booster che però così perde parti degli ah soprattutto per il frigo.  Io che ho la stessa centralina penso proprio di fare una linea diretta tra BM e BS con in mezzo il booster però piuttosto che non far chiudere il parallelatore, lo lascio agire e stacco tramite un relé a solenoide la BS che così viene isolata e caricata dal DC/DC.  Per come è fatta la nostra centralina, il frigo e tutti i servizi vengono così alimentati dalla BM, l'unica cosa che lascerei in BS è il webasto che tanto una volta acceso consuma un paio di ah.  Oggi pomeriggio ho fatto le prove e staccando completamente la BS le utenze compreso il frigo funzionano regolarmente tramite BM con ovviamente il motore acceso.  Intanto farò l'impianto così con le batterie AGM e quando sarà il momento di mettere le litio staccherò il cavetto del segnale di presenza dal caricabatterie originale in modo che non si attivi il diodo+resistenza integrato e attaccherò il caricabatterie originale alla BM e quello apposito alle litio. 
...
Nel togliere la resistenza viene disconnesso fisicamente il contatto tra Bm e BS sulla scheda, in pratica viene interrotta la sola pista tra BM e BS anche se il relè parallelatore continuerà ad attivarsi in presenza del D+.

Il relè del caricabatterie a 230V e relativo diodo sono un'altro circuito.

Ciro.
nomade analogico e fanciulla all'imbrunire. Non ho nulla da vendere nè consigli da dare, solo qualche piccolo suggerimento da prendere con le pinze, possibilmente, amperometriche. Buoni Km a tutti e......... rammentate sempre che....... TESTAR NON NUOCE!

Modificato da Szopen il 22/01/2021 alle 22:20:06
Argomenti recenti dal forum
Altro non sui camper
Tiro al piccione
No, niente armi da fuoco, i simpatici pennuti sono salvi. È un nuov...
Emme48
49 minuti fa
Viaggi in Italia
Giugno all'isola del Giglio
Buongiorno a tutti, sto valutando di trascorrere a fine giugno 4 gio...
Nanasso
Ieri alle: 21:16
Accessori
problema ds300 conversione al litio
Ciao a tutti ho montato due batterie al litio su elnagh big marlin ...
Mandracchio
Ieri alle: 19:19
Cellula abitativa
Rimozione cerniera porta cellula
Buongiorno, Ho la porta della cellula del mio mcluis steel 531g del...
Telix636
Ieri alle: 16:39
Viaggi all'estero
Ruta Jubierre in Spagna
Come da titolo, c’è qualcuno che si è già avventurato a fare questa ...
Sparty91
Ieri alle: 14:00
Viaggi all'estero
POLONIA viaggio Estivo
Ciao a tutti, che ne dite di un viaggio in Polonia per questa estate...
RMCamper2020
Ieri alle: 12:11
Viaggi in Italia
Raggiungere le 5 terre
Ciao a tutti, ho un dubbio riguardo la strada da fare per raggiunger...
Maiamaia4
Ieri alle: 07:58
Cellula abitativa
Indicatori di livello frigo Dometic
Ruotando la manopola di destra in senso orario del frigo DOMETIC si...
norbidic
Ieri alle: 03:44
Meccanica
Tappo di carico olio trasmissione cercasi
Su Ducato x244 anno 2004, prima di svuotare l’olio del cambio volevo...
norbidic
Ieri alle: 02:18
Meccanica
Acquisto ricambi usati (specchietto sinistro)
Ciao, mentre tornavamo da Valsesia camper per riparare la porta del ...
LaLory
11/03/26 - 22:15
Accessori
Istallazione dashcam anteriore su Ducato nuovo
Ciao a tutti ho un amico inglese che sta acquistando un campervan El...
solidsnork
11/03/26 - 16:50
Viaggi all'estero
Assicurazione viaggio x estero
Buongiorno a tutti, come da titolo volevo sapere se quando andate al...
cpuffo
11/03/26 - 16:20
Cellula abitativa
Luce cortesia Doral 161 - modello maxxima 063
Buongiorno a tutti, qualcuno di voi ha sostituito la lampada di cort...
daleo
11/03/26 - 13:22
Aree di sosta e campeggi
Campeggi zona Pisa a fine marzo
Ciao a tutti, a fine mese (weekend del 21 marzo) vorremmo fare qual...
Andre78
11/03/26 - 10:33
Accessori
Pannelli solari senza incollaggio
Ciao a tutti, cosa ne pensate di questa soluzione? un pò costosa ma ...
Karbon17
11/03/26 - 10:24
11
Semi
Semi
23/03/2014 1126
Rispondi Abuso
Inserito il 22/01/2021 alle: 22:29:39
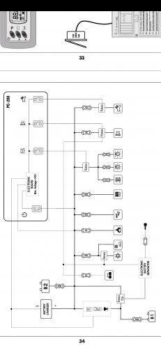
Screenshot_20210122_222800_com_adobe_reader.jpg
Semi
5
Mass78
Mass78
19/01/2021 13
Rispondi Abuso
Inserito il 22/01/2021 alle: 22:45:35
In risposta al messaggio di Semi del 22/01/2021 alle 21:45:38

Io non ho capito uno cosa: aver tolto quella resistenza inibisce il relé parallelatore o che agisce solo quando il motore è acceso oppure il diodo+resistenza integrato che agisce solo con la carica a 220? Penso la prima
ipotesi. Se. Così fosse l'impianto funziona così come lo hai fatto funziona, però per come è fatta la centralina cbe, quando il motore è acceso, ti ritrovi con il frigo e tutti i  servizi alimentati dalla BS che intanto viene caricata dal booster che però così perde parti degli ah soprattutto per il frigo.  Io che ho la stessa centralina penso proprio di fare una linea diretta tra BM e BS con in mezzo il booster però piuttosto che non far chiudere il parallelatore, lo lascio agire e stacco tramite un relé a solenoide la BS che così viene isolata e caricata dal DC/DC.  Per come è fatta la nostra centralina, il frigo e tutti i servizi vengono così alimentati dalla BM, l'unica cosa che lascerei in BS è il webasto che tanto una volta acceso consuma un paio di ah.  Oggi pomeriggio ho fatto le prove e staccando completamente la BS le utenze compreso il frigo funzionano regolarmente tramite BM con ovviamente il motore acceso.  Intanto farò l'impianto così con le batterie AGM e quando sarà il momento di mettere le litio staccherò il cavetto del segnale di presenza dal caricabatterie originale in modo che non si attivi il diodo+resistenza integrato e attaccherò il caricabatterie originale alla BM e quello apposito alle litio. 
...
Credo che, così come è uscito da Westfalia, nessuna utenza sia collegata alla batteria motore, frigo compreso. Infatti se scollego le BS tramite lo stacca batteria non funziona più nulla. Solo se le riattacco, il frigo e Truma funzionano e continuano a funzionare anche se stacco la centralina, in un certo senso la bypassano. 

Modificato da Mass78 il 22/01/2021 alle 22:56:08
11
Semi
Semi
23/03/2014 1126
Rispondi Abuso
Inserito il 23/01/2021 alle: 14:33:49
In risposta al messaggio di Mass78 del 22/01/2021 alle 22:45:35

Credo che, così come è uscito da Westfalia, nessuna utenza sia collegata alla batteria motore, frigo compreso. Infatti se scollego le BS tramite lo stacca batteria non funziona più nulla. Solo se le riattacco, il frigo e Truma funzionano e continuano a funzionare anche se stacco la centralina, in un certo senso la bypassano. 
Questa prova l'hai fatta a motore acceso? 
Semi
11
Semi
Semi
23/03/2014 1126
Rispondi Abuso
Inserito il 24/01/2021 alle: 15:47:56
Finalmente ho 2 minuti per scrivere con calma. 
Togliere la resistenza e far sì che il parallelatore non si attivi come ti hanno consigliato è corretto, l'unica cosa è che tutti gli ah utilizzati dal frigo ad esempio li vai a togliere dalla carica della batteria, questa cosa avviene anche collegando i booster tra batteria motore e centralina, svolgerà il suo lavoro sempre con parte della corrente utilizzata per il frigo ed on più avrai un grosso passaggio di ah in centralina. 

Io ho intenzione di lasciar lavorare il parallelatore, tirare una linea nuova come hai fatto tu con il booster e farò scollegare la bs dalla centralina quando ci sarà il D+. Nella nostra centralina così facendo e come si nota dallo schema che ho messo prima si avranno frigo e tutto il resto che funzioneranno tramite alternatore e intanto il booster con cablaggio dedicato caricherà solo la batteria servizi con tutta la corrente a disposizione 
Semi
6
Szopen
Szopen
rating

06/09/2019 5987
Rispondi Abuso
Inserito il 24/01/2021 alle: 16:46:38
In risposta al messaggio di Semi del 24/01/2021 alle 15:47:56

Finalmente ho 2 minuti per scrivere con calma.  Togliere la resistenza e far sì che il parallelatore non si attivi come ti hanno consigliato è corretto, l'unica cosa è che tutti gli ah utilizzati dal frigo ad esempio
li vai a togliere dalla carica della batteria, questa cosa avviene anche collegando i booster tra batteria motore e centralina, svolgerà il suo lavoro sempre con parte della corrente utilizzata per il frigo ed on più avrai un grosso passaggio di ah in centralina.  Io ho intenzione di lasciar lavorare il parallelatore, tirare una linea nuova come hai fatto tu con il booster e farò scollegare la bs dalla centralina quando ci sarà il D+. Nella nostra centralina così facendo e come si nota dallo schema che ho messo prima si avranno frigo e tutto il resto che funzioneranno tramite alternatore e intanto il booster con cablaggio dedicato caricherà solo la batteria servizi con tutta la corrente a disposizione 
...
Se la centralina ha già la possibilità di scollegare la BS in viaggio tramite D+ è perfetto.

Infatti, pensavo anche ad un relè alta potenza 100/120A normalmente chiuso da interporre sul cavo da BS a Centralina, lasciando così tutto allo stato originale.

Ciro.
nomade analogico e fanciulla all'imbrunire. Non ho nulla da vendere nè consigli da dare, solo qualche piccolo suggerimento da prendere con le pinze, possibilmente, amperometriche. Buoni Km a tutti e......... rammentate sempre che....... TESTAR NON NUOCE!

Modificato da Szopen il 24/01/2021 alle 16:47:46
17
salvopri
salvopri
20/05/2008 62
Rispondi Abuso
Inserito il 24/01/2021 alle: 16:59:20
In risposta al messaggio di Semi del 24/01/2021 alle 15:47:56

Finalmente ho 2 minuti per scrivere con calma.  Togliere la resistenza e far sì che il parallelatore non si attivi come ti hanno consigliato è corretto, l'unica cosa è che tutti gli ah utilizzati dal frigo ad esempio
li vai a togliere dalla carica della batteria, questa cosa avviene anche collegando i booster tra batteria motore e centralina, svolgerà il suo lavoro sempre con parte della corrente utilizzata per il frigo ed on più avrai un grosso passaggio di ah in centralina.  Io ho intenzione di lasciar lavorare il parallelatore, tirare una linea nuova come hai fatto tu con il booster e farò scollegare la bs dalla centralina quando ci sarà il D+. Nella nostra centralina così facendo e come si nota dallo schema che ho messo prima si avranno frigo e tutto il resto che funzioneranno tramite alternatore e intanto il booster con cablaggio dedicato caricherà solo la batteria servizi con tutta la corrente a disposizione 
...
Semi non sono d'accordo con te,secondo il mio parere il Victron manderà i suoi 30 ampere alla batteria servizio, specialmente con il cavo che baypassa la centralina.
11
Semi
Semi
23/03/2014 1126
Rispondi Abuso
Inserito il 24/01/2021 alle: 17:11:38
In risposta al messaggio di Szopen del 24/01/2021 alle 16:46:38

Se la centralina ha già la possibilità di scollegare la BS in viaggio tramite D+ è perfetto. Infatti, pensavo anche ad un relè alta potenza 100/120A normalmente chiuso da interporre sul cavo da BS a Centralina, lasciando così tutto allo stato originale. Ciro.
No, la centralina non ha questa possibilità, bisogna mettere un relé comandato da D+, io ho preso un relé solenoide da 200a con NO e NC, appena arriva faccio delle prove. 
Semi
11
Semi
Semi
23/03/2014 1126
Rispondi Abuso
Inserito il 24/01/2021 alle: 17:14:17
In risposta al messaggio di salvopri del 24/01/2021 alle 16:59:20

Semi non sono d'accordo con te,secondo il mio parere il Victron manderà i suoi 30 ampere alla batteria servizio, specialmente con il cavo che baypassa la centralina.
Certo, lui manderà i 30amp in BS ma se non fai attivare il parallelatore, il frigorifero preleverà circa 10a dalla BS quindi ne rimangono 20 per la carica. Se invece lasci lavorare il parallelatore e stacchi la BS dalla centralina il frigo verrà alimentato direttamente dall'alternatore.

Attenzione, tutto questo con la cbe DS300 o PC200 che dir si voglia, con altre centraline potrebbe non essere così 
Semi
17
salvopri
salvopri
20/05/2008 62
Rispondi Abuso
Inserito il 24/01/2021 alle: 17:47:38
In risposta al messaggio di Semi del 24/01/2021 alle 17:14:17

Certo, lui manderà i 30amp in BS ma se non fai attivare il parallelatore, il frigorifero preleverà circa 10a dalla BS quindi ne rimangono 20 per la carica. Se invece lasci lavorare il parallelatore e stacchi la BS dalla
centralina il frigo verrà alimentato direttamente dall'alternatore. Attenzione, tutto questo con la cbe DS300 o PC200 che dir si voglia, con altre centraline potrebbe non essere così 
...
La mia centralina è la CBE DS 470-CE , e comunque penso che il frigo rimanga sempre alimentato dalla BM,  naturalmente con motore in moto e così facendo il victron  alimenta la BS.
SostaGruppiCompagniItaliaEsteroMarchiMeccanicaCellulaAccessoriEventiLeggiComportamentiDisabiliIn camper perAltro CamperAltroExtra
167k Facebook
343k Instagram
42,6k TikTok
73,3k Youtube
CamperOnLine - Copyright © 1998-2026 - P.Iva 06953990014
Informativa privacy
Loading...

Accedi

Recupera Password
Nuovo utente

Vuoi eliminare il messaggio?

Sottoscrizione

Anteprima

PREFERENZA

Il messaggio è in fase di inserimento.

loading

CamperOnLine

Buongiorno gentile utente,

da oltre 20 anni Camperonline offre gratuitamente tutti i suoi servizi
grazie agli inserzionisti che ci hanno dato la loro fiducia, permettici di continuare il nostro lavoro disattivando il blocco delle pubblicità.

Grazie della collaborazione.

Azione eseguita con successo

Azione Fallita

Condividi

Condividi questa pagina con:

O copia il link