CamperOnLine
  • Camper
    • Camper usati
    • Camper nuovi
    • Produttori
    • Listino
    • Cataloghi
    • Concessionari e rete vendita
    • Noleggio
    • Van
    • Caravan
    • Fiere
    • Rimessaggi
    • Le prove di CamperOnLine
    • Provati da voi
    • Primo acquisto
    • Area professionisti
  • Accessori
    • Accessori e Prodotti
    • Camping Sport Magenta accessori
    • Produttori
    • Antenne TV
    • Ammortizzatori
    • GPS
    • Pneumatici
    • Rimorchi
    • Provati da Voi
    • Fai da te
  • Viaggi
    • Diari di viaggi in camper
    • Eventi
    • Foto
    • Check list
    • Traghetti
    • Trasporti
  • Sosta
    • Cerca Strutture
    • Sosta
    • Aree sosta camper
    • Campeggi
    • Agriturismi con sosta camper
    • App Camperonline App
    • 10 Consigli utili per la sosta
    • Area strutture
  • Forum
    • Tutti i Forum
    • Sosta
    • Gruppi
    • Compagni
    • Italia
    • Estero
    • Marchi
    • Meccanica
    • Cellula
    • Accessori
    • Eventi
    • Leggi
    • Comportamenti
    • Disabili
    • In camper per
    • Altro Camper
    • Altro
    • Extra
    • FAQ
    • Regolamento
    • Attivi
    • Preferiti
    • Cerca
  • Community
    • COL
    • CamperOnFest
    • Convenzioni Convenzioni
    • Amici
    • Furti
    • Informativa Privacy
    • Lavoro
  • COL
    • News
    • Newsletter
    • Pubblicità
    • Contatto
    • Ora
    • RSS RSS
    • Video
    • Facebook
    • Instagram
  • Magazine
  • Italiano
    • Bienvenue
    • Welcome
    • Willkommen
  • Accedi
CamperOnLine
Camping Sport Magenta
  1. Forum
  2. Tecnica
  3. Accessori
Galleria

Uso e Mantenimento Batterie al Litio

Rispondi
Cerca
Berger Camping
SostaGruppiCompagniItaliaEsteroMarchiMeccanicaCellulaAccessoriEventiLeggiComportamentiDisabiliIn camper perAltro CamperAltroExtra
3 20 57
6
AleRmVan
AleRmVan
24/01/2020 53
Rispondi Abuso
Inserito il 02/09/2021 alle: 09:36:55
In risposta al messaggio di Lotus76 del 09/03/2021 alle 13:54:17

se vuoi caricare la litio con oltre 30Ah devi pensare di bypassare la centralina originale. Potrebbe allora tornarti utile il booster della schaudt WA121545 che (almeno mi sembra, dovresti approfondire) accetta un'entrata supplementare per un caricabatterie alternativo (solare o 220) e puoi collegarlo direttamente alle batterie
Quel booster ha la tensione di carica delle litio ho il dubbio che una volta carica la batteria vada in mantenimento. Sai aiutarmi?
15
Subalpino
Subalpino
07/12/2010 2861
Rispondi Abuso
Inserito il 04/09/2021 alle: 14:47:25
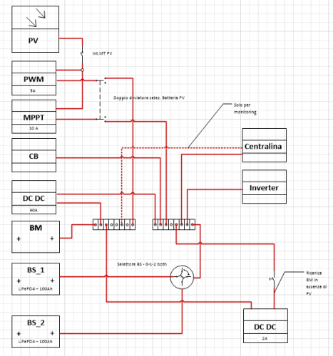
Sto pensando a questa soluzione:
image(2946).png
La ricarica della BM viene garantita sia con sole sia al buio
quello che succede a Las Vegas resta a Las Vegas, quello che succede sul forum resta sul forum

Modificato da Subalpino il 04/09/2021 alle 16:16:27
15
Subalpino
Subalpino
07/12/2010 2861
Rispondi Abuso
Inserito il 30/12/2021 alle: 15:22:08
Ho cambiato il titolo a questo thread per estendere la discussione al tema generale relativo all’uso e al mantenimento delle batterie al Litio.
Sarebbe auspicabile che gli interventi fossero on topic quindi evitando temi tipo “ litio vs agm” o su come montare le batterie.
Grazie

Argomento Litio al freddo

Scenario: camper in rimessaggio batteria scollegata dall’impianto e temperatura molto bassa 
Come ripartire: 
1) collego la presa 220 e accendo la stufa fino a quando la batteria raggiunge una temperatura accettabile e a quel punto collego la batteria all’impianto 
2) non dispongo di 220V, accendo il motore e attraverso il DCDC arriva corrente all’impianto quindi come sopra

Vedete controindicazioni?
 
quello che succede a Las Vegas resta a Las Vegas, quello che succede sul forum resta sul forum

Modificato da Subalpino il 30/12/2021 alle 15:30:52
Fleurette63
Fleurette63
-
Rispondi Abuso
Inserito il 30/12/2021 alle: 17:20:06
Cerca di fare le cose per bene, se non sai lascia perdere:

https://forum.camperonline.it/t...



 
mejo na man de tersaroi che far navigar anca i pajoi
Sala Silvergruva, la miniera d'argento
Sala Silvergruva, la miniera d'argento
Folgaria d’inverno in camper
Folgaria d’inverno in camper
Francia 2025
Francia 2025
Eksjo, la città di legno
Eksjo, la città di legno
Viaggio in Umbria e dintorni
Viaggio in Umbria e dintorni
Previous Next
15
Subalpino
Subalpino
07/12/2010 2861
Rispondi Abuso
Inserito il 30/12/2021 alle: 17:57:28
In risposta al messaggio di Fleurette63 del 30/12/2021 alle 17:20:06

Cerca di fare le cose per bene, se non sai lascia perdere:  
Un commento di cui sentivo la mancanza.
Signora mia si stava meglio quando si stava peggio, chi più spende meno spende e poi non ci sono più le mezze stagioni.
quello che succede a Las Vegas resta a Las Vegas, quello che succede sul forum resta sul forum

Modificato da Subalpino il 30/12/2021 alle 17:59:17
19
camperos
camperos
29/12/2006 4709
Rispondi Abuso
Inserito il 30/12/2021 alle: 18:40:06
In risposta al messaggio di Subalpino del 30/12/2021 alle 15:22:08

Ho cambiato il titolo a questo thread per estendere la discussione al tema generale relativo all’uso e al mantenimento delle batterie al Litio. Sarebbe auspicabile che gli interventi fossero on topic quindi evitando temi
tipo “ litio vs agm” o su come montare le batterie. Grazie Argomento Litio al freddo Scenario: camper in rimessaggio batteria scollegata dall’impianto e temperatura molto bassa  Come ripartire:  1) collego la presa 220 e accendo la stufa fino a quando la batteria raggiunge una temperatura accettabile e a quel punto collego la batteria all’impianto  2) non dispongo di 220V, accendo il motore e attraverso il DCDC arriva corrente all’impianto quindi come sopra Vedete controindicazioni?  
...
guarda... accendi e vai e basta.
fai da te? ahi ahi ahi ahi, ora in ogni tuo viaggio ad ogni strano odore penserai al camper... che si sta incendiando :)

Modificato da camperos il 30/12/2021 alle 18:40:30
10
Salciccia
Salciccia
31/03/2015 105
Rispondi Abuso
Inserito il 31/12/2021 alle: 12:51:38
In risposta al messaggio di Subalpino del 30/12/2021 alle 15:22:08

Ho cambiato il titolo a questo thread per estendere la discussione al tema generale relativo all’uso e al mantenimento delle batterie al Litio. Sarebbe auspicabile che gli interventi fossero on topic quindi evitando temi
tipo “ litio vs agm” o su come montare le batterie. Grazie Argomento Litio al freddo Scenario: camper in rimessaggio batteria scollegata dall’impianto e temperatura molto bassa  Come ripartire:  1) collego la presa 220 e accendo la stufa fino a quando la batteria raggiunge una temperatura accettabile e a quel punto collego la batteria all’impianto  2) non dispongo di 220V, accendo il motore e attraverso il DCDC arriva corrente all’impianto quindi come sopra Vedete controindicazioni?  
...
Secondo me basta accendere la stufa per qualche minuto “15/20 “( dipenderà molto da dove sono collocate le BS, se vicine o no alla fonte di calore) e poi si parte tranquilli 
21
ezio55
ezio55
30/12/2004 3412
Rispondi Abuso
Inserito il 31/12/2021 alle: 14:16:19
In risposta al messaggio di Subalpino del 30/12/2021 alle 15:22:08

Ho cambiato il titolo a questo thread per estendere la discussione al tema generale relativo all’uso e al mantenimento delle batterie al Litio. Sarebbe auspicabile che gli interventi fossero on topic quindi evitando temi
tipo “ litio vs agm” o su come montare le batterie. Grazie Argomento Litio al freddo Scenario: camper in rimessaggio batteria scollegata dall’impianto e temperatura molto bassa  Come ripartire:  1) collego la presa 220 e accendo la stufa fino a quando la batteria raggiunge una temperatura accettabile e a quel punto collego la batteria all’impianto  2) non dispongo di 220V, accendo il motore e attraverso il DCDC arriva corrente all’impianto quindi come sopra Vedete controindicazioni?  
...
Ciao, abito a Merano, a parte oggi e ieri che sembra primavera..., negli scorsi giorni siamo arrivati a -10
Ho il camper rimessato all'aperto sotto una tettoia ed ho una LiFePo4 di Litiostore, non noto problemi con il freddo.
Unico problema che ho (impianto solare esterno e collegamento al camper) è che essendo inverno il sole lo hai poche ore al giorno, quindi quella poca ricarica che mi serve per mantenere la batteria servizi almeno al 90% alle volte non basta, quindi, almeno ogni 15 giorni lo allaccio alla corrente, nessun problema di ricarica, anche quando, scordandomi..., la batteria è arrivata a 12 Volt...
Specifico che la batteria è sempre collegata, perchè il router, con il quale controllo la videocamera del rimessaggio, viene alimentato da lei, cosi come l'allarme e il Tracker.
Saluti.
Ezio55
11
Semi
Semi
23/03/2014 1126
Rispondi Abuso
Inserito il 31/12/2021 alle: 14:18:24
Io ho messo un interruttore sul D+ che fa attivare il DC/DC proprio per evitare che parta la carica quando fa molto freddo. In questo momento in camper ho 1 gradose avessi la necessità di spostarlo potrei accenderlo senza problemi. Questo interruttore lo uso anche per spegnere il caricatore una volta che le batterie sono cariche, il mio DC-DC tiene la tensione a 14.6v quando la carica è al 100%
Nella normalità invece accendo il riscaldamento prima di partire quandi nessun problema. 
Semi
7
Steu851
Steu851
27/08/2018 3077
Rispondi Abuso
Inserito il 31/12/2021 alle: 14:45:09
Io. Ho il dc-dc victron che si può comandare via Bluetooth, lo tengo normalmente disabilitato. In questo periodo di freddo ho disabilitato anche il regolatore solare. Quando son partito il 24 la batteria era a 0 gradi, nel gavone dove è alloggiata passa un tubo della truma che ho acceso, il termometro del BMS ci ha messo un paio d'ore a salire a 6 gradi dopo di che ho cominciato a attivare il regolatore solare, che caricava 1-2 A, quando è arrivata a 8° ho attivato il. Dc-dc, sono arrivato a destinazione che era al 95%,. Ero in campeggio con la 230 V allacciata, ma caricabatterie non attivo, ogni sera lo ho attivato per un paio d'ore, passando dal 70 al 90%.
Le celle lifepo4 se ricaricate sotto i 4° si rovinano, apparentemente non succede niente, ma la durata nel tempo si accorcia parecchio. 
14,6V è eccessivo ed inutile, victron carica a 14,2 ma  tra 13,5V e 14,6V ci sarà il 2 o 3 % di differenza come stato carica e di stressano le celle inutilmente. 
Adria Coral Compact, il camper coupè
15
Subalpino
Subalpino
07/12/2010 2861
Rispondi Abuso
Inserito il 31/12/2021 alle: 14:59:33
Io ho previsto 3 commutatori:
- staccabatterie
- PV BM-0-BS
- DCC 0-20A-40A
Non ho ancora provato il funzionamento dei BMS.
In rimessaggio la situazione di partenza è BS scollegate, DCDC spento e PV su BM.
In caso di freddo la stufa potrebbe essere accesa collegando  la 220V per una decina di minuti.
Poi si potrebbe collegare le BS, che nel mio caso sono a fianco della Truma.








 
quello che succede a Las Vegas resta a Las Vegas, quello che succede sul forum resta sul forum
Argomenti recenti dal forum
Viaggi in Italia
Giugno all'isola del Giglio
Buongiorno a tutti, sto valutando di trascorrere a fine giugno 4 gio...
Nanasso
Ieri alle: 21:16
Accessori
problema ds300 conversione al litio
Ciao a tutti ho montato due batterie al litio su elnagh big marlin ...
Mandracchio
Ieri alle: 19:19
Cellula abitativa
Rimozione cerniera porta cellula
Buongiorno, Ho la porta della cellula del mio mcluis steel 531g del...
Telix636
Ieri alle: 16:39
Viaggi all'estero
Ruta Jubierre in Spagna
Come da titolo, c’è qualcuno che si è già avventurato a fare questa ...
Sparty91
Ieri alle: 14:00
Viaggi all'estero
POLONIA viaggio Estivo
Ciao a tutti, che ne dite di un viaggio in Polonia per questa estate...
RMCamper2020
Ieri alle: 12:11
Viaggi in Italia
Raggiungere le 5 terre
Ciao a tutti, ho un dubbio riguardo la strada da fare per raggiunger...
Maiamaia4
Ieri alle: 07:58
Cellula abitativa
Indicatori di livello frigo Dometic
Ruotando la manopola di destra in senso orario del frigo DOMETIC si...
norbidic
Ieri alle: 03:44
Meccanica
Tappo di carico olio trasmissione cercasi
Su Ducato x244 anno 2004, prima di svuotare l’olio del cambio volevo...
norbidic
Ieri alle: 02:18
Meccanica
Acquisto ricambi usati (specchietto sinistro)
Ciao, mentre tornavamo da Valsesia camper per riparare la porta del ...
LaLory
11/03/26 - 22:15
Accessori
Istallazione dashcam anteriore su Ducato nuovo
Ciao a tutti ho un amico inglese che sta acquistando un campervan El...
solidsnork
11/03/26 - 16:50
Viaggi all'estero
Assicurazione viaggio x estero
Buongiorno a tutti, come da titolo volevo sapere se quando andate al...
cpuffo
11/03/26 - 16:20
Cellula abitativa
Luce cortesia Doral 161 - modello maxxima 063
Buongiorno a tutti, qualcuno di voi ha sostituito la lampada di cort...
daleo
11/03/26 - 13:22
Aree di sosta e campeggi
Campeggi zona Pisa a fine marzo
Ciao a tutti, a fine mese (weekend del 21 marzo) vorremmo fare qual...
Andre78
11/03/26 - 10:33
Accessori
Pannelli solari senza incollaggio
Ciao a tutti, cosa ne pensate di questa soluzione? un pò costosa ma ...
Karbon17
11/03/26 - 10:24
Accessori
Pannello solare incollato sul tetto
Buongiorno a tutti, ho notato che sul mio arca america 745 glg del 2...
Adocaro
11/03/26 - 08:38
7
Steu851
Steu851
27/08/2018 3077
Rispondi Abuso
Inserito il 31/12/2021 alle: 16:29:06
In risposta al messaggio di Subalpino del 31/12/2021 alle 14:59:33

Io ho previsto 3 commutatori: - staccabatterie - PV BM-0-BS - DCC 0-20A-40A Non ho ancora provato il funzionamento dei BMS. In rimessaggio la situazione di partenza è BS scollegate, DCDC spento e PV su BM. In caso di freddo
la stufa potrebbe essere accesa collegando  la 220V per una decina di minuti. Poi si potrebbe collegare le BS, che nel mio caso sono a fianco della Truma.  
...
Da quello che ho visto negli ultimi 2 weekend una decina di minuti non bastano nemmeno per far rimanere chiusa la nofrost dell'acqua, anche se il vano sale di temperatura le celle hanno una discreta massa specialmente le centrali ci mettono parecchio a scaldarsi
Adria Coral Compact, il camper coupè
Furio59
Furio59
rating

06/03/2022 2190
Rispondi Abuso
Inserito il 06/04/2023 alle: 17:12:21
Mi riallaccio a questo tread per porre una domanda, anzi due:: in definitiva quale è la percentuale di carica consigliata per lasciare la batteria al litio in riposo quando non si usa il camper? 
Senza andare a montare interruttori per inibire la carica della batteria servizi, è corretto quando si ferma il mezzo con la prospettiva di non usarlo nei giorni seguenti  lasciare il frigo (compressore) a 12v acceso per 24/48 ore per raggiungere tale percentuale  e poi staccare tutto? 
Furio
7
Steu851
Steu851
27/08/2018 3077
Rispondi Abuso
Inserito il 06/04/2023 alle: 19:24:05
Se guardi la curva di carica si vede che intorno a 13,3 V il SOC sta tra il 25 ed 90%, a 13,6 arriva al 98% da 13,6 a 14,6 c'è solo il 2% (percentuali che variano poco da un produttore di celle e l'altro.
Poiché difficilmente sto fermo più di un mese e carico quasi esclusivamente dal pannello solare, ho impostato il regolatore per non superare i 13,6V, che scendono a 13,4 dopo poco che il sole è tramontato e non prendo altre precauzioni. 
Se si va a cercare le pubblicazioni sulle lifepo4 il degrado tenendolo alla carica massima è limitato, ha un senso principalmente se se o o essere stoccate a lungo prima della vendita, o se si lasciano ferme per tanti mesi. Trascurando eventuali guasti il numero di cicli di carica, che non sono le volte che viene caricata ma le volte in cui la somma delle cariche parziali arriva a 100, è tale che stimo la durata in oltre 10 anni, un arco temporale in cui tante cose possono accadere inclusa una evoluzione tecnologica che potrà far venire voglia di cambiare la batteria o tutto il camper.
Purtroppo si fa molta confusione tra le varie chimiche all'interno di una cella 'al litio' una batteria lipo da modellismo è molto delicata, può degradare velocemente se mantenuta al 100% ed essere molto pericolosa con rischio incendio ed esplosione, le Lifepo4 sono altra cosa. Ho visto la prima power station dotata di batteria allo stato semisolido, è stata annunciata la prima auto dotata di batterie al sodio, gli annunci di nuove tecnologie delle batterie fatti negli anni scorsi stanno arrivando alla produzione, ne vedremo delle belle 
​​​​​
Adria Coral Compact, il camper coupè

Modificato da Steu851 il 06/04/2023 alle 19:29:33
Furio59
Furio59
rating

06/03/2022 2190
Rispondi Abuso
Inserito il 06/04/2023 alle: 19:54:24
Quindi mi stai dicendo di non prendere nessuna precauzione, lasciando che nei viaggi di ritorno a casa la batteria servizi LFP si ricarichi normalmente e, una volta arrivato a destinazione, spegnere tutto fino a nuovo uso? 
Che poi anche nel mio caso difficilmente supererei il mese di fermo.
 
Furio
15
Subalpino
Subalpino
07/12/2010 2861
Rispondi Abuso
Inserito il 06/04/2023 alle: 20:20:14
Io tengo il camper in una struttura coperta con presa di corrente: di solito prima di arrivare, stacco il DCDC e il PV e quando mi fermo stacco le batterie LFP.
La carica di mantenimento della BM la faccio con un cb da 5A appoggiato sul pavimento del capannone e collegato con una presa Anderson, il cavo passa attraverso la guarnizione della porta.

In precedenza, nel rimessaggio all'aperto, chiudevo la carica delle batterie intervenendo sui BMS (carica off, scarica on). Il PV continuava ad erogare corrente e caricava solo la BM attraverso diodo/resistenza.

 
quello che succede a Las Vegas resta a Las Vegas, quello che succede sul forum resta sul forum
7
Steu851
Steu851
27/08/2018 3077
Rispondi Abuso
Inserito il 07/04/2023 alle: 07:36:51
In risposta al messaggio di Furio59 del 06/04/2023 alle 19:54:24

Quindi mi stai dicendo di non prendere nessuna precauzione, lasciando che nei viaggi di ritorno a casa la batteria servizi LFP si ricarichi normalmente e, una volta arrivato a destinazione, spegnere tutto fino a nuovo uso?  Che poi anche nel mio caso difficilmente supererei il mese di fermo.  
Ti sto dicendo quello che faccio, cioè non carico mai da alternatore, tranne qualche eccezione cioè se ho ricaricato le ebike e non c'è il sole, ed ho ridotto la tensione di massima carica del regolatore solare victron a 13,6 V. La controindicazione è che il bms non bilancia le celle, ma a quello ci pensa il bilanciatore attivo, il vantaggio di avere una batteria assemblata. 
Adria Coral Compact, il camper coupè
SostaGruppiCompagniItaliaEsteroMarchiMeccanicaCellulaAccessoriEventiLeggiComportamentiDisabiliIn camper perAltro CamperAltroExtra
167k Facebook
343k Instagram
42,6k TikTok
73,3k Youtube
CamperOnLine - Copyright © 1998-2026 - P.Iva 06953990014
Informativa privacy
Loading...

Accedi

Recupera Password
Nuovo utente

Vuoi eliminare il messaggio?

Sottoscrizione

Anteprima

PREFERENZA

Il messaggio è in fase di inserimento.

loading

CamperOnLine

Buongiorno gentile utente,

da oltre 20 anni Camperonline offre gratuitamente tutti i suoi servizi
grazie agli inserzionisti che ci hanno dato la loro fiducia, permettici di continuare il nostro lavoro disattivando il blocco delle pubblicità.

Grazie della collaborazione.

Azione eseguita con successo

Azione Fallita

Condividi

Condividi questa pagina con:

O copia il link